EasyManua.ls Logo

Sony PS-2250 - Electrical Parts List; Semiconductors List; Transformer Details; Capacitors List

Sony PS-2250
26 pages
Print Icon
To Previous Page IconTo Previous Page
To Previous Page IconTo Previous Page
Loading...
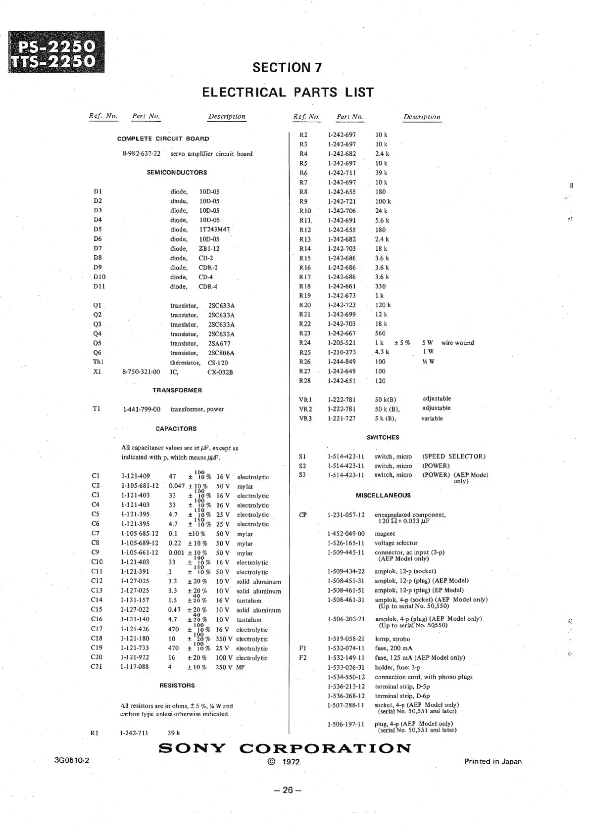
SECTION
7
ELECTRICAL
PARTS
LIST
Ref.
No.
Part
No.
Description
Ref.
No.
Part
No.
Description
COMPLETE
CIRCUIT
BOARD
R2
H24r097
a
:
R3
1-242-697
10k
8-982-637-22
"servo
amplifier
circuit
board
R4
1-242-682
2.4k
RS
1-242-697
10k
SEMICONDUCTORS
R6
1-242-711
39k
R7
1-242-697
10k
2
Di
diode,
10D-05
R8
1-242-655
180
D2
diode,
10D-05
R9
1-242-721
100k
D3
diode,
10D-05
R10
1-242-706
24k
D4
diode,
10D-05
R11,
1-242-691
5.6k
ae
D5
diode,
|
1T243M47
R12
1-242-655
180
D6
diode,
10D-05
R13
1-242-682
24k
D7
diode,
ZB1-12
R14
1-242-703
18k
D8
diode,
CD-2
RIS
1-242-686
3.6
k
D9
diode,
CDR-2
R16
1-242-686
3.6
k
D10
diode,
CD-4
R17
1-242-686
3.6.k
Dil
diode,
CDR-4
R18
1-242-661
330
R19
1-242-673
1k
Ql
transistor,
2SC633A__
R20
1-242-723
120k
Q2
transistor,
2SC633A
R21
1-242-699
12k
Q3
transistor,
2SC633A
R22
1-242-703
18k
Q4
transistor,
2SC633A
R23
1-242-667
560
Q5
transistor,
2SA677
R24
1-205-521
1k
+5%
5W_
wire
wound
Q6
transistor,
2SC806A
R25
1-210-273
4.3k
iW
Thi
thermistor,
CS-120
R26
1-244-849
100
%W
Xl
8-750-321-00
IC,
CX-032B
R27.
1-242-649
100
R28
1-242-651
120
TRANSFORMER
VRI
1-222-781
50
k(B)
adjustable
Tl
1-441-799-00
transformer,
power
VR2
1-222-781
50
k
(B),
adjustable
VR3
1-221-727
5k
(B),
variable
CAPACITORS
SWITCHES
All
capacitance
values
are
ir
WF,
except
as
a
.
:
indicated
with
p,
which
means
uur.
;
S1
1-514-423-11
switch,
micro
(SPEED
SELECTOR)
$2
1-514-423-11
switch,
micro
(POWER)
cl
1-121-409
47
+
'98.%
16V_
electrolytic
$3
1-514-423-11
switch,
micro
(POWER)
(AEP
Model
C2
1-105-681-12
0.047
410%
50V_
mylar
ge
C3
1-121-403
33.
+
/90%
16V_
electrolytic
MISCELLANEOUS
C4
1-121-403
33.
+
110%
16V_
electrolytic
cS
1-121-395
47
+
ats
%
25V_
electrolytic
CP
1-231-057-12
encapsulated
component,
6
1-121-395
4.7
+'10%
25V_
electrolytic
120
82+
0.033
MF
C7
1-105-685-12.
0.1
410%
SOV
mylar
1-452-049-00
magnet
C8
1-105-689-12,
0.22
410%
50V_~
mylar
1-526-165-11
voltage
selector
co
1-105-661-12
0.001
+
10%
50
V_
mylar
1-509-445-11
CONE
cael
aay)
(3-p)
C10
1-121-403
33
+
uh
%
16V_
electrolytic
cll
1-121-391
1
+
10%
50V_
electrolytic
1-509-434-22
amplok,
12-p
(socket)
C12
1-127-025
3.3.
420%
10V_
solid
aluminum
1-508-451-31
amplok,
12-p
(plug)
(AEP
Model)
C13
1-127-025
3.3.
£20%
10V_
solid
aluminum
1-508-461-51
amplok,
12-p
(plug)
(EP
Model)
C14
1431-157
Ss
20%
«16
V
tantalum
1-508-461-31
_
amplok,
4-p
(socket)
(AEP
Model
only)
CIS
1127-022
047
£20%
10V_
solid
aluminum
Meitosenal
No:
39,590)
C16
1-131-140
4.7
+20%
10V_
tantalum
1-506-203-71
amplok,
4-p
(plug)
(AEP
Model
only)
a
ci7
1-121-426
470
+'%0%
16V_
electrolytic
Ce
ea
C18
1-121-180
10
#
198
%
350V
electrolytic
1-519-058-21
lamp,
strobo
C19
1121-733
470
+'90%
25V_
electrolytic
Fi
1-532-074-11
fuse,
200
mA
C20
1-121-922
16
+20%
100V
electrolytic
F2
1-532-149-11
fuse,
125
mA
(AEP
Model
only)
a
C21
1-117-088
4
+10%
250V
MP
1-533-026-31
holder,
fuse;
3-p
:
1-534-550-12
connection
cord,
with
phono
plugs
RESISTORS
1-536-213-12
terminal
strip,
D-5p
1-536-268-12
terminal
strip,
D-6p
All
resistors
are
in
ohms,
+
5
%,
%
W
and
1-507-288-11
socket,
4-p
(AEP
Model
only)
carbon
type
unless
otherwise
indicated.
(serial
No.
50,551
and
later)
-
1-506-197-11
plug,
4-p
(AEP
Model‘only)
Ri
1-242-711
39k
(serial
No.
50,551
and
later)
SONY
CORPORATION
3G0510-2
©
1972
Printed
in
Japan
—26—

Other manuals for Sony PS-2250

Related product manuals