EasyManua.ls Logo

Sony PVM-20M2U - Page 63

Sony PVM-20M2U
92 pages
Print Icon
To Next Page IconTo Next Page
To Next Page IconTo Next Page
To Previous Page IconTo Previous Page
To Previous Page IconTo Previous Page
Loading...
1
A
B
c
D
E
F
G
H
J
K
l
N
0
p
2
3
4 5
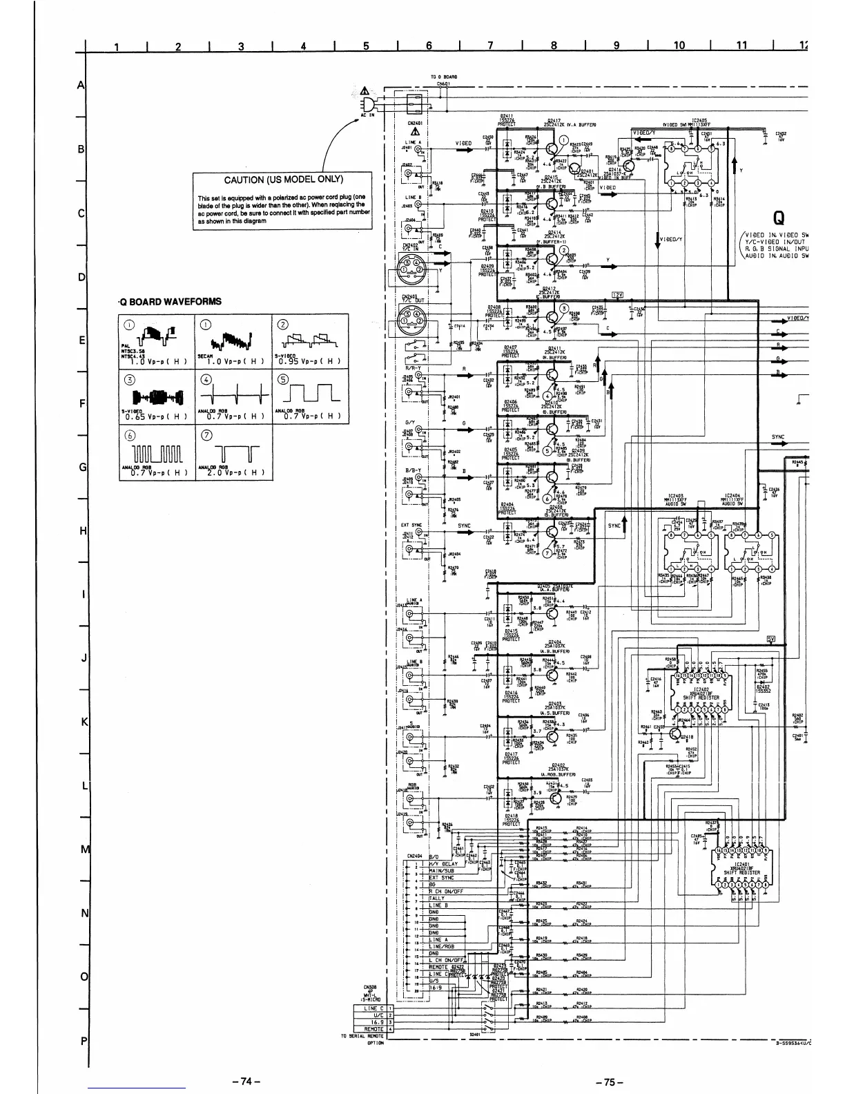
CAUTION
(US
MODEL
ONLY)
This
sells
equipped
with
a
polarized
ac
power
cord
plug
(one
blade
of
the
plug
Is
wider
than
the
other).
Whan
reqlaclng
the
ac
power
cord,
be
sure
to
connect
It
wHh
specified
part
number
as
shown
in
this
diagram
6
7 8 9
TO
fr
BOAR!l
10
CVIOEO
S\llt1MIII3XFF
• 6
I
~
VltlEO/Y
C:2~1
ft,,.--1-
~6.3
':L
H
------:
0
·~~~·
:CHIP
I '
11
y
Q
(
VI
BED
IN.
VI
BED
5\1
Y/C-VIBEO
IN/OUT
R.
G.
B
SIGNAL
INPU
AU-DID
IN,
AU-DIO
SW
·Q
BOARD
WAVEFORMS
CD
,ALpt/-
NTSC3.s•
NTSC4.
43
1 . 0 Vp-p ( H )
S-YIOED
0.
65
Vp-p ( H l
ANALOG
AGB
0.7Vp-p(Hl
SECA11
1 0 Vp-p ( H )
ANALDD
AGB
0.
7 Vp-p ( H l
0
TT
ANAJ..DGAGB
z.OVp-p(
H l
-74-
S-YIOED
0.
95
Vp-p ( H )
ANALOG
AGB
0.
7 Vp-p ( H l
.....
c
....
z~WzK
'!..,...
IR.BUFFEm
~
r.
VlllEO/Y
R/R;J.,
I
i~~
't2!:
I
r·:;---1.~.'
R
r 1
.r-M-<f!L
··
1
:k~.~&
R _ .....
~.~
~
~,-----ti-t-----------+-----------1--,."~~---
l~
j
,Jr;;
5.2
17
......
.
L_~-~
~;:1
'
~t~~····;
4.5
1~,~
·~
oal
r• 4
°/.~',11
~~~4ff&
zs
Wz~
1
PROTECT
a;.
BUFFEm
I !
,ii.
i
G/Y
r;:.,(ot--+-1
__
___,_G..__--l + r 1
~~Rii
Ar
:i:p.c~
~1
C~l
:
~l8i
-~·
! I
...,
c~~·
l J
•2,'!6'
-~
i£:J
!,
r·-=---
:
((},
,dJIP
5.
2
02
r-'
~tB3
4.5
./It
I : 'T
~
, l
JR2,4D2
02405
oi!IIIP,
5
R24B,S
Ql409
: L
..
-.1ut~
I
SSZ26
·'t'~IP
25Ci412K
! B/B y j
"7f
B
PRf-OlTECT
"&&:,
-<f!L
:!:IB·.~~;Em
I
-6
: .
,,~!~
r"'llffi>
I
i!'JI
~
!
....
C~4]7
l j
02
1\""
_<t
,
r·:;--
1
.~.
1
((},
•CHIP
5
3
"'~l·
I .
~~~~.
4
6
,IAYP
i L'r._1:fl
JR2,4D3
D2404
6
1Yt~
IC2403
tt111113XFF
AU!JIO
5\1
n
: I
"'l.,fl'
~~~fttT
2s!f2'l't~(
1 : ,ji,
IS.BLFFEm
.I
IC2404
HHIIIIXFF
AU!JIO
5\1
SYNC
.......
i
EXT
5~
!
SYNC
+ f l
,1M·
---.~)'~)'~1
~.~j~~r:!:
SYNC~..
Q•S.
c~~
::,1
I
37
"''"""
r-'
"'
IV"
((},
f'
llf1jo
~5,
I6Y
ocJ,,p~
,,tf.
1
::'P
I
i
(~-----~~IN~
-
C~
L,
j~~~!~;~
S.?
~m:
! 7
,'
5 s H 7
L;
5
!
'.:
L.___
'
~JR2'
...
04
HtP
7
~·l~
H : H
L H
------,
L : H
~-----:
!
g8M,
I l 3 4 I ! ! 4
CNJ,DB
lot!T-L
•5-MICRO
LINE
C I
U/C z
16.9
3
REMOTE
4
"';',35
3"
R3436!1?~&7
R3438
'r
:!:f"""t"----~"~fA''!."~A?'J.~.
"'crNFmf~~'ffi'.--.J
r+---++++-1-'c_:H....JIP '
H!,C..
,c\.].ir.~a~~
~~:
ocll'IP
i
r:NE
A
ll1,'\a0
R245~~t
ICI
:l:fffp
1511i
4.
4
I"
---·1
i r l
3.8
oCH~IP~-;;!;~!t+;-H---C:::F=:t=i====~-J
· :
~
~
"lto'
c~X'
i L
..
_. !
c~~il
L.
J m
ltt2
...
,7
oCHIP
I&
:.%24,1.!..
IN
•·
220
I 1 /
---]
02415
oCHIP
' : r;:., . !
p\f~l!:
2
lT
!
L~
c£.
~.~em
I
:
,.hJ.NE
B
~·r,.;~-~
i
I :
:
I
't..___J,.,
IJz;:---;:J.
:
I_.;--~
I :
('t..___J,.,
cot-~
.
...!-
i___.
·~AA
!
L---w;;,:
IJ2Gt~·l
1
~~~!
r·r-,.;-'-i
1
i
L~!
:,r
!
RGB
~·~~-1
tl..
:1:
1 I
'~'d"
16V
+
02417
155226
PROTECT
r 1
W.
l
JYB.{
~~~~
lt2•i·!L._I_~
I
02418
: I = 1 :
155226
25~
2
1~1lj,K
lA.
RGB.
BUFF
Em
C2406
1
1
fv
ii~.
C~4..03
"f"~~'!:.l"'t:
~·-·5--~~·t:.
I
3.9
:CHj.P
~
-<Q
R2m
100
'I~
:CHIP
I tz416
"\!:'.,
l''v
R24~~~!2415
1Dt~
0.1
:CHIP :CHIP
! :
~
!
"i,t~
PROTECT
i L
___
,.;i,l,j
;
AAf~~~~llll'E
,.R2~~i~~~·-~~~.,··~,~~~~-·~·~~~~~~~t
i i , I f .
::~
;::#..,~'~.~~a.
. .
Cj'tl
I
:!:
..
"'~
1,.
i
CN2404
~/0
oCHI
ci't'
I
..
·'~
loo
~----+-++-HI-+_J
1
:
r l I ;vv
!JELAY
•CHI
ci't3
I
:!:.',!."t'
: j
3
' A IN/SUB
oCHI
I'
IF•C'HIP
I : ,
XT
SYNC
"-:lt.
: I 5 G
rl~l-~f-.llll."~R34.ol~~:tilf'"--wo~-A2"'J.''""':..:.71'iJl0111L'"----l--'
I : .
CH
ON/OFF
JJ:
: I ' ! '"''
I : 7
ALLY
·,"r'JIP
: I
liNE
B
,.-
~
I T
C,2.413
L..Jz..:.:."'
L---
I ' '
t>Ne
c'"'r~7L
I
0.1
:
Nil
•CHIP
R2''"'
I i
:~
Nil
r-19~t-~t~·~~~~"·a~··-~~·,•··~,~~~'•'~··----1---+--1--i-------~~~
1
:
1:
12
~I
NE
A
,odJ;'f
iz.--.¥A.-
.••
!l'~~a..
.,~,~~"
i i
::
:
lNE/RGB
r1qci~'t~9r-~~~~~~~~~~------i------+--i---~------------~
: :
IS
13N!J
oCHIP~
,.~~~'"
I I " i l
CH
ON/OFF
: :
17
:
REMOTE
~2Ws
~~F•'
IP
! !
18
INE
C~~(E"C'~~i'~
~'.
L.::!...f-l.DJ'":R2L~:.CIIll~'"!..._--_j<7~
1
;R2::.tll~'lf_"--------_j
i i
..
/s
"r....::
' . .
16:9
l-
ll-._
•••••
i
[.
__
~_j
'
t::::=.-1
...,
~lz'ls's
lr
r-*'..:.::..t'..lliL
,.;~...l.~.'"~
1
JI!_•·~-"&Z~·
..
'.u:;;o~w"'•
1!._•-------"""'f---+-------
'-------·J
PROTECTIJ
r:·j
lit-=....-,:...:·
'"UIJ~R2L'';.~:·'
la3we.··---~"!1..:"'.:.ii:"'liil~'.
L.."---------1--_j
.....
R2J82
:CHIP
C~lr
TO
9ERIAl
REMOTE
•----
_
---
-
_52_
..
_;-c::
__
·--~~-
-=:.
----
-
OPTION
----
-
---
-
----
-
-----
-
----
-
---
-S~/C
-75-