EasyManua.ls Logo

Sony PVM-20M2U - Page 64

Sony PVM-20M2U
92 pages
Print Icon
To Next Page IconTo Next Page
To Next Page IconTo Next Page
To Previous Page IconTo Previous Page
To Previous Page IconTo Previous Page
Loading...
0
11
12
13
---
-
---
-
---
-
---.
3
AC
NEUT
2
NC
I
AC
LIVE
I
~4
C2f
-L
·VH
I V
TO
~
BOAR!l
I
I
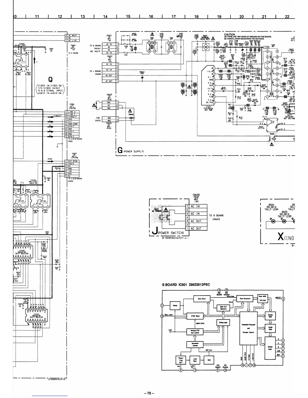
Q
(
VItlEO
IN.
Vl!lEO
SW,)
Y/C-VItlEO
IN/OUT
R.
G.
B 5 I
GNAL
INPUT.
AUtliO
IN.
AUtl!O
SW
SYNC
LINE A
LINE C
3 Vl!lEO·Y
-
-4
OND
5 S·C
6
RGB·COMP
R/R-Y
GN!l
9 G/G-Y
ro
GN!l
II
B/B-Y
TO
A
t2/3)
B04R9
CN301
~7
•S-Ht'i!Ro
EXT·SYNC
AU!liO
3
sv
R2rs
GN!l
~!!12
,tti(p
12V
TO
A
lZ/3)
BOAR!l
CN30Z
_____________
....J
B-559536<U/C>-Q
••
14
15
16
17
18
TO
0
BOAR!l
CN2401
lAC
INLETI
TO
J
BOAR!l
t=~o~=1:ll-------:;;:;:------------_j
CN608
~~~~=j~-------~~--------------t--t-~
'111'601
F~
~==~~~::Jict====f==~~
CHECK
L
!l!7C
CN609
2P
\IHT
•MINI
!CoOl
STR-M6524
REF
P\IH
19
20
21
CAUTION
AS
THERE
ARE
T\'10
KINOS
OF
GROUND
ON
THIS
BOARD,
BE
CAREfUL
WHEN
MEASURING
THE
VOLTAGES.
C6
I 3
C638
R603
R62lR630
0.47
0.47
C614
39• 39• 39•
L601
630V
630V
VM602
0.022
~ ~ ~
2DO•H
•HPS
•II'S
430V
630V
•RS
•RS
;RS
R612
82
C618
10
SOY
R613
l.Sk
J.
R629
4.711
112W
•RN
PH601
PCIIIYS
R615
,!,
4.7H
'(,ill
22
IC
STR-
+B
Cl
FB603
0.4SUH
fl612
fl617
R!l16ESB1
REF
VOL
TAG£
103.5
104.2
RY'ar:
..
~----------------------~·~tprG•·-----------~
I G
(POWER
SUPPL
Yl
I
J(POWER
SWITCH)
L---
7
t,
5
4
3
z
B-SS953b<U/C>-J
••
CN608
7B4P
WHT
:VH
AC
IN
AC
IN
TO
G
BOARfl
AC
OUT
CNbOZ
AC
OUT
S
BOARD
!C!01
ZS.522812PSC
-76-
'&
.---
I
l
fl004
SEL3810
TALLY
LEfl4
f)Q1
SEL~
TALLY
fl003
SEL3810
TALLY
LEfl3
~~
B-!