EasyManua.ls Logo

Sony RM-IP500 - Connection with ILME-FR7

Sony RM-IP500
86 pages
Print Icon
To Next Page IconTo Next Page
To Next Page IconTo Next Page
To Previous Page IconTo Previous Page
To Previous Page IconTo Previous Page
Loading...
27
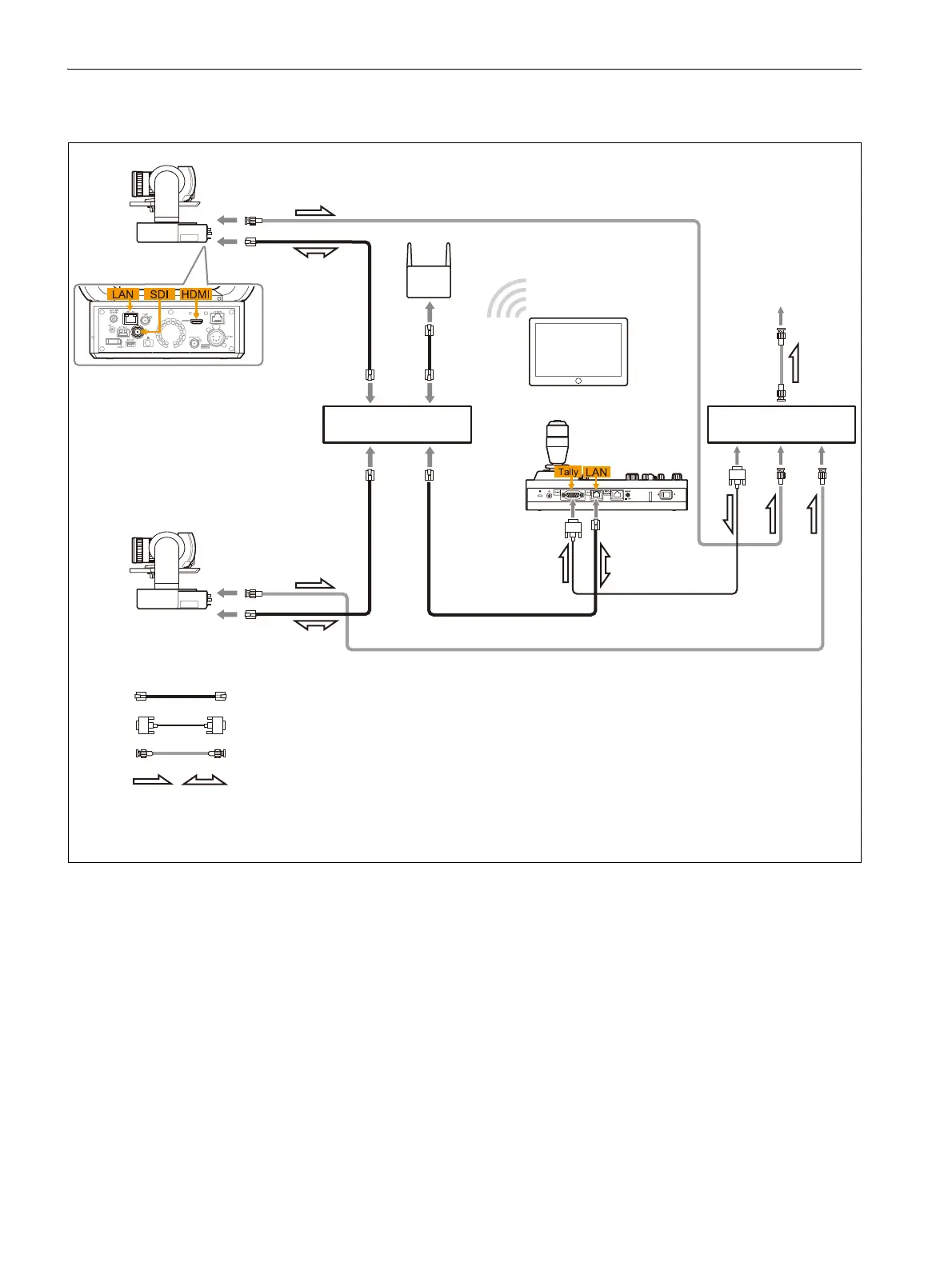
Connection with ILME-FR7
The following diagram shows a connection example for operating an ILME-FR7.
Remote control signal: LAN straight cable (Category 5e or higher)
Tally/contact signal: Connection cable
*1
Video signal: Connection cable with BNC connectors or HDMI cable
Signal flow
Wi-Fi router
Video switcher
Web app
*1 Use a connection cable designed for the switcher being used. For the specifications of the GPI I/O connector
of the unit, see “Pin assignments” (page 83).
Switching hub
Tablet
To video monitor
RM-IP500
ILME-FR7
SDI or
HDMI
LAN
ILME-FR7
SDI or
HDMI
LAN

Table of Contents

Related product manuals