EasyManua.ls Logo

Sony RM-YD010 - Page 11

Sony RM-YD010
114 pages
Print Icon
To Next Page IconTo Next Page
To Next Page IconTo Next Page
To Previous Page IconTo Previous Page
To Previous Page IconTo Previous Page
Loading...
KF-42E200A/42E201A/50E200A/50E201A
KF-42E200A/42E201A/50E200A/50E201A
11
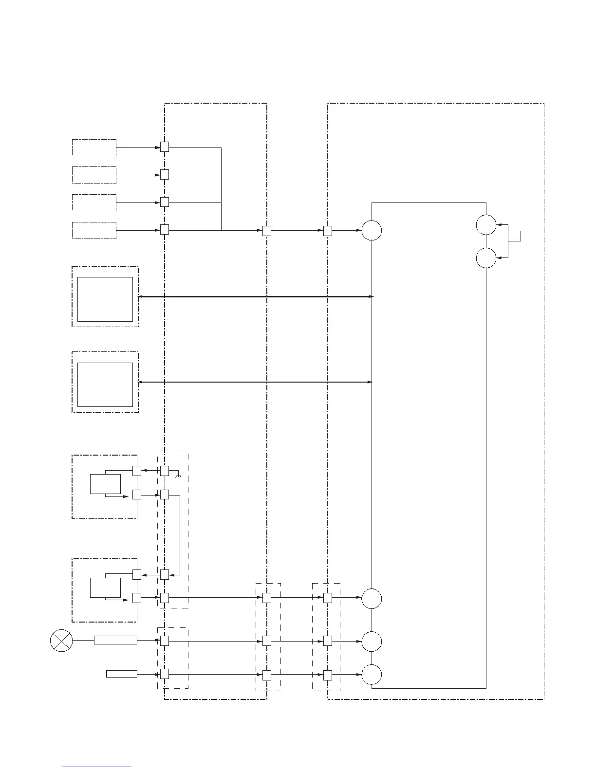
SELF-DIAGNOSTIC BLOCK DIAGRAM
FAN 1
FAN 2
FAN 3
FAN 4
S2 BOARD
IC160
TEMP
SENSOR
IC110
TEMP
HB BOARD
SENSOR
G BOARD B2 BOARD
137
I_FAN_PROT
129
126
LB-ERROR
D_OVP
10.5V
I2C
I2C
I2C
I2C
T1 BOARD
T2 BOARD
3
1
SW
3
SW
1
HV-DET
LAMP DRIVER
150
I_LAMP_COVER
I_LAMP_PROT
151
I_HV_DET
152
IC3002
TV Micro-computer
3
3
2
2
CN6800
CN6805
CN6801
CN6802
9
8
10
11
7
1
CN6804
CN6803
10
6
12
CN6904
2
CN6904
CN3002
2
CN3002
12
6
10

Table of Contents

Related product manuals