EasyManua.ls Logo

Sony RM-YD010 - SCHEMATICS AND SUPPORTING INFORMATION

Sony RM-YD010
114 pages
Print Icon
To Next Page IconTo Next Page
To Next Page IconTo Next Page
To Previous Page IconTo Previous Page
To Previous Page IconTo Previous Page
Loading...
42
KF-42E200A/42E201A/50E200A/50E201A
KF-42E200A/42E201A/50E200A/50E201A
1 | 2 | 3 | 4 | 5 | 6 | 7 | 8 | 9 | 10 | 11 | 12 | 13 | 14 | 15 | 16 | 17 | 18 | 19 | 20 | 21 | 22 |
A
B
C
D
E
F
G
H
I
J
K
L
M
N
O
P
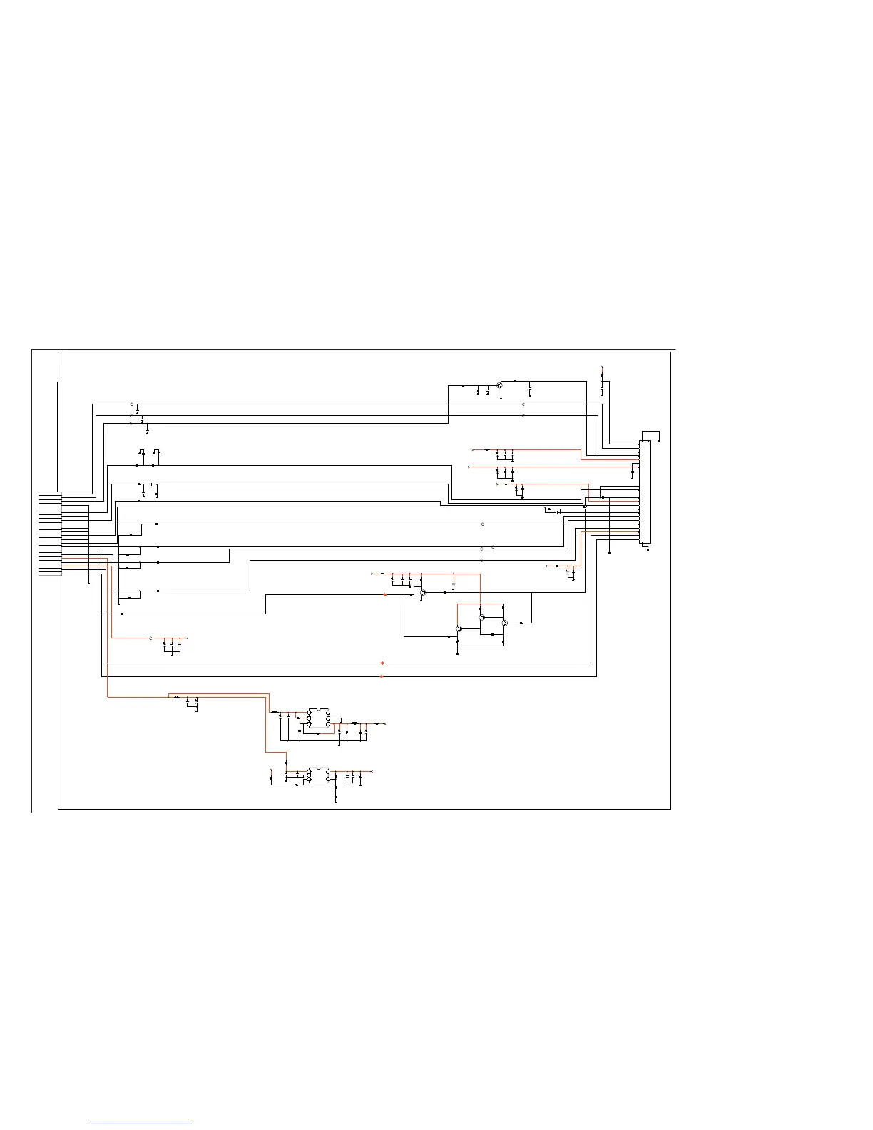
A BOARD SCHEMATIC DIAGRAM
3-4. SCHEMATICS AND SUPPORTING INFORMATION
Due to the complexity of this board, performing component level fi eld repairs is not recommended. If service is required, complete block assembly replacement is the preferred repair method.
CHIP
0
R1003
CHIP
0
R1004
CHIP
0
R1005
CHIP
0
R1006
1/10W
RN-CP
5%
1k
R1007
1/10W
RN-CP
5%
1k
R1008
1/10W
RN-CP
5%
1k
R1009
1/10W
RN-CP
5%
1k
R1010
1/10W
RN-CP
5%
2.2k
R1013
1/10W
RN-CP
5%
2.2k
R1014
0uH
FB1000
0uH
L1000
10V
100
C1000
3216
10V
4.7
B
C1001
1608
16V
0.1
B
C1002
1608
16V
0.1
B
C1003
16V
47
C1004
1/10W
RN-CP
5%
22k
R1015
22uH
L1001
16V
47
C1005
1608
50V
0.022
F
C1006
1.2mH
L1002
1608
50V
0.022
F
C1007
123
456
TK11819MTL
IC1000
1/10W
RN-CP
5%
1k
R1016
50V
4.7
C1008
1/10W
RN-CP
5%
100k
R1017
2012
50V
0.1
F
C1009
50V
4.7
C1010
22uH
L1003
1/10W
RN-CP
5%
1k
R1018
CHIP
0
R1019
3216
16V
4.7
B
C1011
1608
16V
0.1
B
C1012
1/10W
RN-CP
5%
100
R1021
54
321
MIC5235YM5TR
IC1001
1/10W
RN-CP
0.5%
470k
R1022
1/10W
RN-CP
0.5%
68k
R1023
1/10W
RN-CP
0.5%
6.8k
R1024
3216
16V
4.7
B
C1013
1608
16V
0.1
B
C1014
UDZSTE-1710B
D1000
0uH
FB1001
0uH
FB1002
0uH
FB1003
0uH
FB1004
10uH
L1004
16V
100
C1015
3216
16V
4.7
B
C1016
1608
25V
0.1
F
C1017
1608
16V
0.1
B
C1018
2SA1235TP-1EF
Q1000
10uH
L1005
16V
47
C1019
1608
25V
0.01
B
C1020
10uH
L1006
1608
25V
0.01
B
C1022
1608
25V
0.1
F
C1023
CHIP
0
R1031
50V
4.7
C1025
1608
50V
1000p
B
C1027
10V
470
C1028
1608
25V
0.01
B
C1029
1608
50V
1000p
B
C1030
0uH
FB1005
0uH
FB1006
1/10W
RN-CP
5%
100
R1032
2SC3052EF-T1-LEF
Q1001
1/10W
RN-CP
5%
15k
R1033
2012
10V
2.2
B
C1032
1608
50V
1000p
B
C1035
1/10W
RN-CP
5%
10k
R1034
1608
16V
0.1
B
C1024
1/10W
RN-CP
5%
100
R1038
CHIP
0
R1039
2SA1235TP-1EF
Q1002
2SC3052EF-T1-LEF
Q1003
2SC3052EF-T1-LEF
Q1004
1608
1/10W
RN-CP
5%
R1040
100
1/10W
RN-CP
5%
100
R1041
1/10W
RN-CP
5%
1k
R1042
1/10W
RN-CP
5%
1k
R1043
1/10W
RN-CP
5%
1k
R1044
1/10W
RN-CP
5%
470
R1045
10uH
L1007
1/10W
RN-CP
0.5%
100k
R1030
ADR
AGC IN
A5V
IF OUT
A32V
D_IF1
D_IF2
AGND
AFT_OUT
DET_OUT
AGND
SAP_ID
TU SDA
TU SCL
A5V_VIF
ST_ID
IF_AGC
MODE
F_MONO
A9V_MPX
R_OUT
L_OUT
TU1000
5V
9V
32V
9V
5V
32V
5V
5V
9V
5V
0uH
FB1007
0uH
FB1008
0uH
FB1009
1608
50V
33p
CH
C1036
1608
50V
33p
CH
C1037
1608
50V
33p
CH
C1038
1608
50V
15p
CH
C1039
1608
50V
15p
CH
C1040
1608
50V
15p
CH
C1043
1608
50V
15p
CH
C1044
1608
50V
1p
CK
C1041
1608
50V
1p
CK
C1042
1/10W
RN-CP
5%
10k
R1047
1608
50V
1000p
B
C1045
6.3V
1000
C1021
1/10W
RN-CP
5%
22k
R1012
1/10W
RN-CP
5%
22k
R1011
1/10W
RN-CP
5%
1k
R1025
1608
50V
0.022
F
C1026
1608
50V
33p
CH
C1048
1
2
3
4
5
6
7
8
9
10
11
12
13
14
15
16
17
18
19
20
21
22
22P
CN1002
BLK
NTCS_L
NTSC_R
5.1V
SAP_ID
10.5V
F_MONO
DET_OUT
ST_ID
AFT_OUT
GND
IF_AGC
GND
GND
MODE
D_IF2
GND
D_IF1
GND
GND
AGC_MUTE
D_SCL
D_SDA
1608
CHIP
R1046
0
ABoard
TUNER
A-1175-419-A <LA4>A
TO BBOARD
CN7802
AGC-MUTE
VIDEO-BUFF
VIDEO
R
L
DC-DC CONV.
LDO REGULATOR
INVERTER
BUFFER
BUFFER

Table of Contents

Related product manuals