EasyManua.ls Logo

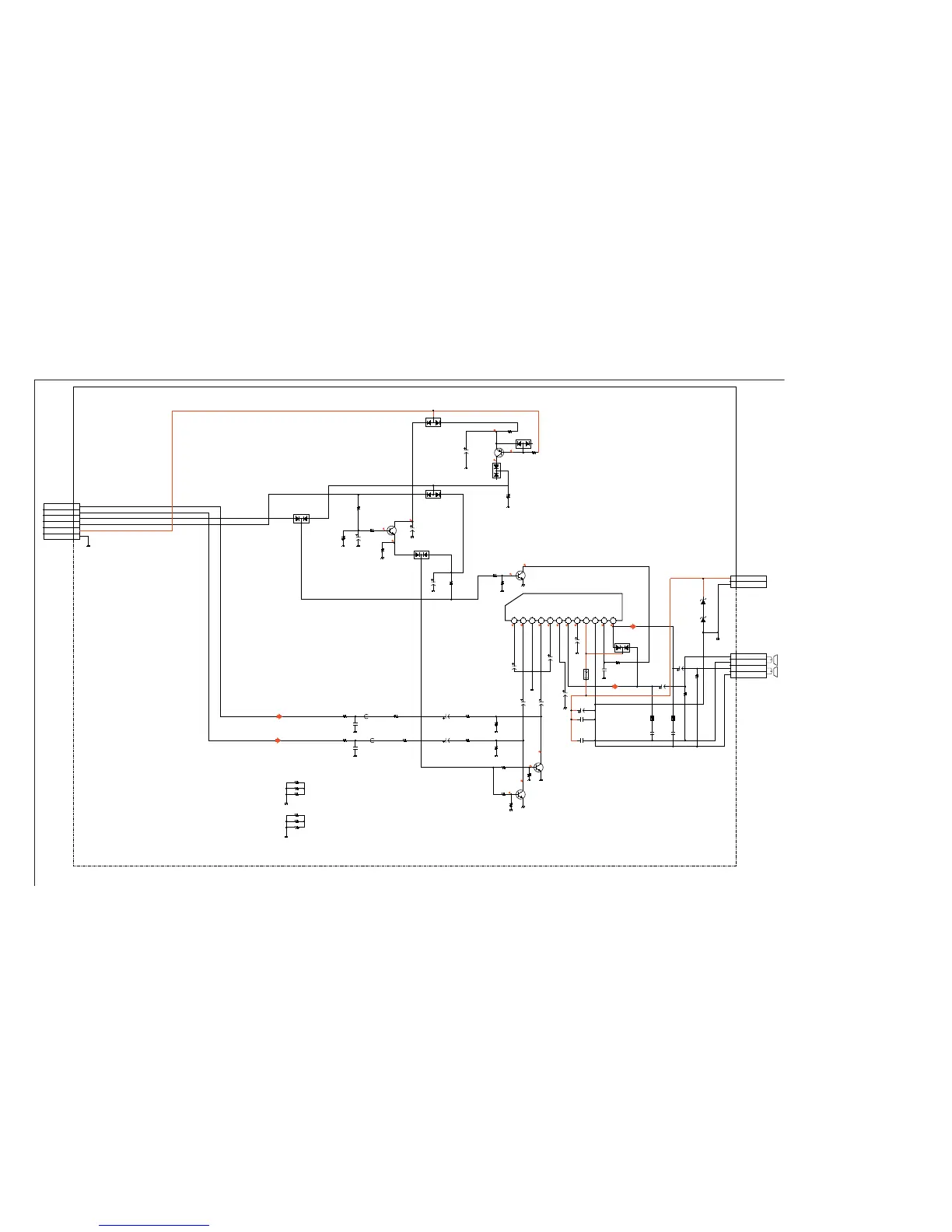
Sony RM-YD010 - K Board Schematic Diagram

Sony RM-YD010
114 pages
Print Icon
To Next Page IconTo Next Page
To Next Page IconTo Next Page
To Previous Page IconTo Previous Page
To Previous Page IconTo Previous Page
Loading...
62
KF-42E200A/42E201A/50E200A/50E201A
KF-42E200A/42E201A/50E200A/50E201A
1 | 2 | 3 | 4 | 5 | 6 | 7 | 8 | 9 | 10 | 11 | 12 | 13 | 14 | 15 | 16 | 17 | 18 | 19 | 20 | 21 | 22 | 23 | 24
A
B
C
D
E
F
G
H
I
J
K
L
M
N
O
P
K BOARD SCHEMATIC DIAGRAM
0uH
FB2501
0uH
FB2500
1608
50V
2200p
B
C2524
1608
50V
2200p
B
C2525
1608
1/10W
5%
220
R2523
1608
1/10W
5%
220
R2524
CHIP
0
R2525
CHIP
0
R2526
50V
2200
C2522
1
2
3
4
4P
CN2500
L+
GND
R+
GND
1608
1/10W
5%
4.7k
R2528
2SC3052EF-T1-LEF
Q2501
50V
MPS
0.1
C2520
1608
1/10W
5%
10k
R2505
1608
1/10W
5%
10k
R2514
16V
1000
C2500
50V
1
C2507
2SC3052EF-T1-LEF
Q2502
1608
1/10W
5%
220
R2513
50V
MPS
0.1
C2521
50V
MPS
0.1
C2512
1608
CHIP
0
R2500
1608
50V
1000p
B
C2513
1/4W
FPRD
2.2
R2518
1608
1/10W
5%
220
R2516
50V
10
C2516
1608
1/10W
5%
4.7k
R2527
16V
470
C2506
1608
1/10W
5%
1k
R2517
25V
47
C2501
1608
1/10W
5%
10k
R2515
1608
1/10W
5%
1k
R2501
1608
1/10W
5%
1k
R2506
50V
10
C2502
1608
1/10W
5%
1k
R2504
1608
1/10W
5%
2.2k
R2510
16V
470
C2503
2SC3052EF-T1-LEF
Q2503
1608
1/10W
5%
1k
R2503
25V
220
C2510
50V
2200
C2523
50V
2200
C2511
2SC3052EF-T1-LEF
Q2500
1608
1/10W
5%
2.2k
R2509
1/4W
FPRD
2.2
R2519
1608
25V
0.1
F
C2509
2SA1235TP-1EF
Q2504
50V
10
C2517
UDZSTE-1722B
D2504
UDZSTE-1722B
D2505
2A
PS2500
1608
1/10W
5%
10k
R2529
MC2838-T112-1
D2510
MC2838-T112-1
D2506
MC2836
D2507
MC2836
D2508
MC2836
D2509
MC2838-T112-1
D2513
MC2838-T112-1
D2511
50V
1
C2515
50V
1
C2514
CHIP
0
R2530
CHIP
0
R2531
CHIP
0
R2532
CHIP
0
R2533
CHIP
0
R2534
CHIP
0
R2535
16V
1000
C2528
1
3
3P
CN2501
3P
WHT
AU_28V
AU_GND
1/10W
10k
R2520
5%
RN-CP
1/10W
10k
R2521
5%
RN-CP
1
2
3
4
5
6
6P
CN2502
GND
9V
A_MUTE
SP_MUTE
R
L
812345 976 0 11 12
IC2500
TA8216H
1608
1/10W
5%
2.2k
R2511
1608
1/10W
5%
2.2k
R2512
1608
1/10W
5%
10k
R2502
TO CN3005
BBOARD
AUDIO AMP
MUTE
MUTE
MUTE
MUTE
MUTE
1.6
0.1
0.1
1.6
9.7
13.7
5.1
4.2
13.2
0.0
0.0
0.0
0.0
2.5
1.8
9.7
10.4
10.2
-0.3
4.2
0.0
KBOARD
AUDIO OUT
A-1175-422-A <LA4>K
TO G BOARD
CN6002
TO SPEAKERS
R
L
L
R
1

Table of Contents

Related product manuals