EasyManua.ls Logo

Sony RMT-809 - BLOCK DIAGRAMS; Overall System Block Diagrams

Sony RMT-809
176 pages
Print Icon
To Next Page IconTo Next Page
To Next Page IconTo Next Page
To Previous Page IconTo Previous Page
To Previous Page IconTo Previous Page
Loading...
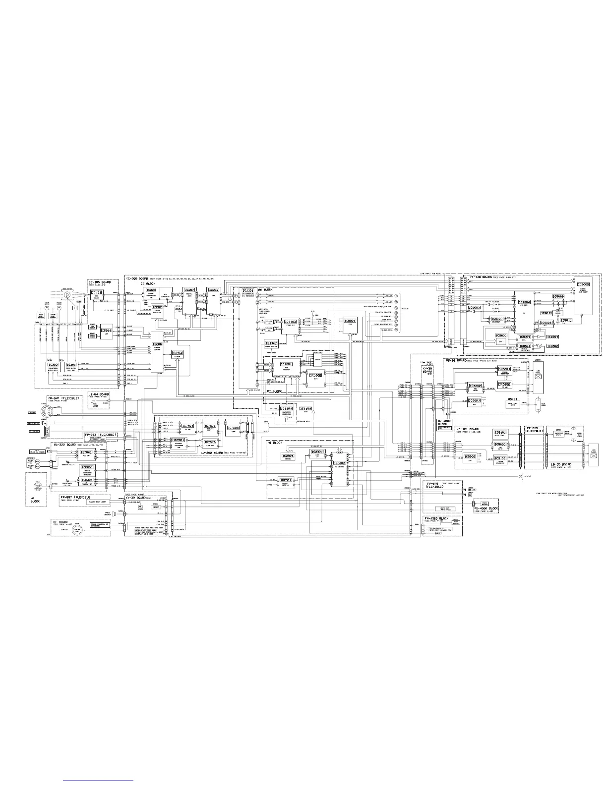
DCR-TRV9/TRV9E
SECTION 3
BLOCK DIAGRAMS
3-1. OVERALL BLOCK DIAGRAM (1)
3-1 3-2 3-3

Table of Contents

Related product manuals