EasyManua.ls Logo

Sony RMT-D217P - Tuner Schematic; AV-089 Tuner Diagram

Sony RMT-D217P
111 pages
Print Icon
To Next Page IconTo Next Page
To Next Page IconTo Next Page
To Previous Page IconTo Previous Page
To Previous Page IconTo Previous Page
Loading...
RDR-HX510
4-11 4-12
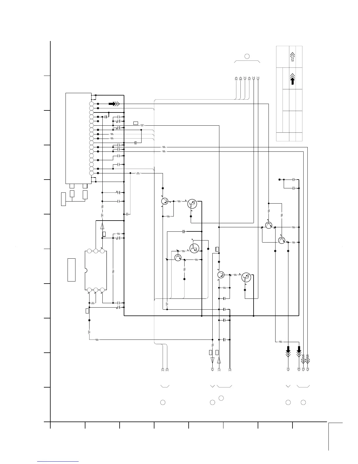
TUNER
AV-089 (4/8)
JL411
JL412
JL419
JL416
JL418
JL417
JL410
JL413
JL414
1k
R428
1k
R429
25V
C414
47u
10uH
L404
50V
0.1u
B
C409
50V
10u
C410
MSD601-RT1
Q403
BC847CE6327
Q401
1k
R405
1k
R407
100
R411
100
R412
10uH
L402
0.1u
B
C408
16V
TUDV
TU_VIDEO
27k
R415
100k
R414
JL404
100
R410
JL406
MUN2213T1
Q407
BC847CE6327
Q405
TU_AFT
TU_AUTOP
TU_G_MAX
TU_PCONT
JST
JL402
JL403
100
R420
50V
10u
C407
100k
R418
1k
R409
TK11819MTL
IC401
1
V-IN
2
OSC
3
DK
4
V-OUT
5
GND
6
T1
0.1u
B
C405
50V
1mH
L403
10uH
L401
16V
47u
C401
TU401
NC
1
JST
2
NC
3
AS
4
NC
5
L_OUT
6
R_OUT
7
GND
8
SCL
9
SDA
10
AGC
11
5V
12
IF_AGC
13
30V
14
GND
15
AFT
16
VIDEO
17
JL415
TU_SDA
TU_SCL
UNSW5V
DGND
0.1u
B
C416
16V
100u
C415
10uH
L406
0.1u
B
C406
10k
R406
2SB1197K-T-146-R
Q404
UN2211-TX
Q402
JL405
JL407
470
R413
JL408
JL409
L405
10uH
100
R422
0
R423
AM
SIF
JL401
TU5V
2W
R475
0
2W
0
R477
50V
100p
C446
50V
100p
C447
10p
C449
C452
0.001u
0
R479
0.001u
C453
0.001u
C454
22p
CH
C455
0.001u
C456
0.001u
C457
JL433
0.001u
C459
0.001u
C458
2SB1197K-T-146-R
Q412
TU_BST_C
JL432
10k
R439
JL430
1k
R441
Q410
UN2211-TX
1
A
0.1u
B
C422
TU_SDA
TU_SCL
TU_AFT
TU_AUTOP
TU_G_MAX
AGC
TU_G_MAX
TU_AUTOP
TU_AFT
JST
TU_SDA
TU_SCL
JST
AGC
SWITCH
SWITCH
SWITCH
BUFFER
TU PWR SW
SWITCH
BUFFER
BUFFER
TUNER
IN
OUT
AERIAL
30V REG
IC401
B+
B+
B+
B+
B+
B+
22
TO(5/8,6/8,7/8)
9
TO(2/8)
8
TO(1/8,6/8)
24
TO(6/8)
TO(2/8)
10
TO(5/8)
25
-REF.NO.:10,000 SERIES-
XX MARK:NO MOUNT
AV-089 BOARD(4/8)
TUNER
2
G
F
8463
H
D
E
710
B
C
5 119
16
Y/CHROMAY SIGNAL
PB
REC
VIDEO SIGNAL
AUDIO
CHROMA
5.0
4.6
33.9 32.4
5.1
4.1
3.6 4.1
0
5.2 5.1
4.4
0.1
4.9
5.0
2.1
1.5
2.1
1.5
0
5.0
4.4
5.15.1
NO MARK:REC/PB MODE

Table of Contents

Related product manuals