EasyManua.ls Logo

Sony SA-FT3H - Schematic Diagram - Main Section

Sony SA-FT3H
20 pages
Print Icon
To Next Page IconTo Next Page
To Next Page IconTo Next Page
To Previous Page IconTo Previous Page
To Previous Page IconTo Previous Page
Loading...
1010
SA-FT3H/WFT3/SS-CNF3H/FRF3H
SA-FT3H/WFT3/SS-CNF3H/FRF3H
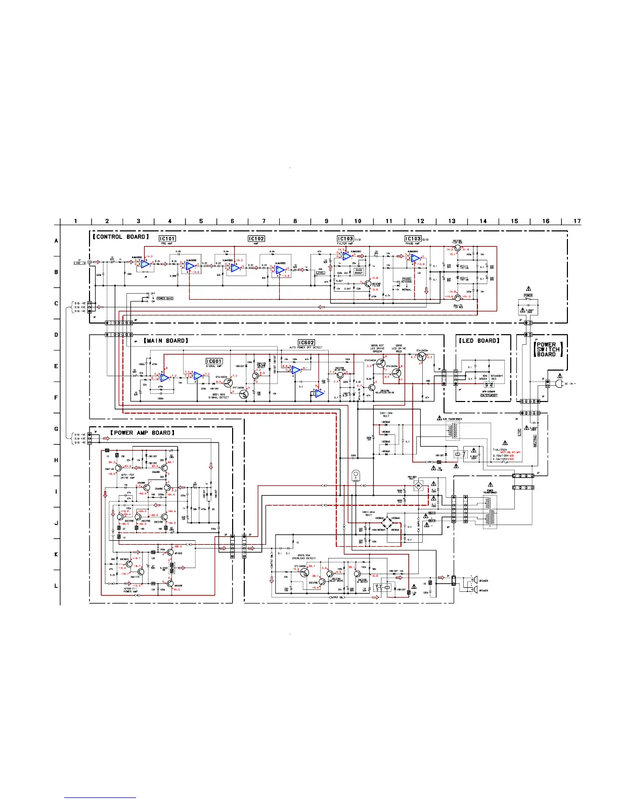
2-4. SCHEMATIC DIAGRAM — MAIN SECTION —
NJM2904D
NJM2904D
NJM2904D
NJM2904D
C301
S201
BC401
BC903
D701
D702
R701
R702
R704
R708R709
R710R711
R715
R716
C701
C705
C706
C707
C711
R717
R718
R719
R720
R721
D703
D704
Q704
Q705
Q706Q707
Q708
Q709
Q710
Q711
D531
R501D501
R502R504
R505
C502
C503
BC202
BC601
D602
D603
C108 C109
C110 C111
RV101
RV102
C102
C112
R115
R117
R118
C116
R119
R120
R121
R122
C118
C119
C122
C123
R123
R124
C601
R601
R602
R603
R604
R605
R606
R608
R609
C606
R611
C605
C607
C609
C610
R613
R616
R615
R614
Q503
BC902
BC901
C125
C124
R113
R508
C602
R104 R105
R108
R111
R511
EP1
R619
Q703
Q702
Q701
R506
C101
D801
D802D803
D804
R801
R802
R114
R103
R116
C803
C804
R507
R109 R110
C7000
R112
R617
R621
R620
R102
R101
C121
R618
R707
R705
R706
R714 R713
C713
C115
C114
C117
C113
R126C105
C104
C120
D604
C611
C612
C608
R610
C302
CN402
C403
C404
R803
R804
C504
C511 C512
C712
C709
C703
C702
C704
T202
SP401
SP402
RY501
D502
C708
Q103
Q102
S102
D101
D102
S101
Q101
CN101
CN601
D601
Q604
Q605
Q603
BC904
BC905
CN702
CNP701 CNP702
C303
RY901
D901
F901
T1
D401
Q501
Q502
R722
IC101(2/2)
IC101(1/2) IC102(2/2)
IC102(1/2)
IC103(1/2)
IC601(1/2)
IC601(2/2)
IC602(2/2)
IC602(1/2)
BC602
C127
C128
BC201
C604
C603
Q601
Q602
R607
Q606
Q607
Q608
D202
C901
C902
D302
D301
D304
D303
C401
C402
C801
C802
C501
Q504
R703
R712
IC103(2/2)
J101
R100
C201
C710
R901
R503
R621
3.3K (US,CND)
1.5K (AEP, UK, MY, SP)
1
1
R619
10K (US,CND)
560 (AEP, UK, MY, SP)
2
2
R617
100 (US,CND)
JW
(AEP, UK, MY, SP)
3
3

Related product manuals