EasyManua.ls Logo

Sony SA-FT3H - Block Diagram

Sony SA-FT3H
20 pages
Print Icon
To Next Page IconTo Next Page
To Next Page IconTo Next Page
To Previous Page IconTo Previous Page
To Previous Page IconTo Previous Page
Loading...
77
SA-FT3H/WFT3/SS-CNF3H/FRF3H
SA-FT3H/WFT3/SS-CNF3H/FRF3H
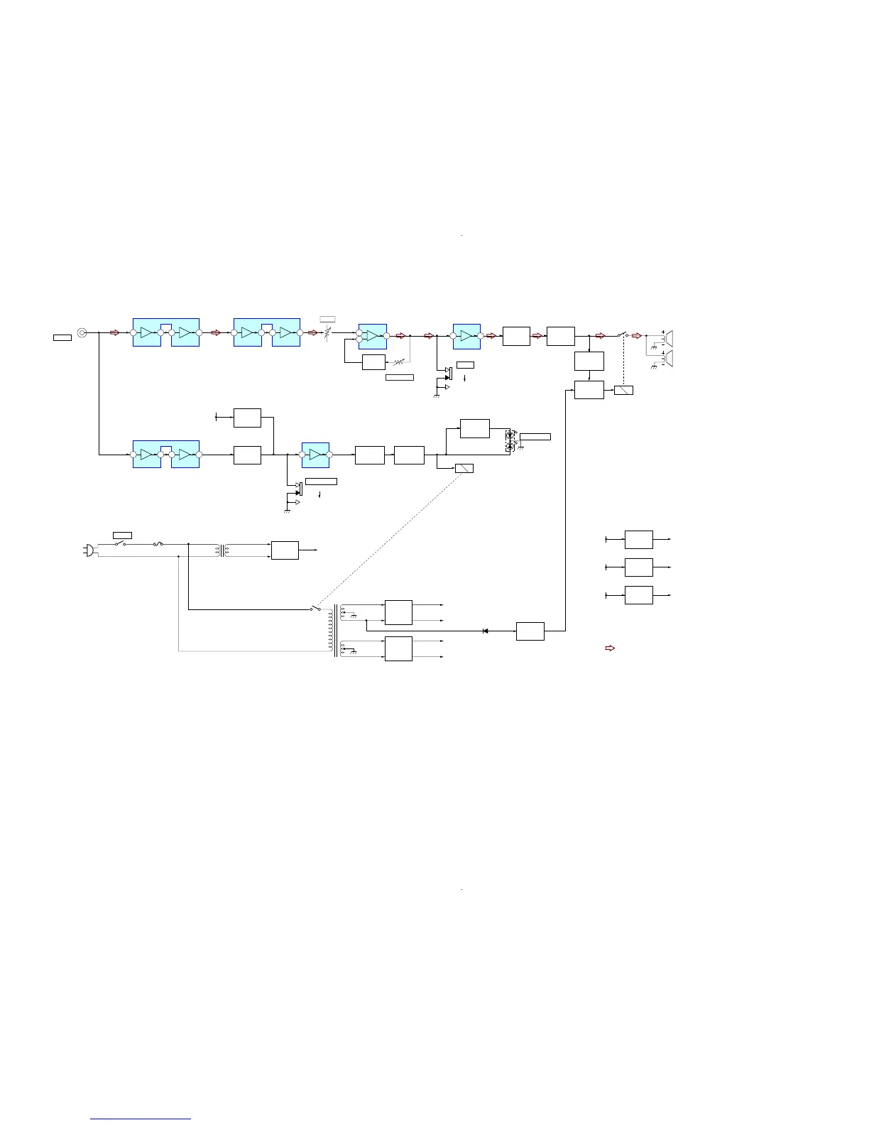
2-1. BLOCK DIAGRAM
PRE AMP
IC101
J701
LINE IN
3
2
1 75
DRIVE
AMP
Q701-707
FILTER
Q101
FILTER AMP
IC103 (1/2)
PHASE AMP
IC103 (2/2)
13
SIGNAL
DETECT
Q601,602
VOLTAGE
DETECT
Q603
+12V REG
Q102
RECT
D301-304
T202
SUB TRANSFORMER
LED DRIVE
(RED)
Q608
RELAY/LED
DRIVE
Q605
SIGNAL AMP
IC601
76 76
AUTO POWER OFF DETECT
IC602
RV102
BASS BOOST
RV101
LEVEL
OVERLOAD
DETECT
Q503,504
+30V +12V
SUB+9V
+85V
-85V
+30V
-30V
-30V -12V
SUB+9V +6.2V
SP401
SPEAKER
AC OFF
DETECT
Q501
D501
SUB+9V
T1
POWER TRANSFORMER
S101
POWER SAVE
S201
POWER
D202
ON/STANDBY
(STANDBY)
(ON)
OFF
AUTO
RY901
RY501
GREEN
RED
F901
AC IN
~
SP402
SPEAKER
S102
PHASE
REVERSE
NORMAL
75 13
AMP
IC102
75 13
RECT
D401
RECT
D801-804
RELAY
DRIVE
Q502
LED DRIVE
(GREEN)
Q606,607
POWER
AMP
Q708-711
• Signal path
: LINE
-12V REG
Q103
+6.2V REG
Q604

Related product manuals