EasyManua.ls Logo

Sony SA-WP785 - Printed Wiring Boards - Power Section; Power Section PWB Diagrams; Schematic Diagram - Power Section; Power Section Schematic

Sony SA-WP785
14 pages
Print Icon
To Next Page IconTo Next Page
To Next Page IconTo Next Page
To Previous Page IconTo Previous Page
To Previous Page IconTo Previous Page
Loading...
88
SA-WP785
SA-WP785
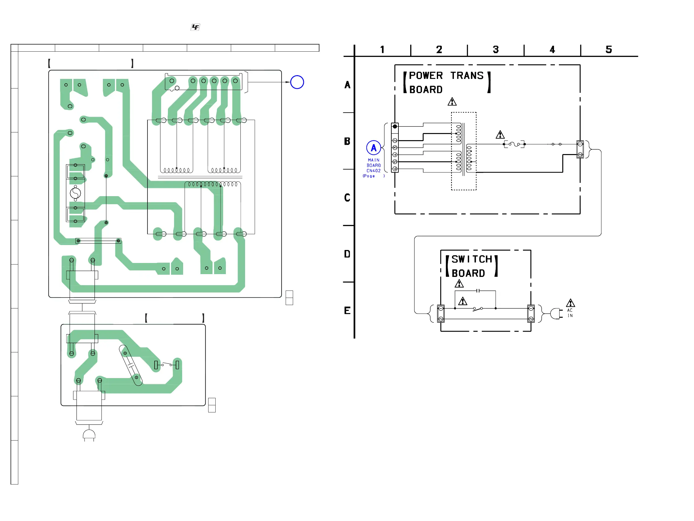
1-5. SCHEMATIC DIAGRAM — POWER SECTION —1-4. PRINTED WIRING BOARDS — POWER SECTION —
:Uses unleaded solder.
See page 3 for Circuit Boards Location.
POWER TRANS BOARD
SWITCH BOARD
1-869-083-
(11)
11
F901
T1
POWER
TRANSFORMER
12
12
12
(POWER)
AC
IN
A
MAIN BOARD
CN402
(Page 6)
1-869-086-
(11)
11
1
A
B
C
D
E
F
G
H
I
J
2 3 4 5 6 7
CN3
CN20
C901
S901
CN1
JW901
JW902
FH903
FH904
CNP401
CN3
CN1
JW1
CN20
FH903 FH904
CNP401
T1
F901
S901
C901
2P
2P
2P
6P
7
POWER
TRANSFORMER
(POWER)
0.0047 250V
T1AL/250V

Related product manuals