EasyManua.ls Logo

Sony SLV-ED15 - Audio Block Diagram

Sony SLV-ED15
79 pages
Print Icon
To Next Page IconTo Next Page
To Next Page IconTo Next Page
To Previous Page IconTo Previous Page
To Previous Page IconTo Previous Page
Loading...
SLV-ED15/ED25/ED33/ED39/ED55/ED66/ED85/ED88/ED89/ED95/EZ11/EZ22/EZ44/EZ66/EZ77
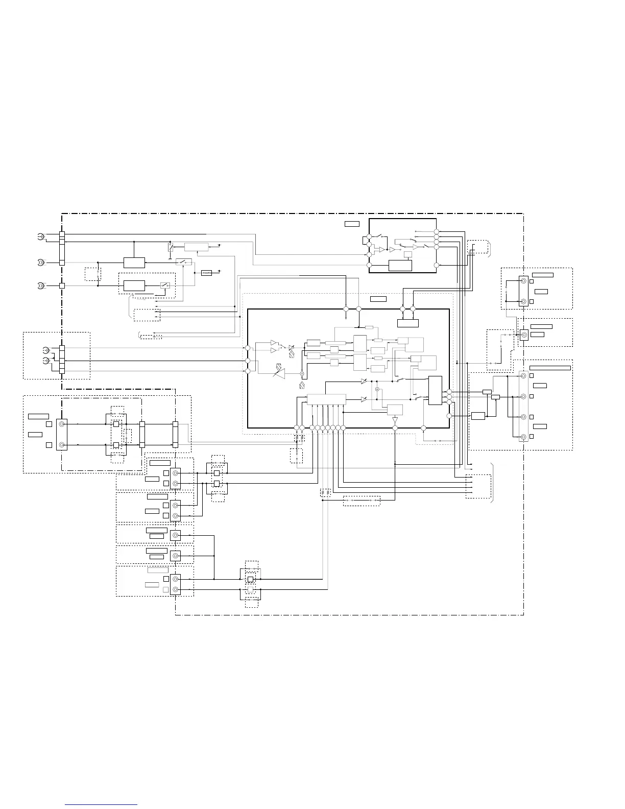
3-4. AUDIO BLOCK DIAGRAM
3-7 3-8
JS531
JS532
JS901
JS902
JS371
JS304
JS302
JS905
JS911
JS909
JS332
JS333
JS303
JS904
JS903
JS533
LINE 2 AUDIO L
4
R
LINE-2 IN
EXCEPT EZ66/EZ77
ED55/ED66
EZ66/EZ77
LINE 2 AUDIO R
1
EXCEPT EZ66/EZ77
CN531
4
FL
L
FJ-26 BOARD(2/2)
FL
AUDIO
(SEE PAGE 4-33)
CNJ901
EZ66/EZ77
ED85/ED88/ED89/ED95
FL
FL
CNJ531
LINE-1 IN
R
L
AUDIO
BIAS
ERASE
OSC
Q380
11
10
9
CH2
CH1
Hi-Fi
AUDIO HEAD
T372,Q381
ED66/ED88/ED95:MN,TH/EZ77
T371,Q375
BIAS
ERASE
OSC
HEAD CONTROL
SWITCH
Q374
Q372,Q373
HEAD SWITCH
4
3
1
1
AUDIO
REC/PB
HEAD
CN331
(SEE PAGE 4-9,19,23)
MA-377 BOARD (3/5)
EXCEPT
ED66/ED88/
ED95:MN,TH/EZ77
AUDIO
ERASE
HEAD
FULL
ERASE
HEAD
SW5V
SERVO/SYSTEM
CONTROL
SEE PAGE
3-5
(
(
REC P
NA PB
AF SWP
AF ENV
FULL ERASE
ED85/ED88/ED89/ED95/EZ66/EZ77
ED85/ED88/ED89/ED95/EZ66/EZ77
35
37
BPF
1.3/1.4
BPF
1.7/1.8
HF LIMITER
HF LIMITER
HF
LF
PLL
1.3MHZ
1.4MHZ
CC0
PLL
1.7MHZ
1.8MHZ
CC0
HF
LF
AUDIO
CLIPPER
AUDIO
CLIPPER
S&H
S&H
AUDIO
LPF
NOISE
REDUCTION
NOISE
REDUCTION
AUDIO
LPF
OUTPUT
SELECT
INPUT SWITCH
1
3
2
7
6
11
10
DOC
S&H
NORMAL
SELECT
21
22
17
16
13
41
44
42
43
IIC DATA
DECODER
VOL R
VOL L
ED85/ED88/ED89/ED95/EZ66/EZ77
IC360
Hi-Fi AUDIO
PROCESS
4
5
EXCEPT ED85/ED88/ED89/ED95/EZ66/EZ77
)
TUNER L
TUNER R
TUNER
SEE PAGE
3-9
TUNER M
MOD AUDIO
TU AU OUT
ED85/ED88/ED89/ED95/EZ66/EZ77
TU AUDIO
(
(
A MUTE
DATA
(IIC)
SERVO/SYSTEM
CONTROL
SEE PAGE
3-5
CLOCK
(IIC)
ED85/ED88/ED89/ED95/EZ66/EZ77
4
1
2
11
99
7
8
9
VCA
R
P
IIC
IC201
NORMAL
AUDIO PROCESS
Q376
SW12V
7
REC
EQUALIZER
CN332
PS331
ED85/ED88/ED89/ED95/
EZ66/EZ77
CNJ902
36
CN201
CNJ903
AUDIO
ED55/ED66/EZ44
AUDIO
CNJ904
ED55/ED66
ED55/ED66/ED88/ED89/ED95/EZ66/EZ77
ED88:ME,SG/ED89/ED95:MN,TH
L
ED88MJ/EZ77
AUDIO
FL
LINE-3 IN
FL
R
EXCEPT ED85/ED88MJ/ED95MI/
EZ11/EZ22/EZ44/EZ66/EZ77
ED85/ED88/ED89/ED95
Playback amplication
Record Current
Camer Ratio
Record Mute
FL531
FL532
05
FL903
FL904
FL902
FL901
NA PB
AF ENV
VIDEO
(SEE PAGE 3-3,4)
14MUTE
MUTE
CONTROL
Q337
MUTE
MUTE
Q339
Q338
(2/2)
100
LINE-1 IN
R
L
AUDIO
LINE-1 IN
AUDIO
LINE-1 IN
AUDIO
(2/3)
(2/2)
CN901
(2/2)
CNJ905
(3/3)
CNJ904
(3/3)
CNJ903
(3/3)
CNJ901
ED85/ED88/ED89/ED95/
EZ66/EZ77
(2/2)
MUTE
(2/2)
(2/2)
ED88/ED89/ED95/
EZ66/EZ77
ED88/ED89/
ED95:MN,TH/EZ77
EXCEPT ED85/ED88/ED89/ED95/
EZ66/EZ77
(2/3)
LINE-1 OUT
R
L
(2/3)
LINE-1 OUT
ED15/ED25/ED33/ED39/
EZ11/EZ22
LINE-1 OUT/LINE-2 OUT
AUDIO
L
R
(2/2)
L
R
AUDIO
ED88/ED89/ED95:MN,TH/EZ77
ED85/ED95MI/EZ66
ED15/ED25/ED33/ED39/EZ11/EZ22
ED55/ED66/EZ44
ED88/ED89/ED95:MN,TH/EZ77
ED88MJ/EZ11/EZ22/EZ44/EZ77
(

Table of Contents

Related product manuals