EasyManua.ls Logo

Sony SLV-ED40PS - MF-317 (MODE CONTROL, FRONT IN) PRINTED WIRING BOARD AND SCHEMATIC DIAGRAM

Sony SLV-ED40PS
140 pages
Print Icon
To Next Page IconTo Next Page
To Next Page IconTo Next Page
To Previous Page IconTo Previous Page
To Previous Page IconTo Previous Page
Loading...
SLV-ED10/ED40/ED60/ED70/EZ10/EZ40/EZ60/EZ70
4-35 4-36
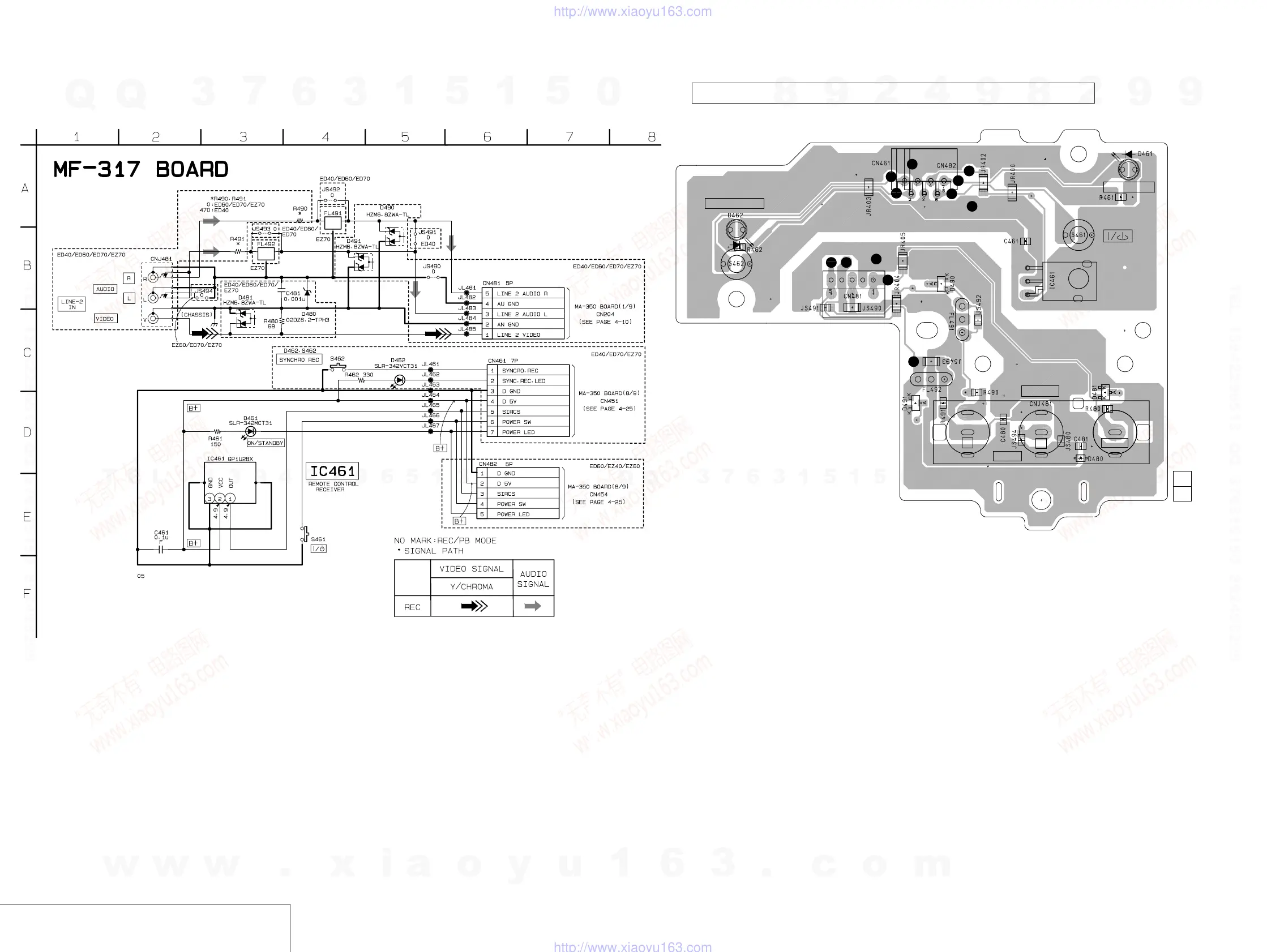
MODE CONTROL, FRONT IN
MF-317
MF-317 (MODE CONTROL, FRONT IN) PRINTED WIRING BOARD AND SCHEMATIC DIAGRAM
– Ref. No.: MF-317 board; 2,000 series –
– SLV-ED40/ED60/ED70/EZ40/EZ60/EZ70 –
There are few cases that the part isn't mounted in this model is printed on this diagram.
SYNCHRO REC
05
1-673-286-
11
MF-317
BOARD
(11)
D462,S462
3
2
1
ON/STANDBY
LINE-2 IN
VIDEO
L
R
AUDIO
w
w
w
.
x
i
a
o
y
u
1
6
3
.
c
o
m
Q
Q
3
7
6
3
1
5
1
5
0
9
9
2
8
9
4
2
9
8
T
E
L
1
3
9
4
2
2
9
6
5
1
3
9
9
2
8
9
4
2
9
8
0
5
1
5
1
3
6
7
3
Q
Q
TEL 13942296513 QQ 376315150 892498299
TEL 13942296513 QQ 376315150 892498299
http://www.xiaoyu163.com
http://www.xiaoyu163.com

Table of Contents

Related product manuals