EasyManua.ls Logo

Sony SLV-SE30 - Audio Block Diagram

Sony SLV-SE30
75 pages
Print Icon
To Next Page IconTo Next Page
To Next Page IconTo Next Page
To Previous Page IconTo Previous Page
To Previous Page IconTo Previous Page
Loading...
SLV-SE10/SE20/SE25/SE30/SE40/SE45/SX10/SX25/SX40
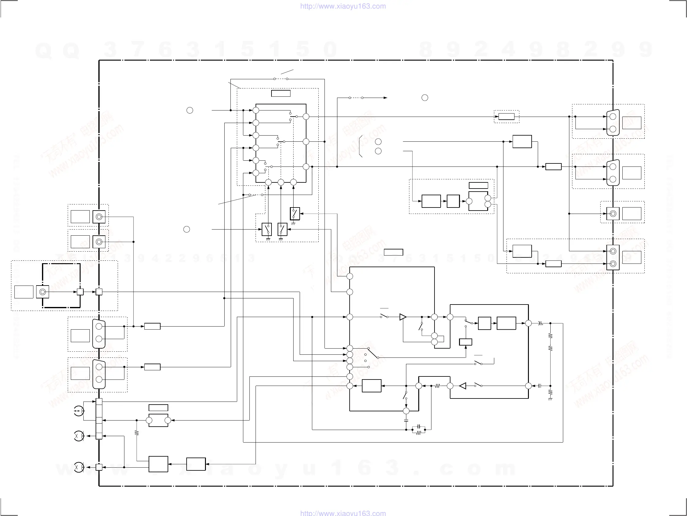
3-4. AUDIO BLOCK DIAGRAM
3-7 3-8
BIAS
ERASE
OSC
T320,Q321
1
2
4
AUDIO
ERASE
HEAD
AUDIO
REC/PB
HEAD
HEAD
SW
42
IC301
1
FULL
HEAD
CN300
IC200
AUDIO
PROCESSOR
MUTE
LINE
AMP
81
P
ALC
94 93
91
92
PB:
LP,SP
EQREC
REC
REC
838588
REC:EP,LP
PB:EP
87
86
AUTO
BIAS
90
89
AUTO
PB LOW OUT
74
78
(2/2)
16
MA-338 BOARD
CN301
ERASE
FL502
A (L) OUT
A (R) OUT
LINE 1
AUDIO
CN500
BIAS
SW
Q320
VREF
80
R
BOARD
FI-15
CN480 CN501
FR (L)
J481
LINE2
AUDIO
CN570
LINE 3
IN
FL570
6
2
A (R)
A (L)
CN500
LINE 1
IN
FL500
1
2
3
5
12
13
15
4
14
11 9
10
JS581
IC580
C+ SWITCH
MOD A TU701
TU M
TU701
21
2
TUNER BLOCK
FROM
A MUTE
IC162
63
DEC/VTR
IC162
58
FROM
SYSCON
BLOCK
Q580 Q582
Q581
24
26
A SW CTL 1
A SW CTL 2
JS582
TUNER BLOCK
TO
MUTEMUTE
Q591
FROM
SYSCON
BLOCK
3
1
76
66
EXCEPT
EE MODEL
EXCEPT
10/20/30:EE/
40:EE,EG/X40
MODEL
30:EE
MODEL ONLY
10:EE/40:EE
MODEL ONLY
30/45
(SEE PAGE 4-25
)
MODEL ONLY
6
2
A (R)
A (L)
CNJ501
AUDIO
IN
CNJ500
AUDIO
IN
EXCEPT
10/20/30:EE/
40:EE,EG/X40
MODEL
10/30:EE,UX/
40:EE,EG/X40/X45UX
MODEL
JS580
10/X10/20/30:EE/
40:EE,EG/X40
MODEL
FL572
A (L) OUT
A (R) OUT
LINE 3
AUDIO
CN570
3
1
EXCEPT
EE MODEL
EXCEPT
10/20/30:EE/
40:EE,EG/X40
MODEL
30:EE
MODEL ONLY
10:EE/40:EE
MODEL ONLY
CNJ501
AUDIO
OUT
CNJ500
AUDIO
OUT
B,CP,VC,VC1,VC2
MODEL
A (L) OUT
A (L) OUT
A (R) OUT
FL501
MUTEMUTE
Q590
SURR
AMP
IC870
5
8
14
BIAS
AMP
SURR
CONT
Q870 Q871
SE ON
IC162
67
Q870
30:EE MODEL ONLY
(SEE PAGE 3-5
)
(SEE PAGE 3-6
)
(SEE PAGE 4-9,11)
(SEE PAGE 3-5
)
(SEE PAGE 3-6
)
w
w
w
.
x
i
a
o
y
u
1
6
3
.
c
o
m
Q
Q
3
7
6
3
1
5
1
5
0
9
9
2
8
9
4
2
9
8
T
E
L
1
3
9
4
2
2
9
6
5
1
3
9
9
2
8
9
4
2
9
8
0
5
1
5
1
3
6
7
3
Q
Q
TEL 13942296513 QQ 376315150 892498299
TEL 13942296513 QQ 376315150 892498299
http://www.xiaoyu163.com
http://www.xiaoyu163.com

Table of Contents

Related product manuals