EasyManua.ls Logo

Sony SRP-P50 - Overall and Amplifier Block Diagrams

Sony SRP-P50
10 pages
Print Icon
To Next Page IconTo Next Page
To Next Page IconTo Next Page
To Previous Page IconTo Previous Page
To Previous Page IconTo Previous Page
Loading...
4
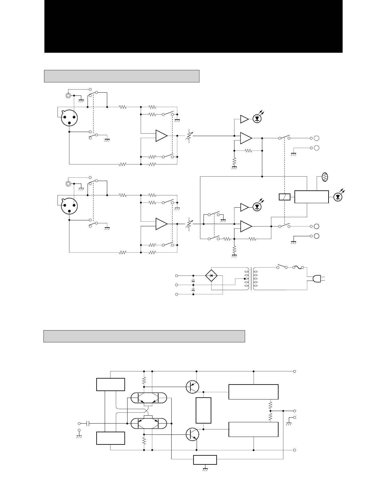
BLOCK DIAGRAM
OVERALL BLOCK DIAGRAM
POWER STAGE
POWER STAGE
OUTPUT
NFB
BIAS
CURRENT
SOURCE
CURRENT
MIRROR
INPUT
+
POWER AMPLIFIER BLOCK DIAGRAM
+
+
2
3
1
LEVEL
+
INPUT 1
BAL/UNBAL
PRE AMP
INPUT
LEVEL
+
+
POWER AMP
MONO +
OUTPUT 1
LEVEL
+
INPUT 2
BAL/UNBAL
PRE AMP
INPUT
LEVEL
+
+
POWER AMP
MONO –
OUTPUT 2
PROTECTION
CIRCUITS
PROTECTION
THERMAL
SENSOR
AC INPUT
+
GND
CLIP
CLIP
OPERATION
POWER
2
3
1

Related product manuals