EasyManua.ls Logo

Sony SS-CE35HD - IC Block Diagrams (Part 9); IC01 MIP2 F20 MS1 SO Block Diagram

Sony SS-CE35HD
100 pages
Print Icon
To Next Page IconTo Next Page
To Next Page IconTo Next Page
To Previous Page IconTo Previous Page
To Previous Page IconTo Previous Page
Loading...
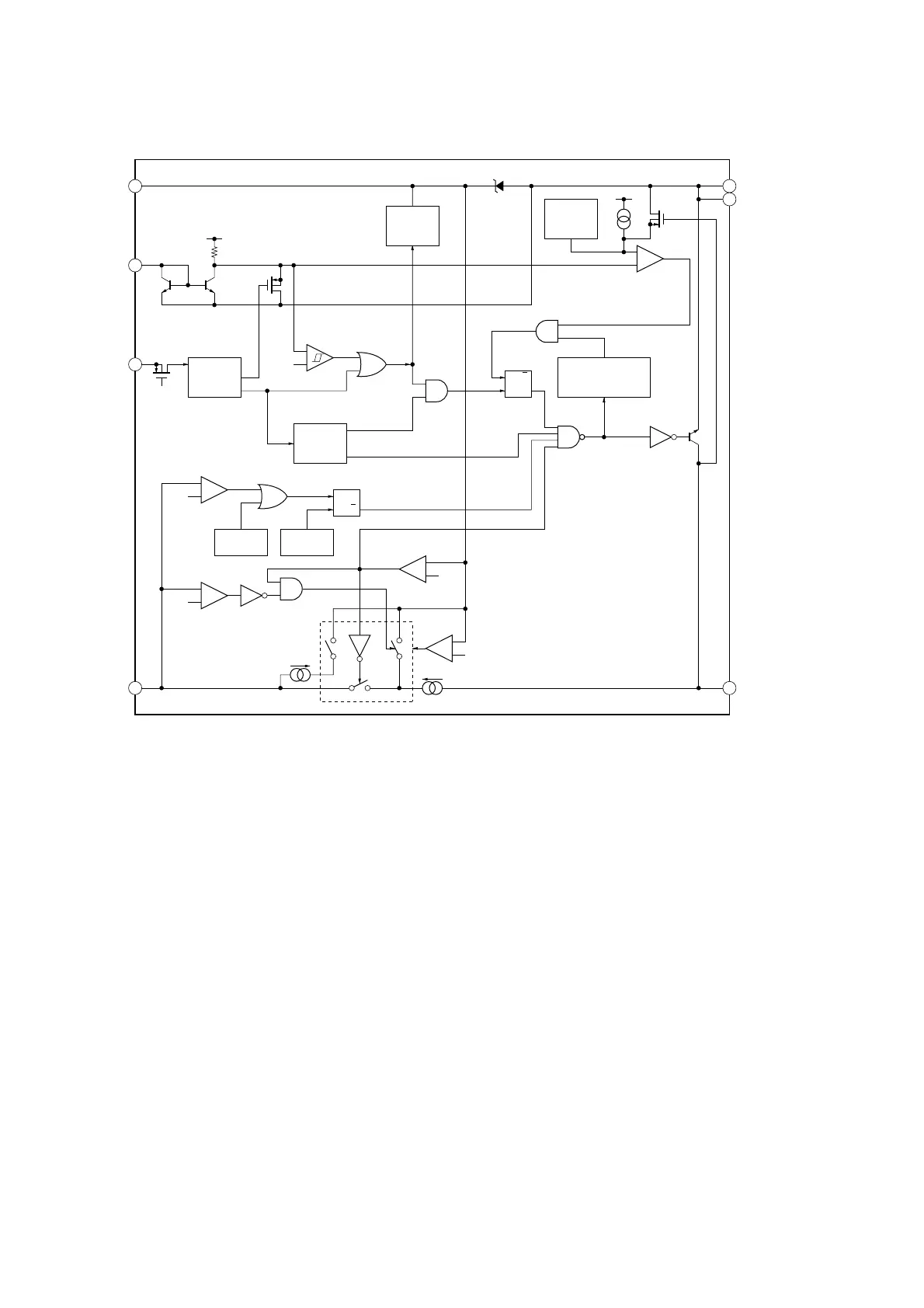
NAS-E35HD/SS-CE35HD
63
– POWER Board –
IC01 MIP2F20MS1SO
CONSTANT
CURRENT
SOURCE
2FB
1VDD
4VCC 5 DRAIN
8 SOURCE
7 SOURCE
3CL
VCL
CLAMP CIRCUIT
(ILIMIT SETTING)
IN
ICL.LOW
VCL.OUT
ILIMIT VARIABLE
CIRCUIT
+
+
+
7.2V
+
2.4V
VCC UV
VCC OVP
OVERHEAT
PROTECTION
S
R
Q
Q
RESTARTING
TRIGGER
R
S
Q
Q
+
27%
22%
FOR LIGHT LOAD
DETECTION INTERMITTENT
OSCILLATION CONTROL
GENERATOR
CLOCK
12kHz
MAXDC
5.7V
5.0V
VDD UV
5.7V
REGULATOR
VDD CLAMP
CIRCUIT
6.6V
+
ILIMIT
CORRECTION
CIRCUIT
FOR
DRAIN CURRENT
DETECT
GATE DRIVER
POWER
MOSFET
AT TURNING ON
BLANKING PULSE
GENERATION CIRCUIT

Table of Contents

Related product manuals