EasyManua.ls Logo

Sony STR-DA1ES - Block Diagram - AUDIO CONTROL Section

Sony STR-DA1ES
86 pages
Print Icon
To Next Page IconTo Next Page
To Next Page IconTo Next Page
To Previous Page IconTo Previous Page
To Previous Page IconTo Previous Page
Loading...
1515
STR-DA1ES/DB780
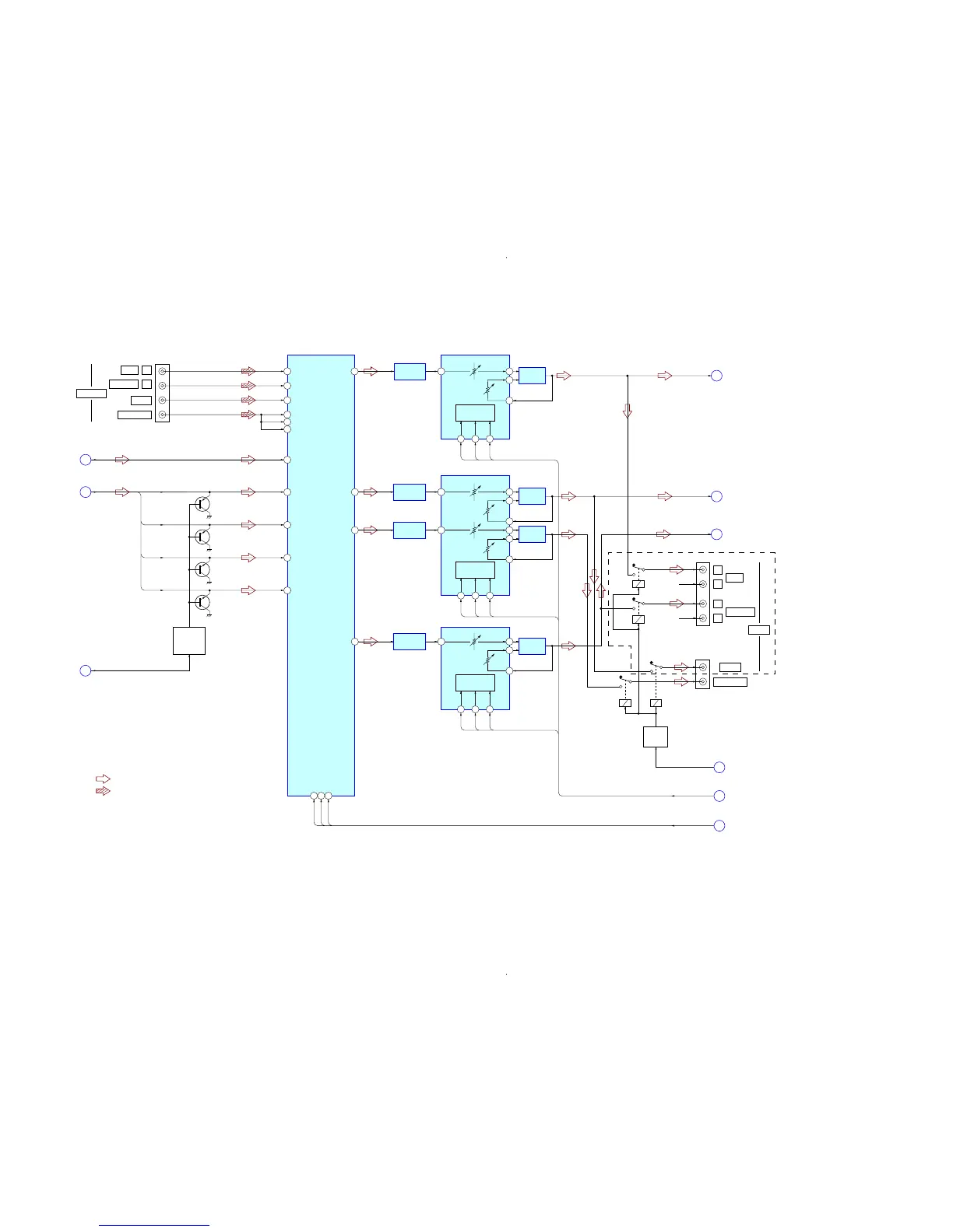
5-3. BLOCK DIAGRAM – AUDIO CONTROL Section –
SUB WOOFER
MUTING
Q451
MUTING
Q601
MUTING
Q701
MUTING
Q501
F
(Page 14)
S MUTE
TRIM
LEVEL SHIFT
CIRCUIT
CENTER
MULTI CH IN
M
(Page 17)
DATA, CLK, LAT
L
(Page 17)
DATA, CLK, LAT
K
(Page 16)
PRE RY
G
(Page 16)
L OUT
LEVEL SHIFT
CIRCUIT
J
(Page 16)
SL OUT
J699
J449
L
R
FRONT
L
R
SURROUND
LEVEL SHIFT
CIRCUIT
H
(Page 16)
C OUT
R-CH
SR-CH
RY449
RY549
RY699RY807
RELAY
DRIVE
Q826
J111
AUDIO SELECTOR
IC111
27 6.1L
36 6.1SL
40 6.1C
36.1SB
32 6.1SW
37COUT
24
LOUT
29SWOUT
34
30 D/ASW
33SLOUT
22
DATA
21
CLK
23
LAT
38 D/AC
25 D/AL
20
VRIN
23
OUT
25
26
TRIM
13
CLK
17
LAT
16
DATA
CLK
LAT
DATA
20
VRIN
23
OUT
25
TRIM
26
TRIM
13
CLK
17
LAT
16
DATA
9
VRIN
6
OUT
4
TRIM
5
TRIM
CLK
LAT
DATA
13
CLK
17
LAT
16
DATA
CLK
LAT
DATA
20
VRIN
23
25
26
OUT
TRIM
TRIM
DATA
CLK
LAT
• SIGNAL PATH
• R-CH is omitted due to same as L-CH.
: TUNER
: AUDIO IN (ANALOG)
C
(Page 14)
2CHL
28 2CHL
FRONT
L
SURROUND
L
D/ASL
2(SW)
BUFFER
IC602 (2/2)
BUFFER
IC402
BUFFER
IC602 (1/2)
BUFFER
IC502
ELECTRICAL
VOLUME
IC401
ELECTRICAL
VOLUME
IC601
ELECTRICAL
VOLUME
IC501
PRE OUT
MUTING
CONTROL
SWITCH
Q813
LINE AMP
IC521
LINE AMP
IC621 (1/2)
LINE AMP
IC621 (2/2)
SUB WOOFER
CENTER
LINE AMP
IC421
E
(Page 14)
L, SL,
C, W
W
SL
C
L
(DA1ES)

Table of Contents

Related product manuals