EasyManua.ls Logo

Sony STR-DA1ES - Block Diagram - POWER AMP Section

Sony STR-DA1ES
86 pages
Print Icon
To Next Page IconTo Next Page
To Next Page IconTo Next Page
To Previous Page IconTo Previous Page
To Previous Page IconTo Previous Page
Loading...
1616
STR-DA1ES/DB780
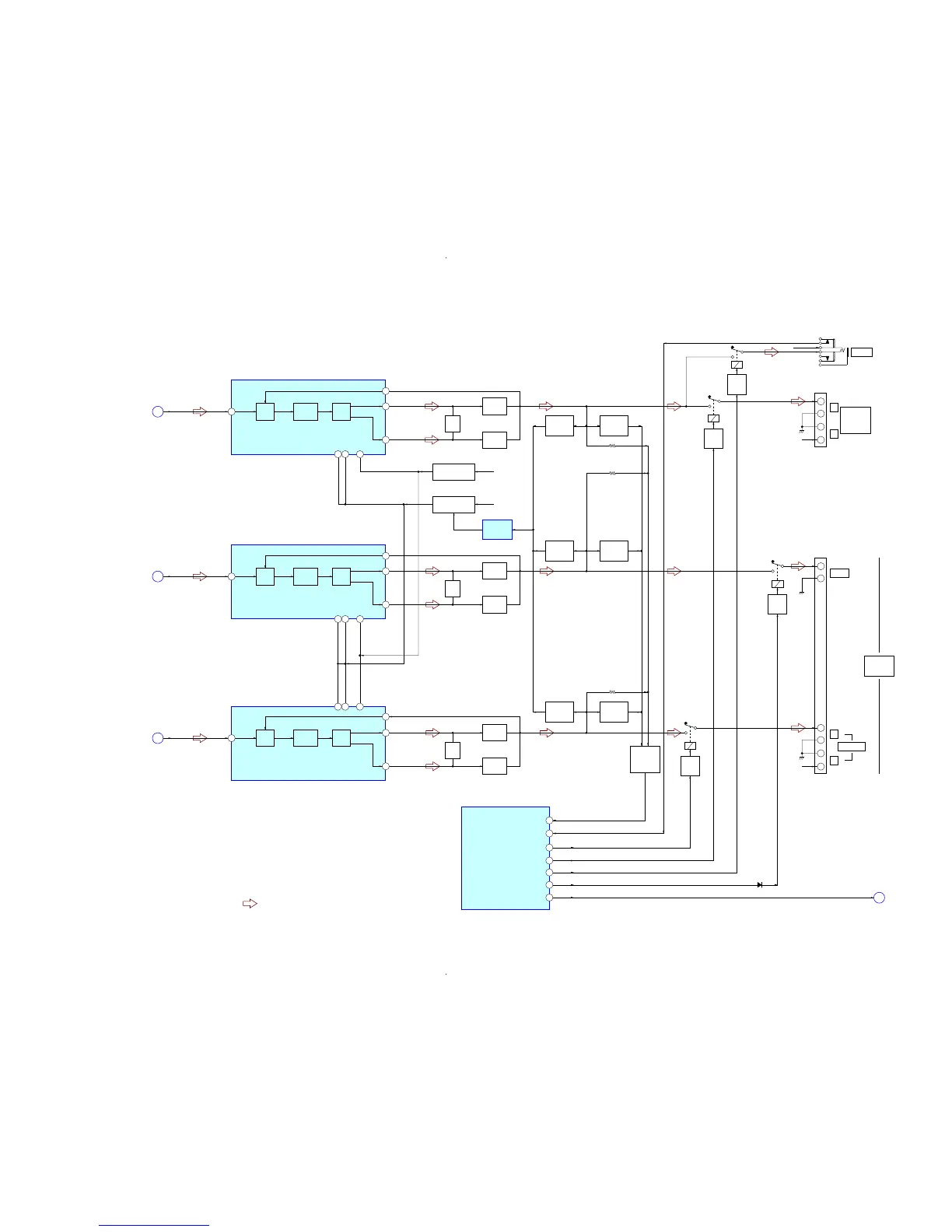
5-4. BLOCK DIAGRAM – POWER AMP Section –
• SIGNAL PATH
• R-CH is omitted due to same as L-CH.
: TUNER
+
TM501
PRE
DRIVE
DRIVE
BIAS
CIRCUIT
BIAS
Q431
BOOSTER
Q402
BOOSTER
Q403
G
6
13 14 15
3
2
5
POWER AMP
IC403
(Page 15)
L OUT INPUT
–VEOUT
+VEOUT
NF
H
(Page 15)
C OUT
VCC VCC VEE
PRE
DRIVE
DRIVE
BIAS
CIRCUIT
BIAS
Q531
BOOSTER
Q502
BOOSTER
Q503
J
6
13 14
3
2
5
POWER AMP
IC503
SYSTEM CONTROLLER
IC1601 (3/5)
(Page 15)
SL OUT INPUT
–VEOUT
+VEOUT
NF
VCC VCC
VEE
15
AF POWER
SENSOR
Q434
CURRENT
DETECT
Q432, 433
AF POWER
SENSOR
Q634
CURRENT
DETECT
Q632, 633
AF POWER
SENSOR
Q534
CURRENT
DETECT
Q532, 533
70
25
67
72
68
69
REAR RELAY
HP DETECT
PROTECTOR
FRONT RELAY
71CENTER RELAY
HEADPHONE RELAY
WOOFER RELAY
RELAY
DRIVE
Q823
RY806
R-CH
RELAY
DRIVE
Q808
RY448
RELAY
DRIVE
Q809
RY803
RELAY
DRIVE
Q807
RY801
D803
PHONES
CENTER
L
R
J849
+
+
TM449
+
+
R-CH
R-CH
SURROUND
L
R
13 14 15
POWER AMP
IC603
INPUT
–VEOUT
+VEOUT
NF
VCC VCC VEE
BIAS
Q631
LIMITER SWITCH
Q791.795
AF POWER
PROTECTOR
Q802, 803,
Q805
FRONT
SPEAKERS
IMPEDANCE
USE 4-16
SPEAKERS
IMPEDANCE
USE 4-16
B+
LIMITER SWITCH
Q790
B–
OVER LOAD
DETECTOR
IC803, Q804
PRE
DRIVE
DRIVE
BIAS
CIRCUIT
11
9
12
BOOSTER
Q602
BOOSTER
Q603
K
(Page 15)
PRE RY
8

Table of Contents

Related product manuals