EasyManua.ls Logo

Sony STR-DA1ES - Schematic Diagram - H.P;PRE;SPOUT Boards

Sony STR-DA1ES
86 pages
Print Icon
To Next Page IconTo Next Page
To Next Page IconTo Next Page
To Previous Page IconTo Previous Page
To Previous Page IconTo Previous Page
Loading...
STR-DA1ES/DB780
3737
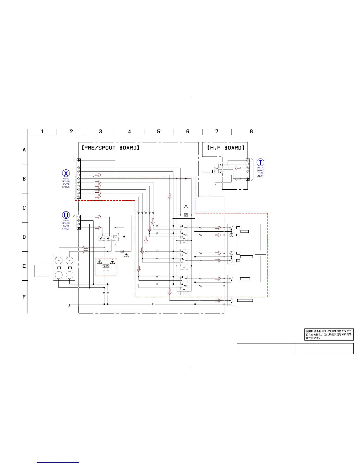
5-24. SCHEMATIC DIAGRAM – H.P/PRE/SPOUT Boards –
The components identified by mark 0 or dotted
line with mark 0 are critical for safety.
Replace only with part number specified.
Les composants identifiés par une marque 0 sont
critiques pour la sécurité. Ne les remplacer que
par une pièce portant le numéro spécifié.
R496 R446
C446C496
R447
R699
R649
R599
R549
R499
R449
C449
C499
C549
C599
C649
C497
CN448
TM449
RY448
D450
C445C495
CN449
RY449
R698
R648
R748
R598
R548
R498
R448
RY699
J449
RY549
J699
D449
J849
CN849
EB849
R497
10 10
4700p4700p
10
100k
100k
100k
100k
100k
100k
22
50V
22
50V
22
50V
22
50V
22
50V
100p
4P
1S133T
1k
1k
1k
1k
1k
1k
1k
4P
1S133T
5P
10
SL
SW
SR
R
L
C
RY+
PRE,RY-
FSP,RY-
RY GND
(CHASSIS)
R
GND
L
GND
LR
IMPEDANCE
FRONT
SPEAKERS
(DB780)
-1
-2
100p
470p
C445,495
(DB780)
CN449
10P
4P
(DA1ES)
-1
-2
-1
-2
(DB780)
(DA1ES)
J699
2P
1P
L
R
FRONT
L
R
SURROUND
CENTER
PRE OUT
SUB WOOFER
(DA1ES)
GND
HP-CONT
CONT-GND
R
L
(CHASSIS)
PHONES
-1
-2
(DA1ES/DB780:AEP,UK)
(DB780:SP,MY,TW,KR,CH)
USE 4-16
(Page 33)
(Page 32)
(Page 32)

Table of Contents

Related product manuals