EasyManua.ls Logo

Sony STR-DA2100ES Operating Instructions for STRDA2100ES - Page 16

Sony STR-DA2100ES Operating Instructions for STRDA2100ES
68 pages
Print Icon
To Next Page IconTo Next Page
To Next Page IconTo Next Page
To Previous Page IconTo Previous Page
To Previous Page IconTo Previous Page
Loading...
masterpage:Left
lename[E:\SEM_Janet\Revision
D
ata\J9050000_2580805131DA2100ES_US\2580805131\US03CON_STR-DA2100ES-U.fm]
16
US
model name1[STR-DA2100ES]
[2-580-805-12(1)]
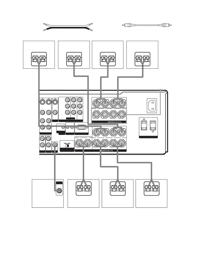
Required cords
A Speaker cords (not supplied)
(+)
B Monaural audio cord (not supplied)
Black
(–)
* If you have an additional front speaker system, connect them to the SPEAKERS FRONT B terminals. You can
select the front speakers you want to use with SPEAKERS (OFF/A/B/A+B) button. For details, see “Selecting the
speaker system” (page 46).
** If you connect only one surround back speaker, connect it to the SPEAKERS SURROUND BACK L terminals.
L
R
2ND ZONE
MONITOR
COMPONENT VIDEO
VIDEO 1
SUB
WOOFER
CENTER
OUT
P
B
/C
B
/B-Y
P
R
/C
R
/R-Y
Y
ASSIGNABLE
IR
OUT
IR
IN
IMPEDANCE
SELECTOR
IR REMOTE
RS232C
4 8
AUDIO OUT
VIDEO OUT
S-VIDEO
OUT
VIDEO OUT
S-VIDEO
OUT
TV/SAT
IN
DVD
IN
MONITOR
OUT
AUDIO IN
VIDEO IN
S-VIDEO
IN
FRONT B
FRONT A
LR
LR
+ +
SURROUND
LR
+ +
+
L
R
AC OUTLET
SWITCHED 120W/1A MAX
AC 120V 60Hz
SPEAKERS
TRIGGER
OUT
E
e
A
INPUT
AUDIO
IN
B
E
e
A
SPEAKERS
FRONT B*
E
e
A
Ee
A
Ee
A
Ee
AA
Ee
SURROUND BACK (2ND ZONE)
LR
SPEAKERS
CENTER
PRE OUT
SUB
WOOFER
Sub woofer
Front speaker
(Left)
Front speaker
(Right)
Surrond speaker
(Left)
Surround speaker
(Right)
Surround back
speaker (Left)**
Center speaker Surround back
speaker (Right)**
US01COV_STR-DA2100ES-U.book Page 16 Wednesday, July 13, 2005 2:17 PM

Table of Contents

Related product manuals