EasyManua.ls Logo

Sony STR-DA3600ES - Page 28

Sony STR-DA3600ES
162 pages
Print Icon
To Next Page IconTo Next Page
To Next Page IconTo Next Page
To Previous Page IconTo Previous Page
To Previous Page IconTo Previous Page
Loading...
28
GB
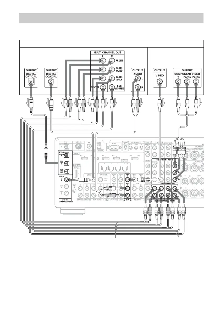
To connect a DVD player, Blu-ray Disc Player
A Optical digital cord (not supplied)
B Coaxial digital cord (not supplied)
C Audio cord (not supplied)
D Video cord (not supplied)
E Component video cord (not supplied)
F Monaural audio cord (not supplied)
* When you connect a component equipped with an
OPTICAL jack, set “Input Assign” in the Input
menu (page 99).
Connecting components without HDMI jacks
DVD player, Blu-ray Disc Player
A
C
Audio signals Video signals
B
CD E
*
or oror or
F

Table of Contents

Other manuals for Sony STR-DA3600ES

Related product manuals