EasyManua.ls Logo

Sony STR-DA4ES - Page 19

Sony STR-DA4ES
80 pages
Print Icon
To Next Page IconTo Next Page
To Next Page IconTo Next Page
To Previous Page IconTo Previous Page
To Previous Page IconTo Previous Page
Loading...
Getting Started
19
GB
E
e
Ee
E
e
E
e
E
e
INPUT
AUDIO
IN
A
Ee
A
A
B
A
A
A
IMPEDANCE
SELECTOR
E
e
A
SPEAKERS
FRONT B*
1
AC OUTLET
IMPEDANCE USE 4-16
OUT
IN
OUT
IN
OUT
IN
OUT
IN
L
R
VIDEO VIDEO
AUDIO AUDIO
SUB WOOFER
CENTER
VIDEO OUT
AUDIO OUT
VARIABLE
VARIABLE
AUDIO
OUT
PRE OUT
FRONT
SURROUND SURR BACK
CTRL
A1
2ND
ROOM
3RD
ROOM
OUT
IN
OUT
OUT
IN
S2 VIDEO
CONTROL S
S2 VIDEO
VIDEO 2 VIDEO 1
LR
A
B
LR
LR
+
+
+
+
+
+
+
+
+
FRONT
SURROUND
CENTER
SURR BACK
SPEAKERS
IMPEDANCE SELECTOR
4 8
*
1
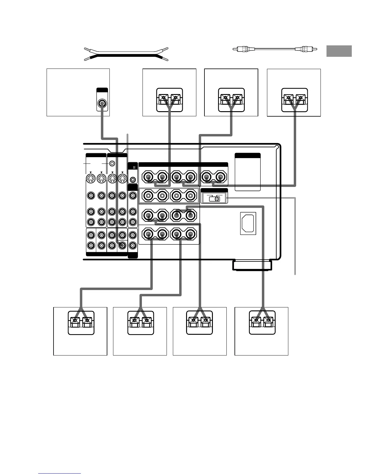
You can select the font speakers you want to use with the SPEAKERS switch. For details. see Selecting the
speaker system (page 59)
*
2
If you only plan to connect one surround back speaker, connect it to the SPEAKERS SURR BACK L terminal.
Front speaker (L)
Front speaker (R)
Center speaker
Surround speaker
(L)
Surround speaker
(R)
Active sub woofer
Surround back
speaker (R)*
2
A Speaker cords (not supplied)
(+)
()
Required cords
B Monaural audio cord (not supplied)
Black
Surround back
speaker (L)*
2

Table of Contents

Other manuals for Sony STR-DA4ES

Related product manuals