EasyManua.ls Logo

Sony STR-DE197 - Schematic Diagram - Main Section (1;2)

Sony STR-DE197
62 pages
Print Icon
To Next Page IconTo Next Page
To Next Page IconTo Next Page
To Previous Page IconTo Previous Page
To Previous Page IconTo Previous Page
Loading...
STR-DE197
1818
STR-DE197
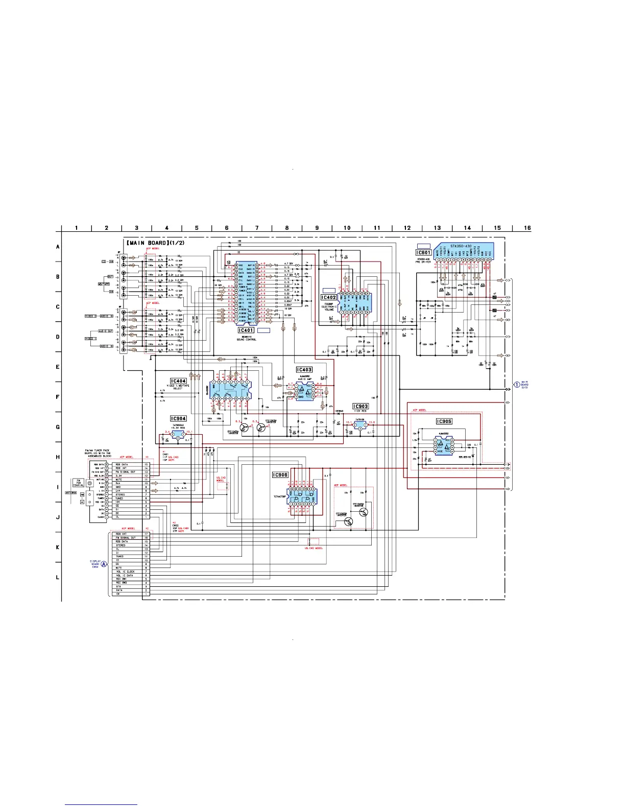
4-6. SCHEMATIC DIAGRAM — MAIN SECTION (1/2) — • Refer to page 14 for Common Note on Schematic Diagram and page 22 for IC Block Diagrams.
IC B/D
IC B/D
IC B/D
LEVEL SHIFT
LEVEL SHIFT
R415
R416
R465
R466
R474
R481
R482
R483
R484
R697
IC906
D914
C406
C408
C412
C421
C426
C456
C458
C462
C469
C471
C476
C484
C485
C606 C656
C924
C926
C942
C414
C415
C464
C465
C416
C417
C466
C467
C418
C468
C927
R602 R652
C410
C460
C413
C420
C463
C470
C425
C490
R926
R403 R404
R409 R410
R453 R454
R459 R460
R464
R401 R402
R405 R406
R407 R408
R411 R412
R451 R452
R455 R456
R457 R458
R461 R462
R475
R417
R418
R423
R467
R468
R472
R473
R421
R422
R477
C474C424
R424
IC601
R414
J801
J802
IC403
IC402
C601 C651
C929
R656R606
C402
C452
C454
C404
C483
R426
R476
R425
R428
R427
R478
R918
R919
R920
C419
R463
R413
R471
C475
C928
C925
C422 C472
R485
C657
C607
R655
R605
R604
R603 R653
R654
R929
R930
C930
IC404
CC451
CC401
CC453
CC403
CC455
CC405
CC457
CC407
CC459
CC409
CC461
CC411
IC401
C658
C608
C603 C653
C654
C604
C652
C602
C605 C655
IC904
IC903
Q474
Q424
IC905R942
R943
R945
C940R944
R941 C941
D915
JW900
C931
R947R946
Q906
Q905
JW901
TN1
CNS1
CNS2
(Page 21)
(Page 19)

Other manuals for Sony STR-DE197

Related product manuals