EasyManua.ls Logo

Sony STR-DE225 - Block Diagram

Sony STR-DE225
33 pages
Print Icon
To Next Page IconTo Next Page
To Next Page IconTo Next Page
To Previous Page IconTo Previous Page
To Previous Page IconTo Previous Page
Loading...
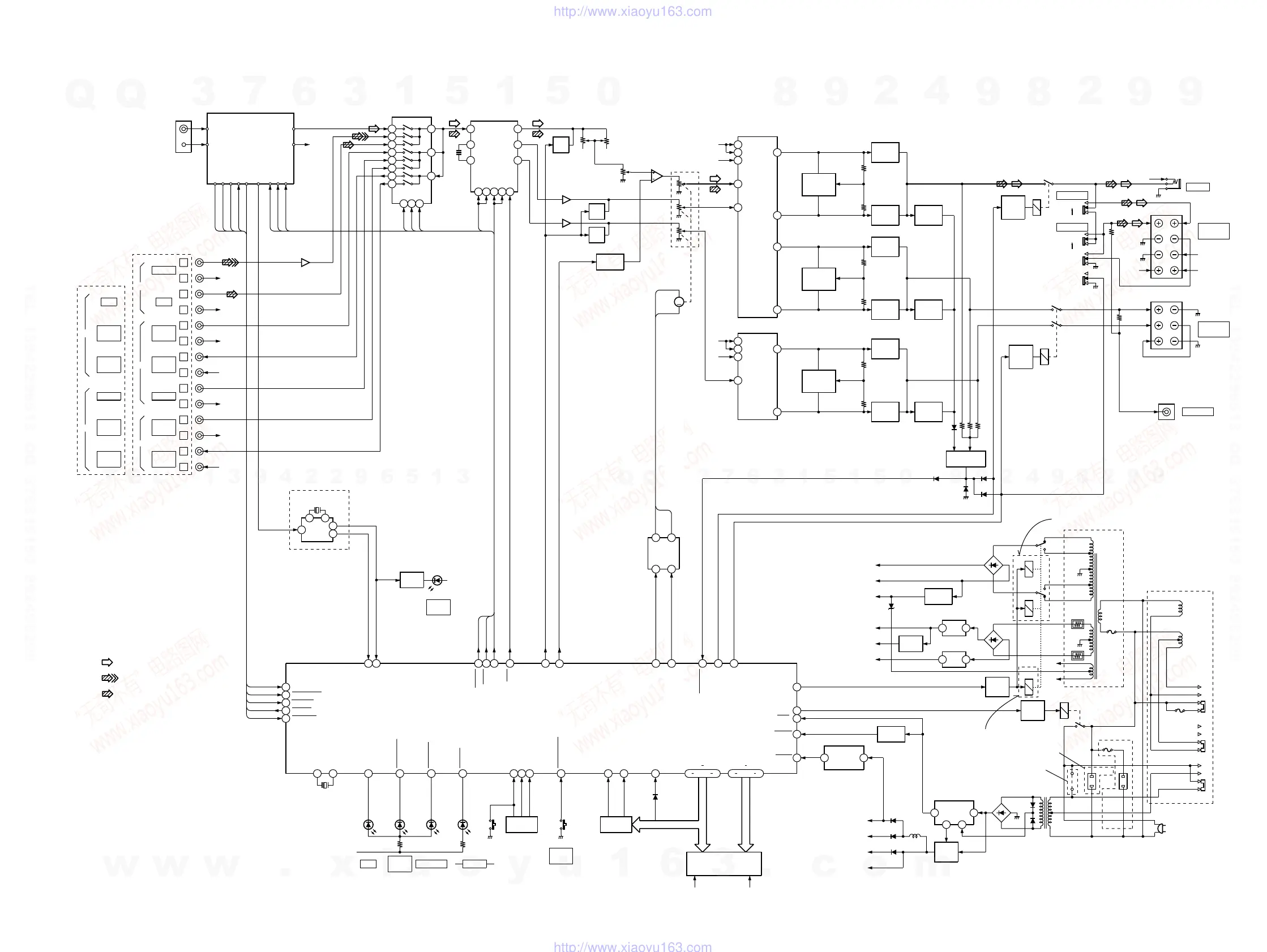
STR-DE225/DE325
— 7 — — 8 —
DATA
L OUTFM
AM R OUT
CLK
CE
TUNED
STEREO
T MUITE
DO
R CH
FM ANT
(75)
AM ANT
SDATA
SCLK
SLAT
AUTO STOP
STEREO
T MUTE
DO
J401
L
R
PHONO
R CH
J402
L
R
R CH
L
R
R CH
J403
L
R
R CH
L
R
R CH
VIDEO
IN
EQ AMP
IC402
+12V
REG
IC801
28
TUNER BLOCK
SIGNAL
SIG
DET OUT
L
R
R CH
CD
L
R
R CH
TV/LD
VIDEO
OUT
TAPE
IN
TAPE
OUT
J403
VIDEO
IN
CD
TV/LD
VIDEO
OUT
TAPE
IN
TAPE
OUT
J402
30
29
24
25
26
22
21
CL
15
DI
14
CE
13
27
23
20
S DATA
S CLK
SLAT
AUDIO SELECTOR
IC401
DATA
35 37
CLK
34 38
CE
30
24
L OUT
9
C OUT
22
S OUT
LT IN
45
31
32
X301
8MHz
DATA
CLK
S DATA
S CLK
SURROUND
PROCESSOR
IC300
BASS
RV422
TREBLE
RV421
DBFB
CONTROL
Q401,452
AMP
IC404
IC302
(1/2)
4
2
16
13 14
X1
4.33MHz
RDS
IC1
MUTE
Q303
BALANCE
RV423
MUTE
Q307
MUTE
Q308
VOLUME
RV404
M
DOWN
UP
BIAS
Q701,Q702
14
15
6
2
3
VEE
VCC
IN 1
+VE 1
-VE 1
13 VCC
POWER AMP
IC701
+B
-B
POWER
AMP
Q703
CURRENT
DET
Q720
POWER
AMP
Q704
PROTECTOR
Q721-723
RELAY
DRIVE
Q710
RY701
C
S(L)
S(R)
SURROUND
SPEAKER
J741
PHONS
TM601
FRONT
SPEAKER
TM701
R CH
L
R
RELAY
DRIVE
Q610
RY601
D724
SPEAKER A
SPEAKER B
ON
OFF
ON
OFF
S701
R CH
R CH
R CH
BA
8 7
3 2
MOTOR
DRIVER
IC202
UP
DOWN
SYSTEM CONTROL
IC201
45
RDS CLK
46
RDS DATA
PLL DATA
T MUTE
STEREO
AUTO STOP
SIGNAL
12
S CE
9
S CLK
10
S DATA
13
S CE
53
LOW BASS
DO
T MUTE
STEREO
AUTO STOP
SIG
S LAT
S CLK
S DATA
54
MUTE FUNC
41
UP
42
DOWN
16
PROTECT
21
SP RY
22
SURR RY
VERSION
56
X1
34
X2
35
X201
4.198MHz
HALL
39
SIMULATED
38
PROLOGIC
37
MUTING
43
MUTINGHALL PROLOGIC
C
STUDIO
LED +5V
D235 D236 D237 D238
FUNCTION
KEY
A/D 2
27
A/D 1
28
A/D 3
26
S217-239
S241,242
S240
FUNCTION
KEY
S201-216
KI 1
60
KI 2
59
S200
SYSTEM
POWER
SYS POWER
44 77 72
.
70 62
71
.
80 78
S1 15 G1 10
S8-15
D221-223
FL201
FLOURESCENT
INDICATOR TUBE
F1
F2
F1
F2
13
-12V
REG
IC802
23
+9V REG
Q808
+12V
-24V REG
Q801
+9V
-12V
+B
-B
-24V
D802
T901
CND MODEL
D820-823
F901
RELAY
DRIVE
Q809
RY801
RY851
RY801
RY901
EXCEPT
CND MODEL
RELAY
DRIVE
Q802
CNJ902
AC
IN
F902
T902
STANDBY
IC950
6
58
DELAY
+B SW
Q951
D810-813
RESET
Q201,202
REMOTE
CONTROL
RECEIVER
21
3
D202
D201
D901
L401
LED +5V
IC201 +B
TUNER/RDS +5V
+5.6V
IC203
15
BRIDGE
23
POWER RY
47
STOP
17
RESET
49
SIRCS
IC302
(1/2)
SURROUND
AMP
8 IN 2
14
15
8
2
3
VEE
VCC
IN
+VE
-VE
13 VCC
POWER AMP
IC702
+B
-B
POWER
AMP
Q603
CURRENT
DET
Q620
POWER
AMP
Q604
12
11
+VE 2
-VE 2
POWER
AMP
Q653
CURRENT
DET
Q670
POWER
AMP
Q654
D725
D723
J253
WOOFER
25
18
19
40
11
RY852
CNJ902
S901
16
: FM
: CD (ANALOG)
• Signal Path
• RCH is omitted
: PHONO
LED SW
Q231
D239
BASS
BOOST
LED +5V
D203
AEP, UK, G, EE MODEL
EXCEPT AEP, UK, G,
EE MODEL
AEP, UK, G, EE MODEL
E, EA MODEL
AEP, G, EE, SP,
MY, AUS,CH MODEL
EXCEPT E, EA,
CH MODEL
US, CND, E,
EA MODEL
BIAS
Q651,Q652
BIAS
Q601,Q602
3-2. BLOCK DIAGRAM
w
w
w
.
x
i
a
o
y
u
1
6
3
.
c
o
m
Q
Q
3
7
6
3
1
5
1
5
0
9
9
2
8
9
4
2
9
8
T
E
L
1
3
9
4
2
2
9
6
5
1
3
9
9
2
8
9
4
2
9
8
0
5
1
5
1
3
6
7
3
Q
Q
TEL 13942296513 QQ 376315150 892498299
TEL 13942296513 QQ 376315150 892498299
http://www.xiaoyu163.com
http://www.xiaoyu163.com

Related product manuals