EasyManua.ls Logo

Sony STR-DE400 - Schematic Diagram - MAIN Board (1;3)

Sony STR-DE400
52 pages
Print Icon
To Next Page IconTo Next Page
To Next Page IconTo Next Page
To Previous Page IconTo Previous Page
To Previous Page IconTo Previous Page
Loading...
2222
STR-DE400
STR-DE400
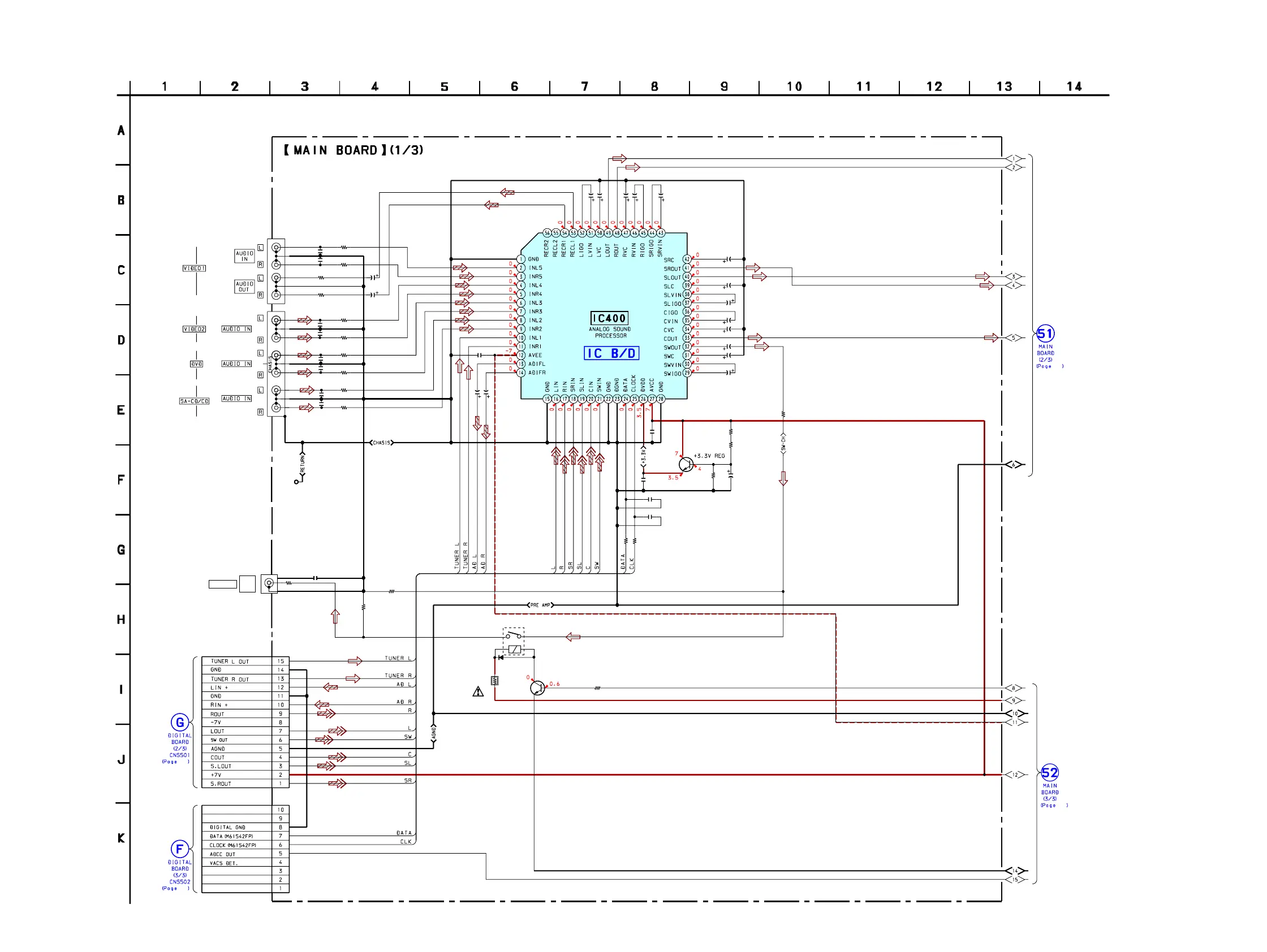
3-9. SCHEMATIC DIAGRAM – MAIN BOARD (1/3) –
• See page 34 for IC Block Diagram.
19
20
23
24
No mark : FM
SUB WOOFER
AUDIO
OUT
J403
R472
R471
R401
R473
C402
C452
C431
C432
C433
C435
C436
C421
C422
C423
C425
R407
C472
C403
C404
R802
R780
C446
R416
TP1
IC400
C434
C426
J401
J400
C471
R406
CNP501
CNP502
C424
R451
R402
R403
R452
R453
R454
R404
C484
C482
Q471
Q560D752
1k
680
1k
2.2k
10
50V
10
50V
C402
C452
4.7
50V
4.7
50V
2.2
50V
2.2
50V
2.2 50V
2.2 50V
2.2 50V
4.7
50V
4.7
50V
4.7 50V
4.7
50V
100
0.1
0.001
0.001
220
4.7k
R782
100k
4.7 50V
1k
BOARD IN WIRE
TO TP2
M61542FP
2.2
50V
4.7
50V
100
10V
100
15P
10P
4.7
50V
1k
1k
R455
1k
R405
1k
1k
1k
1k
1k
1k
0.1
0.1
2SD2144S-TP-UVW
2SC1740S-QRT1SS133T-72
CC01 100P
CC51 100P
CC02 100P
CC03 100P
CC52
100P
CC53
100P
CC04 100P
CC54
100P
RELAY DRIVE
C400
0.1
R469 1K
R783
47K
RY702
Ver. 1.2

Other manuals for Sony STR-DE400

Related product manuals