EasyManua.ls Logo

Sony STR-DE400 - Schematic Diagram - VIDEO Board

Sony STR-DE400
52 pages
Print Icon
To Next Page IconTo Next Page
To Next Page IconTo Next Page
To Previous Page IconTo Previous Page
To Previous Page IconTo Previous Page
Loading...
3131
STR-DE400
STR-DE400
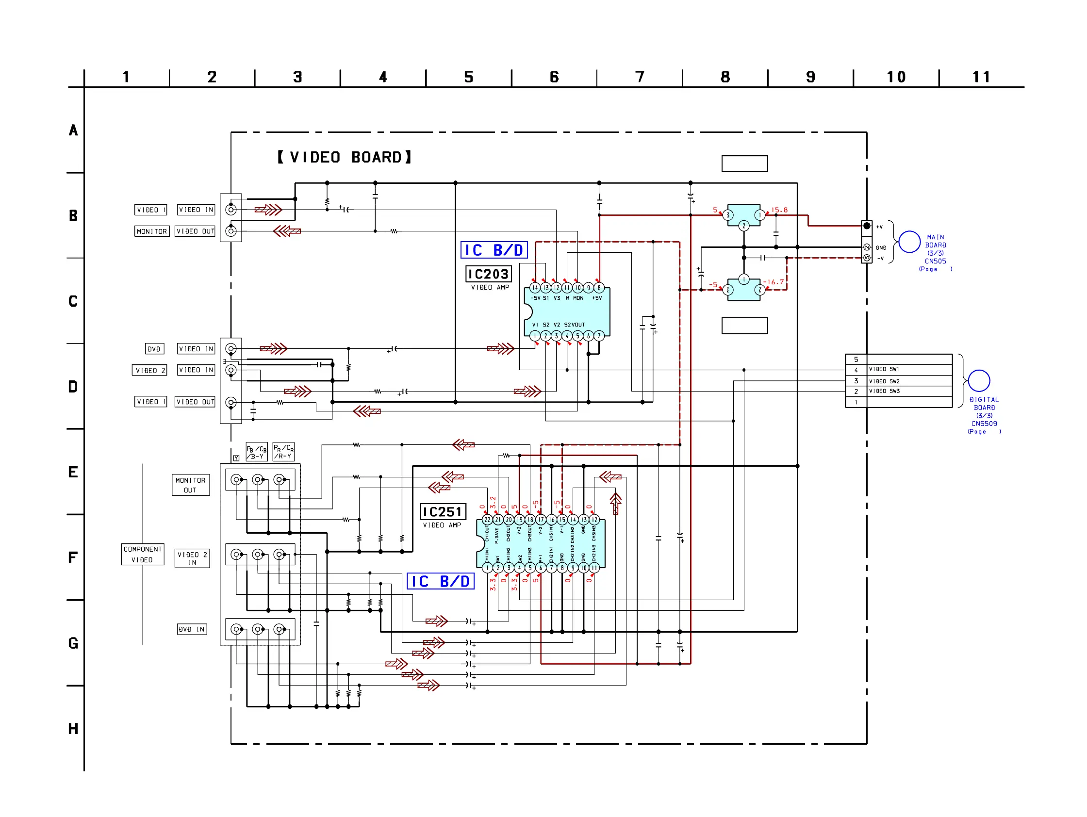
3-18. SCHEMATIC DIAGRAM – VIDEO BOARD –
• See page 34, 35 for IC Block Diagrams.
N
M
24
20
-5
0.1
0
0.1
0
0
0
0
0
0
5
C207
C206
C210
C213
R201
R220
R218
R221
C809
IC203
CNS250
IC807
IC804
C251
C260
C826
C248
C201
C208
C215
J201
J202
R252
R262
R250
IC251
R255R254
R253
C250
R258
R256 R257
C259
C252
C253
C254
C255
C256
R251
C257
C258
CNP156
C214
C825
R261
R260R259
J251
10
50V
10
50V
10
50V
220
16V
75
75
75
R200
75
75
220
16V
NJM2279D
5P
TA79005S
TA7805LS
10
50V
47
25V
0.1
2200p
47p
47p
10
50V
0.1
75
22k
75
NJM2586AL
1k
1k
1k
2200p
75
75 75
0.1
10 50V
10 50V
10 50V
10 50V
10
50V
75
0.1
47
25V
3P
0.1
0.1
75
7575
C200
IC807
IC804
+5V REG
-5V REG

Other manuals for Sony STR-DE400

Related product manuals