EasyManua.ls Logo

Sony STR-DE675 - Schematic Diagram - Main Section (2;3)

Sony STR-DE675
46 pages
Print Icon
To Next Page IconTo Next Page
To Next Page IconTo Next Page
To Previous Page IconTo Previous Page
To Previous Page IconTo Previous Page
Loading...
1818
STR-DE675
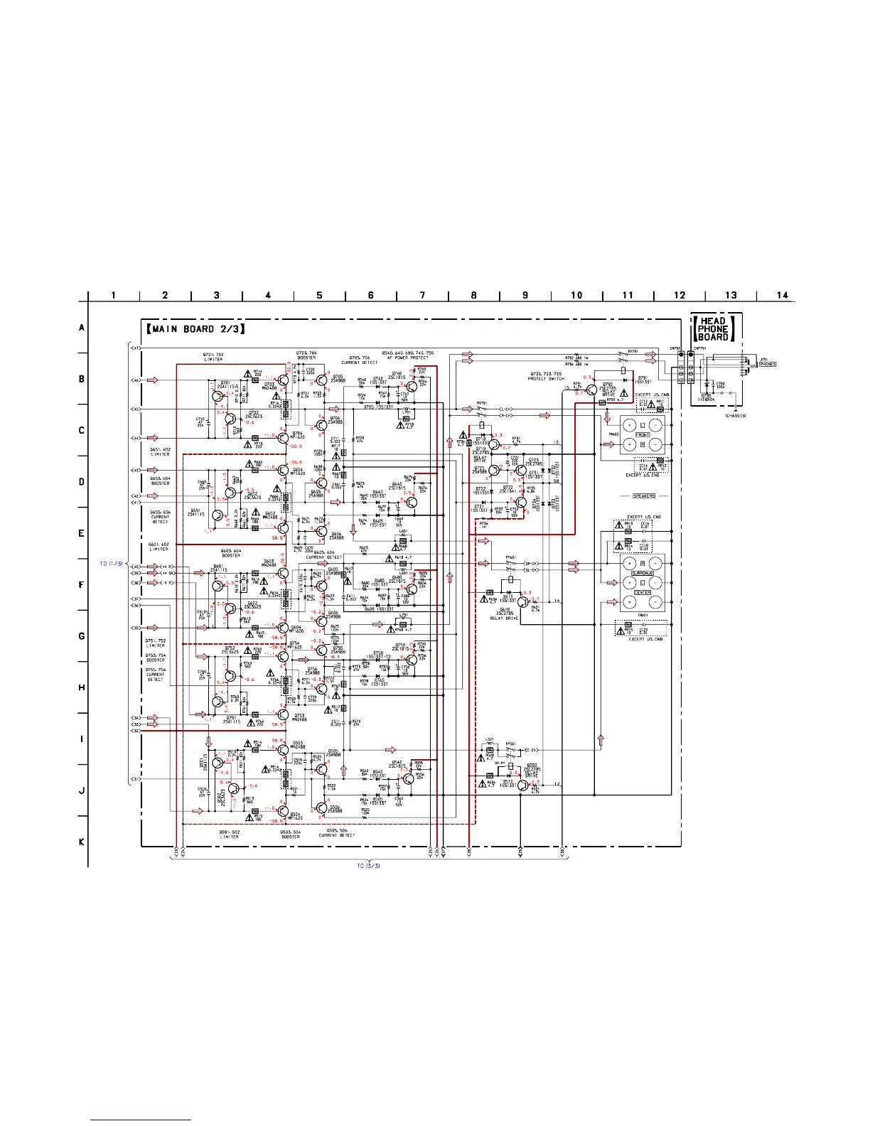
3-9. SCHEMATIC DIAGRAM MAIN SECTION (2/3)

Other manuals for Sony STR-DE675

Related product manuals