EasyManua.ls Logo

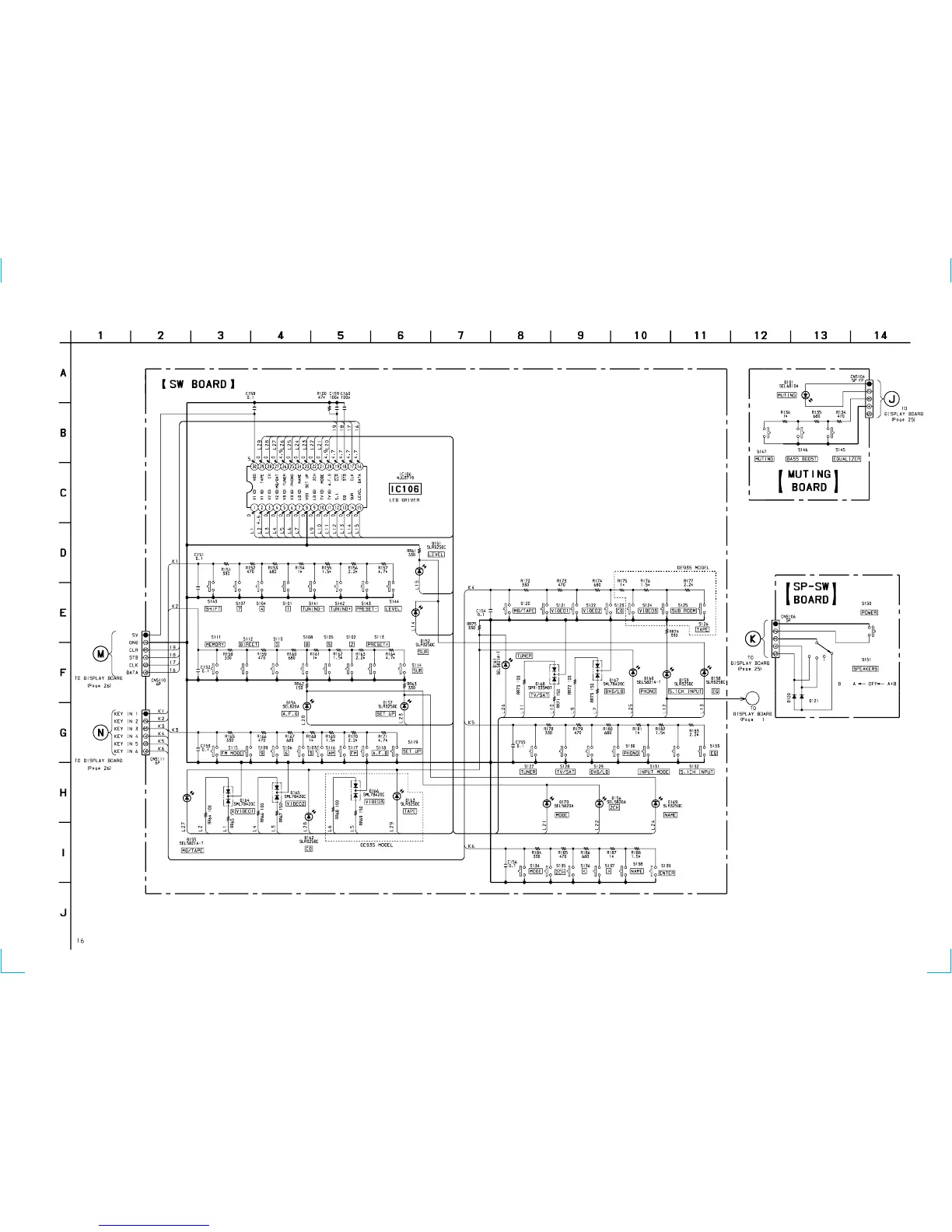
Sony STR-DE835 - Schematic Diagram Surround Section

Sony STR-DE835
68 pages
Print Icon
To Next Page IconTo Next Page
To Next Page IconTo Next Page
To Previous Page IconTo Previous Page
To Previous Page IconTo Previous Page
Loading...
STR-DE835/DE935/SE591/V828
— 29 — — 30 —
4-12. SCHEMATIC DIAGRAM SURROUND SECTION
26
Z

Other manuals for Sony STR-DE835

Related product manuals