EasyManua.ls Logo

Sony STR-DE897 - Page 16

Sony STR-DE897
64 pages
Print Icon
To Next Page IconTo Next Page
To Next Page IconTo Next Page
To Previous Page IconTo Previous Page
To Previous Page IconTo Previous Page
Loading...
masterpage:Left
lename[D:\foreigner\SEM_Janet\Revised
D
E897_Data\J9031709_4253072111DE897U\4253072111\GB03CON_STR-DE897-U.fm]
16
GB
model name1[STR-DE897]
[4-253-072-11(1)]
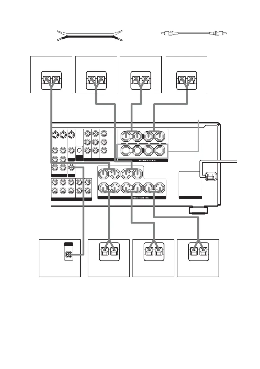
Required cords
A Speaker cords (not supplied)
(+)
B Monaural audio cord (not supplied)
Black
(–)
* If you have an additional front speaker system, connect them to the SPEAKERS FRONT B terminals. You can
select the front speakers you want to use with SPEAKERS (OFF/A/B/A+B) button. For details, see “Selecting the
speaker system” (page 40).
** If you connect only one surround back speaker, connect it to the SPEAKERS SURROUND BACK L terminals.
SPEAKERS
SPEAKERS
MONITOR
COMPONENT VIDEO
FRONT A
LR
FRONT B
LR
+ +
SURROUND
SURROUND BACK
+ +
+
CENTER
SUB
WOOFER
OUT
MULTI CH IN 1
L
R
L
R
L
R
FRONT SURROUND
SURR
BACK
2ND ZONE
S-VIDEO
OUT
S-VIDEO
OUT
S-VIDEO
IN
VIDEO 1
VIDEO OUT VIDEO OUT
TV/SAT
IN
DVD
IN
MONITOR
OUT
AUDIO OUT
VIDEO IN
AUDIO IN
L
R
CTRL
A1 II
Y
P
B
/C
B
/B–Y
P
R
/C
R
/R–Y
AC OUTLET
E
e
A
INPUT
AUDIO
IN
B
E
e
A
SPEAKERS
FRONT B*
E
e
A
Ee
A
Ee
A
Ee
AA
Ee
PRE OUT
SUB
WOOFER
LR
CENTER
LR
Sub woofer
Front speaker
(Left)
Front speaker
(Right)
Surrond speaker
(Left)
Surround speaker
(Right)
Surround back
speaker (Right)**
Surround back
speaker (Left)**
Center speaker
GB01COV_STR-DE897-U.book Page 16 Wednesday, March 3, 2004 4:29 PM

Table of Contents

Other manuals for Sony STR-DE897

Related product manuals