EasyManua.ls Logo

Sony STR-DG500 - Block Diagram - Power Section

Sony STR-DG500
82 pages
Print Icon
To Next Page IconTo Next Page
To Next Page IconTo Next Page
To Previous Page IconTo Previous Page
To Previous Page IconTo Previous Page
Loading...
STR-DG500/DG600
2020
STR-DG500/DG600
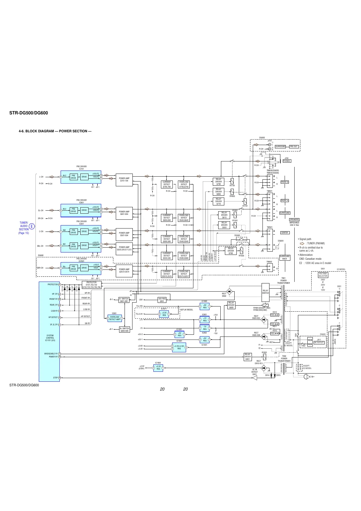
4-6. BLOCK DIAGRAM — POWER SECTION —
8
12
11
DRIVE
POWER AMP
Q701-704
CURRENT
DETECT
Q705,706
RY791
RY600
RY601
RY701
PRE DRIVER
IC701
IN 2
+VOUT2
-VOUT2
SPEAKERS
IMPEDANCE
USE 8-16
R
L
FRONT B
L
-1
L
-2
R
SURROUND
SURROUND
BACK
CENTER
R
L
R
R-CH
R-CH
R-CH
R-CH
L-CH
R-CH
SL-CH
C-CH
R-CH
SR-CH R-CH
TUNER/
AUDIO
SECTION
E
RY901
RY801(EXCEPT CND)
RY802,803(CND)
AC1
AC2
F2
+3.3V
(STBY)
+2.6V
+5V-1
-7V
+7V
TU+10V
-20V
RECT
D910-913
T902
POWER
TRANSFORMER
D914
AC IN
DETECT
Q921
D915
AC IN
~
OVERLOAD
DETECT
D740,Q740
1
61
12
11
DRIVE
POWER AMP
Q501-504
CURRENT
DETECT
Q505,506
-20V REG
Q801
B- SWITCH
Q691,692
RELAY
DRIVER
Q901
PRE DRIVER
IC501
PRE DRIVER
IC2501
IN2
+VOUT2
-VOUT2
OVERLOAD
DETECT
D540,Q540
8
12
11
DRIVE
POWER AMP
Q651-654
CURRENT
DETECT
Q655,656
PRE DRIVER
IC601
IN 2
+VOUT2
-VOUT2
OVERLOAD
DETECT
D640,Q640
RELAY
DRIVER
Q790
RELAY
DRIVER
Q610
RY501
RY500
DG500
DG600
RELAY
DRIVER
Q550
RELAY
DRIVER
Q760
69
66
62
PROTECTOR
D721,722,732
Q722,723,725,793,795
55
58
48
68
F1
OVERLOAD
DETECT AMP
72
IC691
-B-1
-B
+3.3V/+2.6V
REG
4
5
+3.3V
2
IC1901
+5V-2
+5V
REG
13
IC1001
TU+3.3V
+3.3V
REG
13
IC1071
+3.3V
REG
13
IC1904
+9V
REG
13
IC1902
-15V
+15V
+7V
REG
31
IC801
-7V
REG
13
IC802
+5V
REG
13
IC1031
+B
+B-1
R-CH
R-CH
R-CH
-B-1 +B-1
R-CH
R-CH R-CH
RECT
D802
RECT
D920-923
RECT
D805-808
T901
POWER
TRANSFORMER
TM600(DG600)
TM602(DG500)
R
FRONT A
SURROUND PRE OUT
L
R-CH
TM601
J310
TM501
J791
PHONES
HP-RY
SB-RY
FRONT RY
REAR-RY
C/SB RY
HP DETECT
HP-RY
HP DETECT
SB-RY
FRONT-RY
REAR-RY
C/SB RY
HP_RY
FRONT RY
REAR_RY
PROTECTOR
HP DETECT
P0WER RY
67
SP_B_RY
72
BRIDGEABLE RY
STOP
C/SB RY
AEP,UK MODEL
SYSTEM
CONTROL
IC1101 (5/5)
PRE
DRIVE
PRE
DRIVE
6
2
3
DRIVE
POWER AMP
Q533,534,571,572
CURRENT
DETECT
Q535,536
IN1
DG600
D1110
D1108
D1107
D1111
DG600
+VOUT1
-VOUT1
OVERLOAD
DETECT
D580,Q580
TM502
PRE
DRIVE
SBR-CH
SBL-CH
1
6
5
DRIVE
POWER AMP
Q2572-2574
CURRENT
DETECT
Q2575,2576
IN+
+VOUT
-VOUT
OVERLOAD
DETECT
D2575,Q2577
-B-1 +B-1
-B-1 +B-1
-B-1 +B-1
PRE
DRIVE
PRE
DRIVE
RELAY
DRIVER
Q710
RELAY
DRIVER
Q809
R810
R811
F902
F901
JW905
JW903
DG600
S901
-3
-2
-1
J911
AC OUTLET
R910
RELAY
SWITCH
EXCEPT
E2 MODEL
EXCEPT
E2 MODEL
E2 MODEL
S901
240V
220V
120V
VOLTAGE
SELECTOR
B+ SWITCH
Q693-695
RELAY
DRIVER
Q800
• Signal path
: TUNER (FM/AM)
• R-ch is omitted due to
same as L-ch.
• Abbreviation
CND: Canadian mode
E2 : 120V AC area in E model
(Page 15)
All manuals and user guides at all-guides.com

Table of Contents

Other manuals for Sony STR-DG500

Related product manuals