EasyManua.ls Logo

Sony STR-DG500 - Printed Wiring Board - S-Video Section; Schematic Diagram - S-Video Section

Sony STR-DG500
82 pages
Print Icon
To Next Page IconTo Next Page
To Next Page IconTo Next Page
To Previous Page IconTo Previous Page
To Previous Page IconTo Previous Page
Loading...
STR-DG500/DG600
3838
STR-DG500/DG600
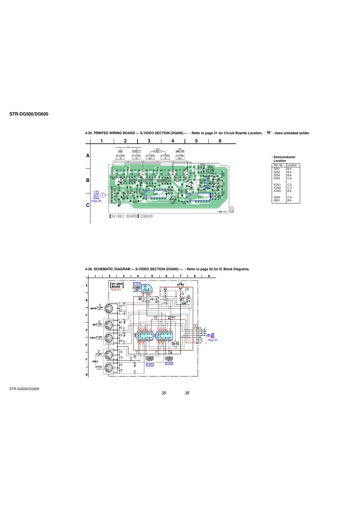
4-26. SCHEMATIC DIAGRAM — S-VIDEO SECTION (DG600) — • Refer to page 52 for IC Block Diagrams.
4-25. PRINTED WIRING BOARD — S-VIDEO SECTION (DG600) — • Refer to page 21 for Circuit Boards Location. : Uses unleaded solder.
IC B/D
IC B/D
IC B/D
C262
R255
R206
R259
R260
C268
R258
C251
R253
R254
R257
C254
CNS252
C258
C259
C265
C266
IC251
IC252
R251
C261
C263
C253
C269
C252
C255
D254
D253
IC253
R252
RY250
C256
D251
D252
C260
R264
C249
R263
R261
C250
Q250
R262
C248
C247
Q251
J251
J252
J253
1
A
B
C
23456
IC252
R258
J251
C265
C268
R259
C269
C259
C258
J253
R257
C254
D252
D251
C255
JW256
JW259
R260
IC253
C247
D253
RY250
C248
JW260
JW258
R252
JW257
R251
C252
JW266
C249
R263
R264
Q250
R261
C250
D254
JW265
R262
CNS252
C251
R255
C266
C262
R206
C263
R254
C260
R253
J252
C261
JW262
JW250
JW254
C253
JW263
JW261
JW252
JW251
IC251
C256
Q251
Semiconductor
Location
D251 B-4
D252 B-4
D253 B-6
D254 C-6
IC251 C-5
IC252 C-3
IC253 B-6
Q250 C-6
Q251 B-6
Ref. No. Location
(Page 36)
(Page 37)
All manuals and user guides at all-guides.com

Table of Contents

Other manuals for Sony STR-DG500

Related product manuals