EasyManua.ls Logo

Sony STR-DG710 - Integrated Circuit Block Diagrams (Continued); HDMI RE Board IC Block Diagrams (Part 1)

Sony STR-DG710
86 pages
Print Icon
To Next Page IconTo Next Page
To Next Page IconTo Next Page
To Previous Page IconTo Previous Page
To Previous Page IconTo Previous Page
Loading...
50
STR-DG710
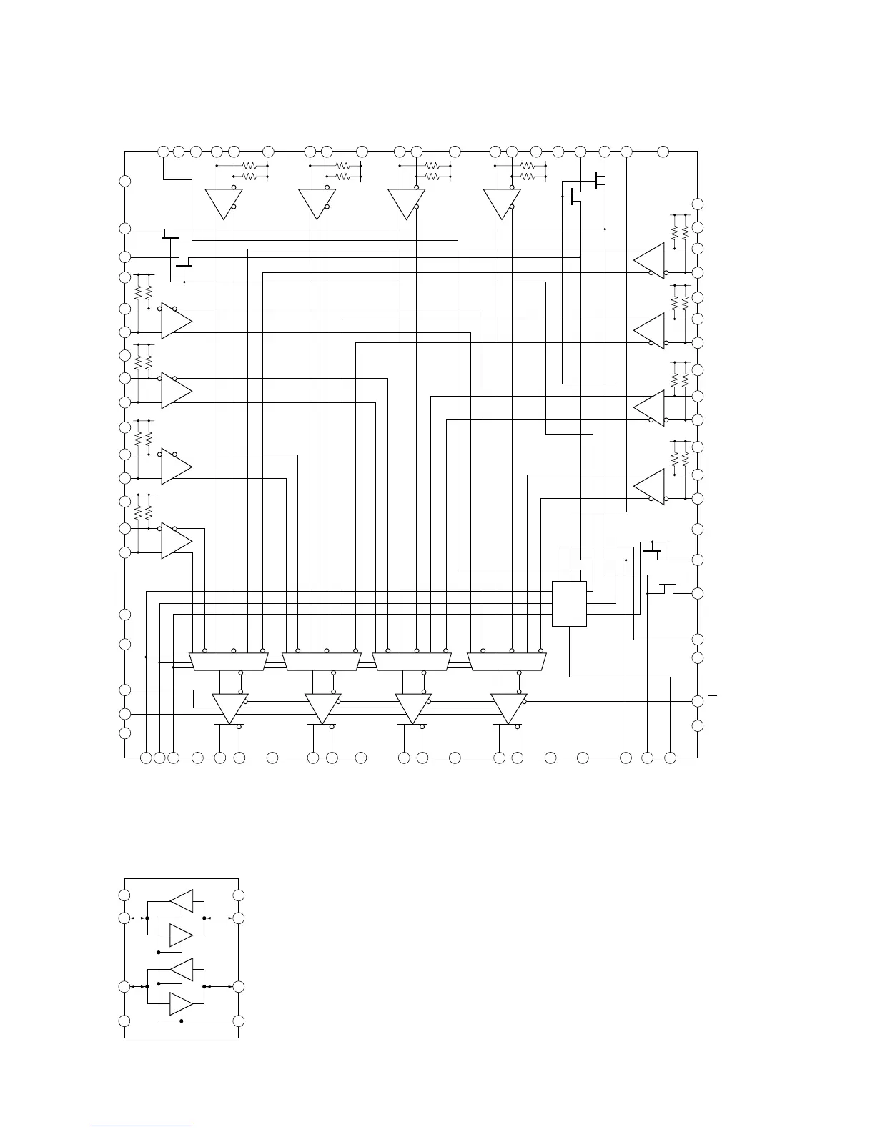
IC3503 TMDS341APFCR (HDMI RE Board (1/2))
IC3507 PCA9517DP.118 (HDMI RE Board (1/2))
1VCCA 8 VCCB
7 SCLB
6 SDAB
5EN
2SCLA
3SDAA
4GND
1
2
59
58
56
55
53
52
50
49
60
57
54
51
42
43
41
44
45
46
47
48
3
4
5
6
7
8
9
10
11
12
13
14
15
16
17
18
19
20
38 39 4035343231292826 27 30 33 36 37252221 23 24
CONTROL
LOGIC
NC
SDA1
SCL1
GND
B11
RX W/EQ
RX W/EQ RX W/EQ RX W/EQ RX W/EQ
RX W/EQ
RX W/EQ
RX W/EQ
RX W/EQ
3-TO-1 MUX3-TO-1 MUX3-TO-1 MUX3-TO-1 MUX
TMDS
DRIVE
TMDS
DRIVE
TMDS
DRIVE
TMDS
DRIVE
RX W/EQ
RX W/EQ
RX W/EQ
A11
VCC
B12
A12
B13
A13
VCC
B14
A14
GND
GND
VCC
VSADJ
PRE
NC
S1
S2
S3
GND
Y4
Z4
VCC
Y3
Z3
Y2
Z2
VCC
Y1
Z1
GND
GND
GND
SCL_SINK
SDA_SINK
HPD_SINK
HPD1
VCC
GND
A24
B24
VCC
A23
B23
GND
B22
VCC
A21
B21
GND
A22
GND
SCL2
SDA2
HPD2
VCC
NC
GND
A34
B34
VCC
A33
B33
GND
A32
VCC
A31
B31
GND
SCL3
B32
SDA3
HPD3
VCC
OE
NC
80 79 7578 77 76 74 73 72 71 70 69 68 67 66 65 64 6163 62
VCC
VCC
VCC
VCC
VCC
VCC
VCC
VCC
VCC
VCC
VCC
VCC

Table of Contents

Other manuals for Sony STR-DG710

Related product manuals