EasyManua.ls Logo

Sony STR-DG710 - Integrated Circuit Block Diagrams (Continued); XM and Display Board IC Block Diagrams

Sony STR-DG710
86 pages
Print Icon
To Next Page IconTo Next Page
To Next Page IconTo Next Page
To Previous Page IconTo Previous Page
To Previous Page IconTo Previous Page
Loading...
53
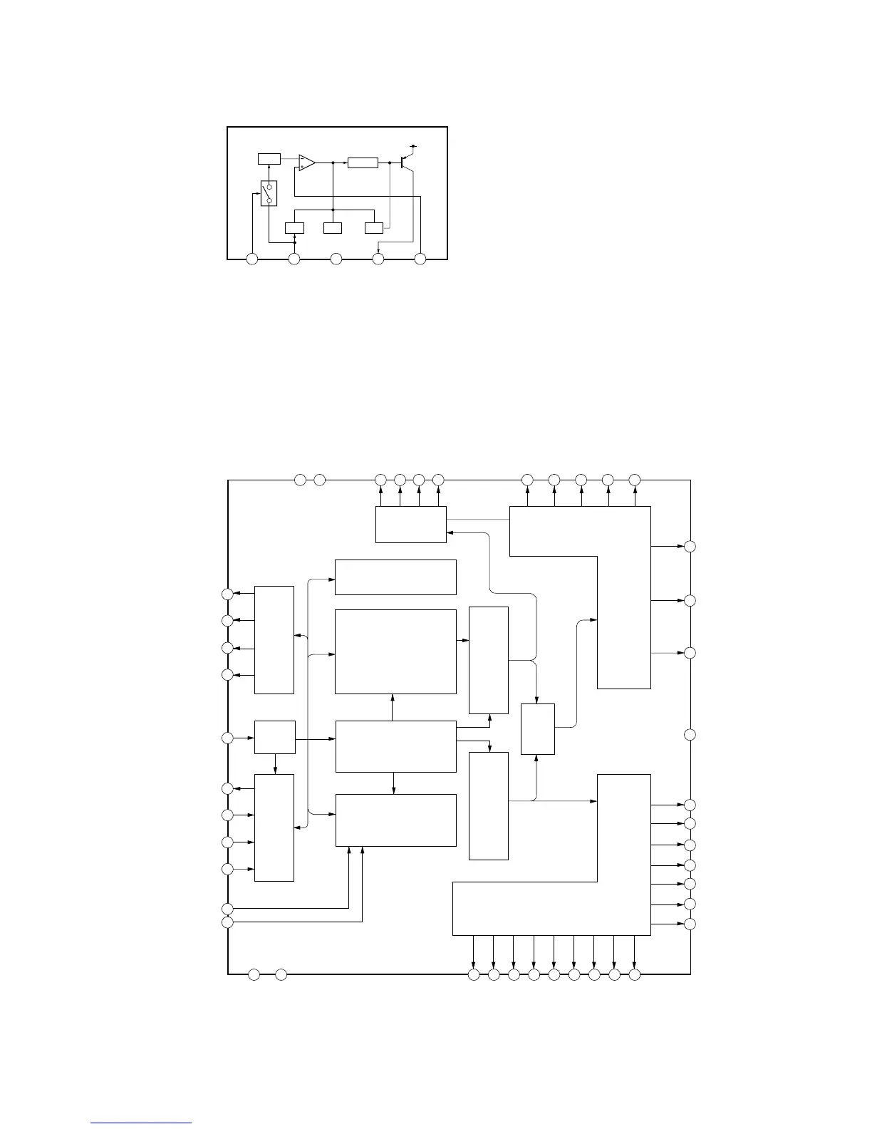
STR-DG710
IC106 BA00CC0WT(-V5) (XM Board)
1
CTL
2
VCC
3
GND
4
OUT
5
C
VREF
TSDOVP OCP
VCC
DRIVER
IC100 PT6315 (DISPLAY Board)
1
2
3
4
5
4-bit latch
24-bit output latch
12-bit shift register
Data selector
6
7
8
9
10
11
12 13 14 15 16 17 18 19 20 21 22
23
24
25
26
27
28
29
30
31
32
33
3435363738
Serial
interface
OSC
Timing generator
key scan
Display memory
24 bits x 12 words
Key data memory
(2 x 16 bits)
Command decoder
segment driver
Grid driver
Multiplexed driver
394041424344
SW1
SW2
SW3
SW4
OSC
DOUT
DIN
CLK
STB
KEY1
KEY2
VSS
VDD
SEG1
SEG2
SEG3
SEG4
SEG5
SEG6
SEG7
SEG8
SEG9
SEG10
GRID9
GRID8
GRID7
GRID6
GRID5
GRID4
GRID3
GRID2
GRID1
VDD
VSS
SEG11
SEG12
SEG13
SEG14
SEG15
SEG16
VEE
SEG17
GRID11
GRID10

Table of Contents

Other manuals for Sony STR-DG710

Related product manuals