EasyManua.ls Logo

Sony STR-K680 - Schematic Diagram - Main Board (3;3); Main Circuitry Part 3

Sony STR-K680
54 pages
Print Icon
To Next Page IconTo Next Page
To Next Page IconTo Next Page
To Previous Page IconTo Previous Page
To Previous Page IconTo Previous Page
Loading...
2424
STR-K680/K780
STR-K680/K780
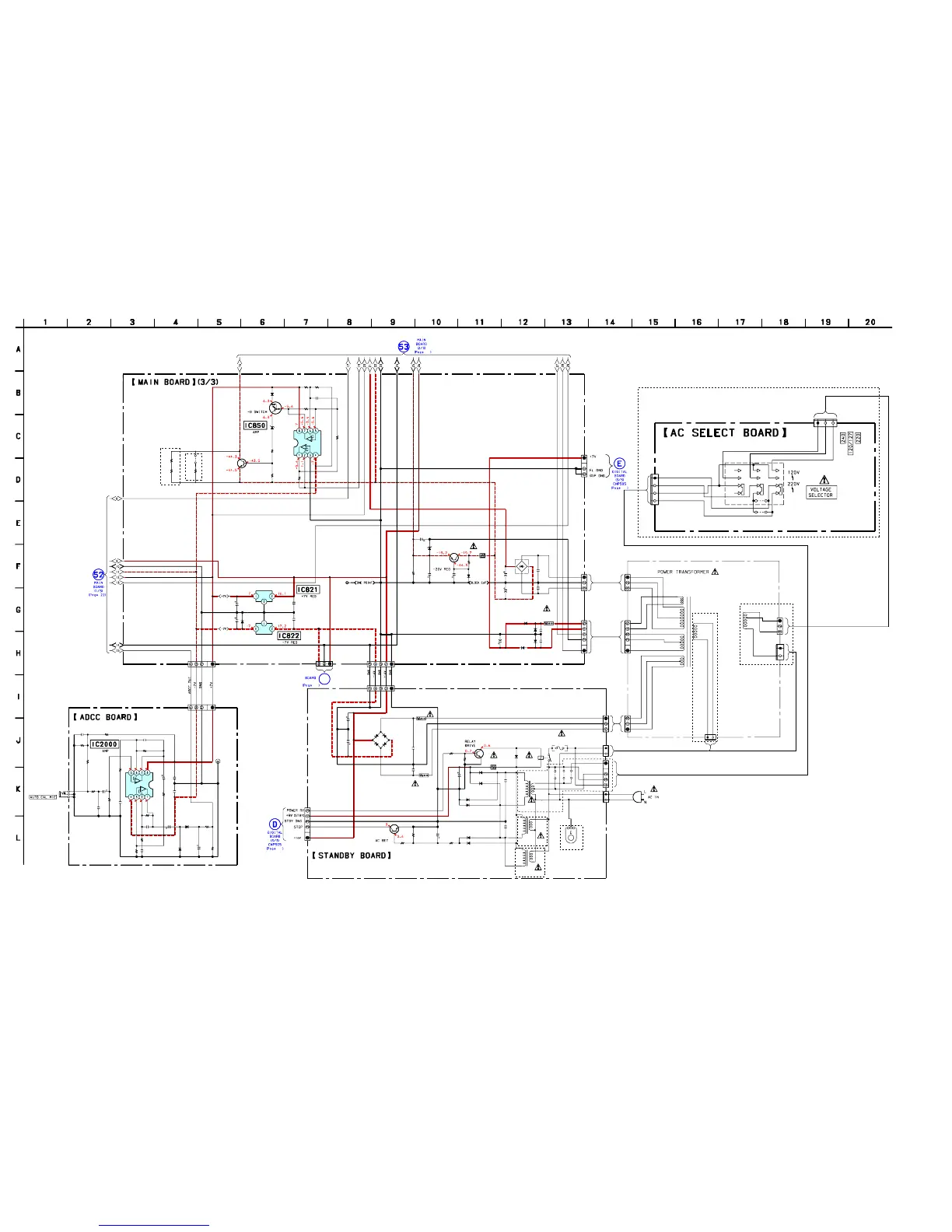
3-11. SCHEMATIC DIAGRAM – MAIN BOARD (3/3), AC SELECT BOARD, ADCC BOARD, STANDBY BOARD –
VIDEO
CNP156
31
20
23
20
No mark : FM
0
0
0
0
0
0
7.1
-7
240V
R803
T901
R806
CNP901
CNP902
D802
C806
C807
C808
D821
R911
C913
R912
R913
R905R904
R903
R851
R852
R853R854
R855
R857
R856
C914
R804
FH952
FH902
D804
D923
D922
D921
D920
D807
D806
D805
IC850
R810
Q852
CNP801
IC822
CNP904
IC821
D852
C813
C814
C811
0.22
100V
0.22
100V
C812
C801
C802
C821
C822
C851
C901
C902
C911
C912
C823
C824
G901
TP2
IC2000
C2002
R2001
C2008
C2006
C2014
R2006
R2010
R2000
C2010
R2008
R2007
R2005
R2003
C2003
C2013
R2015
R2016
C2011
C2012
TP2000
C2001
R2017
R2018
C2018
R2019
J2000
C803
CN504
CNP916
CNP906
C915
C916
R812
D912
D913
D911
D910
CNP903
CNP900
CNP2000
C2005
Q851
D851
CNP732
Q801
D811
R910
Q901
D901
RY901
F901
F901
T2A/250V : E51
T4A/250V : MX
T2.5AL/125V : EXCEPT E51, MX
T902
Q911
D914
D915
D2014
D2013
4.7
22k
3P
5P
47
35V
47
35V
47
35V
AK04V1
47k
0.47
50V
33k
10k
14.7k
47k
10k
10k
10k33k
220k
10k
470k
3300
16V
10k
10EDB40-TA2B5
10EDB40-TA2B5
10EDB40-TA2B5
10EDB40-TA2B5
10EDB40-TA2B5
10EDB40-TA2B5
10EDB40-TA2B5
10EDB40-TA2B5
0.22
5P
HZ6.8BP-TK
TA79007S
DTA124ESA-TP
NJM4565D
2P
JW
0.22
0.22
0.1
0.1
0.1
TA7807S
0.22
0.22
0.22
0.22
47
25V
47
25V
FH
FH
BOARD IN WIRE
FROM TP1
NJM4565D
1
50V
10k
56p
1
50V
0.47
50V
1k
10k
1k
0.033
560k
10k
1M
10k
0.033
1
50V 33k
15k
0.022
0.022
CHASSIS GND
100p
2.2k
1.2k
0.1
2.2k
3300
16V
3P
5P
5P
2200
25V
1000
25V
0.22
10EDB40-TA2B5
10EDB40-TA2B5
10EDB40-TA2B5
10EDB40-TA2B5
3P
2P
4P
33p
2SC1815GR-TPE2
ISS133T-72
4P
2SB734-T-34
D5SBA20-4003
0.33
1/2W
2SC1740S-QRT
ISS133T
-72
2SC1740S-QRT
1SS133T-72
1SS133T-72
ISS133T-72
ISS133T-72
EARTH TERMINAL
4700
63V
4700
63V
AR, MX
AR, MX
JW905
JW901
JW902
E51
CNP905
4P
TP902
TP900
POWER TRANSFORMER
POWER
TRANSFORMER
POWER
TRANSFORMER
K780
EXCEPT
E51
D801
HZS20-
1LTA
CN905
4P
CNP910
3P
JW903
JW904
E51
E51
240V
220V
JW607
EXCEPT E51, AR
*
R859
MX : 220 2W
K780 : 270 2W
E51, AR
R858
470
2W
R858
330
2W
R859
*
CN505
3P
S901
N
Ver. 1.2

Related product manuals