EasyManua.ls Logo

Sony STR-V929X - Printed Wiring Board Video Section

Sony STR-V929X
64 pages
Print Icon
To Next Page IconTo Next Page
To Next Page IconTo Next Page
To Previous Page IconTo Previous Page
To Previous Page IconTo Previous Page
Loading...
STR-DB830/DB930/V929X
— 39 — — 40 —
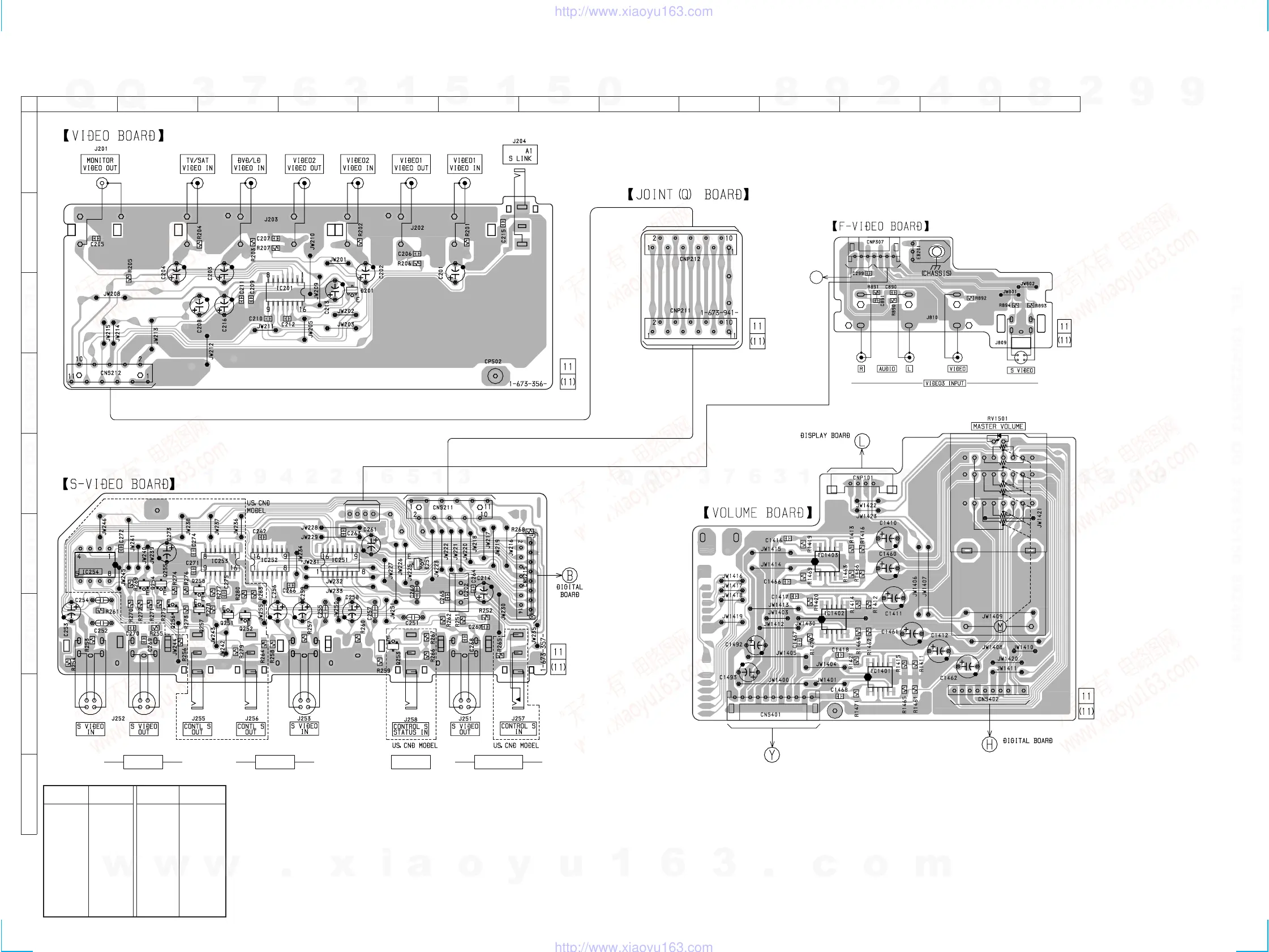
4-17. PRINTED WIRING BOARD VIDEO SECTION • See page 11 for circuit board location.
VIDEO1 DVD/LD TV/SAT MONITOR
(Page 22)
CTRL
(PAGE 21)
(PAGE 24)
(PAGE 21)
MAIN BOARD
1-673-362-
1-673-367-
17
V
MAIN BOARD
(Page 43)
CNS210
4
1
12
A
B
C
D
E
F
G
H
I
345678910111213
16
Semiconductor Location
Ref. No. Location Ref. No. Location
D251 F-5
IC202 G-6
IC251 F-4
IC252 F-4
IC253 F-3
IC254 F-1
IC1401 H-11
IC1402 G-11
IC1403 F-11
Q251 G-3
Q252 G-3
Q253 G-5
Q254 F-2
Q255 F-2
Q256 G-2
Q257 G-3
Q258 F-2
w
w
w
.
x
i
a
o
y
u
1
6
3
.
c
o
m
Q
Q
3
7
6
3
1
5
1
5
0
9
9
2
8
9
4
2
9
8
T
E
L
1
3
9
4
2
2
9
6
5
1
3
9
9
2
8
9
4
2
9
8
0
5
1
5
1
3
6
7
3
Q
Q
TEL 13942296513 QQ 376315150 892498299
TEL 13942296513 QQ 376315150 892498299
http://www.xiaoyu163.com
http://www.xiaoyu163.com

Related product manuals