EasyManua.ls Logo

Sony STR-V929X - Technical Diagrams and Component Details; System Block Diagrams

Sony STR-V929X
64 pages
Print Icon
To Next Page IconTo Next Page
To Next Page IconTo Next Page
To Previous Page IconTo Previous Page
To Previous Page IconTo Previous Page
Loading...
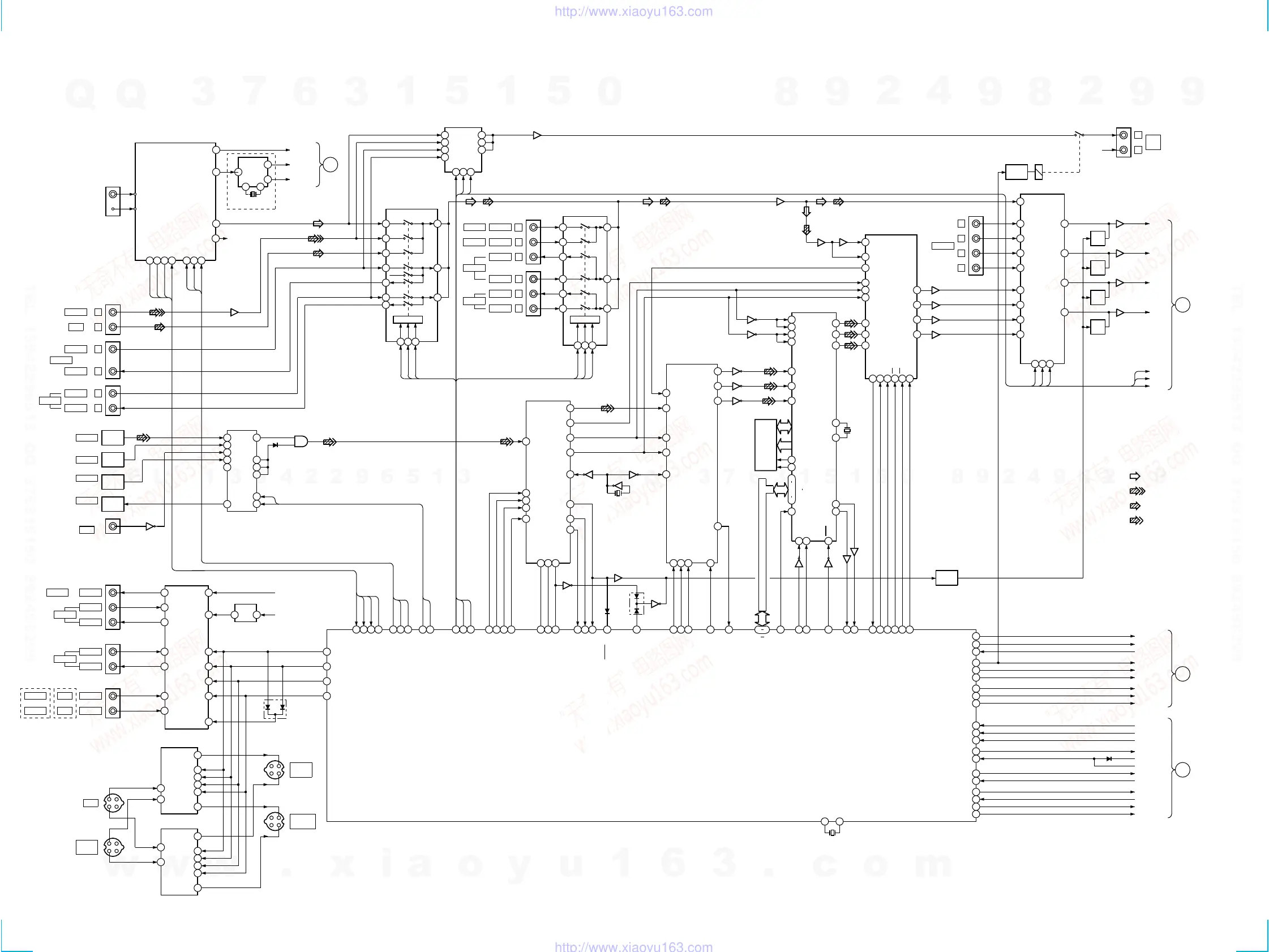
STR-DB830/DB930/V929X
— 7 — — 8 —
SECTION 4
DIAGRAMS
L
58
DATA
FM
AM
FM
75
AM
DO
TUNED
T. MUTE
STEREO
DATA
CLK
CE
L OUT
R OUT
TUNER UNIT
DO
TUNED
MUTING
STEREO
S DATA
S CLK
S LAT
R CH
: FM
: CD
• Signal Path
• RCH is omitted
PHONO
LCD
J301
LINPUT
LOUTPUT
J302
J001
DAT/MD
M OUT
1
J201
MONITOR
J202
J203
TV/LD
DVD
VIDEO 2
VIDEO 1
V1 IN
13
V1 OUT
15
V2 IN
9
V2 OUT
11
TV
3
LD
5
8
VEE
16
VCC
14
SW1
10
SW2
4
SW3
6
SW4
3 2
VIDEO SELECT
IC201
-5V
REG
IC202
-15V
+5V
4
3
2
8
6
11
5
9
12
CONTROL
CE
16
CLK
14
DI
15
AUDIO SELECT
IC301
MUTE
Q1502
S LAT
S CLK
S DATA
EQ AMP
IC302
MUTE
Q1506
IC1508
MUTE
Q1505
VIDEO(SW1)77
SYSTEM
CONTROL
IC201
VIDEO(SW2)76
VIDEO(SW3)
75
VIDEO(SW4)
72
16
59
AUTO STOP
60
STEREO
84
TUNER MUTE
S DATA
S CLK
S LAT
DO
TUNED
STEREO
TMUTE
56
DATA
57
CLOCK
55
LATCH
D
: PHONO
27
26
24
22
23
17
CONTROL
CE
16
CLK
14
DI
15
SELECTOR
IC303
S LAT
S CLK
S DATA
25
20
L
TAPE (MD)
INPUT
LOUTPUT
Y
V1 O
VIDEO 1
INPUT
5
15
1
LD
M O
Y SWITCH
IC252
D201
VIDEO 1
OUTPUT
Y
C
C
C SWITCH
IC251
C
Y
J251
MONITOR
OUTPUT
J253
J252
J303
V1 O
13
15
1
V1 I
M O
13
V1 I
C
Y
DVD
5
LD
LTV/DBS
L
J305
VIDEO2
INPUT
INPUT
LOUTPUT
L
VIDEO1
OUTPUT
LINPUT
J304
TM301
ANTENNA
4 14 15 13 2 3 1
10
12
10
LINPUT
DVD/LD
21
IR LINK
DET
IC001
DVD/LD
IR LINK
DET
IC002
TV/DBS
IR LINK
DET
IC003
DAT/MD
IR LINK
DET
IC004
MD/DAT
(INPUT)
(REC OYT)
DVD
COAXIAL
IC007
14SW1
10SW2
4SW3
6SW4
14SW1
10SW2
4SW3
6SW4
INPUT
OUTPUT
INPUT
INPUT
OUTPUT
OUTPUT
DVD/LD
TV/DBS
INPUT
US,CANADIAN
MODEL
AEP
MODEL
5
4
6
3
4
9
SELECT
SWITCH
IC1005
7
B
A
14
2
B
A
IC1006
112
DI
108
DIG IN A
107
DIG IN B
A
B
110
CL
111
CE
115
BY SYNC
113
DO
DIGITAL AUDIO
I/F RECEIVER
IC1101
D IN
3
BP SYNC
33
DI
36
CLK
38
CE
37
16
DATA
13
CK OUT
14
BCK
22
12.288M
34
ERROR
35
DO
X3501
12.288MHz
IC1404
IC1404
XI
8
SDIA0
84
SDIA1
85
SDWCK0
82
DOLBY
DIGITAL AUDIO DECODER
IC1301
24
AUDATA0
23
AUDATA1
22
AUDATA2
D0-7
SCK
69
1
SCCLK
SI
68
CS
66
IC
62
2
SI
4
CS
5
IC
67
SO
3
SO
114
D1202
106
ANALOG/DIG
ERROR
A0-7
D0-7
SRAM
IC1402
SIA
117
SIB
118
SIC
119
XWE
74
XOE
70
16
20
23
25
.
HD0
HD7
D0-7
HD0 HD7
13
XHDWR
25
HA0
AUDIO DSP
IC1401
HA0
15
XHDWR
9
XHDCS
14
XRST
26
16
XHDCS
27
HRDY
26
XRST
13
HRDY
5
SOD
15
SOD
30
CDTI
IC1202
IC1202
Q1201
Q1202
31
CDTO
29
CCLK
28
CS
32
PD
2
SOA
LRCK1
116
LRCK0
115
BCK1
114
3
SOB
4
SOC
27
L OUT1
LIN-
29
AUDIO CODEC
IC1503
CDTO
44
CDTI
43
CCLK
42
CS
41
PD
17
SDTO
9
MCLK1
39
BCLK
4
LRCK
5
SDTI 1
6
SDTI 2
7
SDTI 3
8
LIN+
30
IC1504 IC1504
23
L OUT3
IC1508
IC1509
MUTE
Q1504
IC1510
24
R OUT3
25
L OUT2
IC1507
IC1505
IC1505
IC1506
MUTE
CONT
Q1507
Q1204
U DATA
50
DISP DATA
52
DISP CLK
49
DISP MR
51
SREQ
10
SOTO
9
SINO
87
MD2
89
MD0
90RESET
U CLOCK
U MREQ
U SREQ
SOT0
SIN1
MD2
MD0
U REST
105RY POWER
RY POWER
AC MUTE
PROTECT
RY HP
RY FRONT A
RY FRONT B
RY CENTER
RY WOOFER
RY REAR
AC MUTE
PROTECTOR
HP RY
SP/A RY
SP/B RY
RY CENTER
RY WOOFER
REAR SP RY
C
92
XO
93
XI
X1201
16MHz
67STOP
STOP
: DVD
IC11404
AEP ONLY
9FM DET
4
2
13 14
RDS
IC1
X1
4.33MHz
6
ANT LEVEL
16
ANT LEVEL
RDS DATA
RDS CLK
A
TUNER
26
CD
27
MD
25
TAPE
23
23
COM
20
COM
17
COM
161415
S LAT
S CLK
S DATA
SELECTOR
IC330
2
SW5
S DATA
S CLK
S LAT
47
EV DATA
48
EV CLK
46
EV STB
IC309
32
AUTO
10
11
12
15
LRCK
SDBCK0
83
IC1403
IC1403
IC1403
BCK0
113
IC1403
IC1403
DFS
11
99
CLKI
100
CLKO
X1401
10MHz
RELAY
DRIVE
Q301
L
LS
J1002
5.1 INPUT
C
W
SELECTOR
IC1502
2CH L
19
S.1-L
20
S.1-LS
23
S.1-C
26
S.1-C
3
L
21
C
27
W
2
LS
24
17
L OUT
25
C OUT
4
W OUT
22LS OUT
161415
S LAT
S CLK
S DATA
RY301
J306
AUDIO
OUT
L
R
R CH
L
C
W
SL
DATA
CLK
LAT
B
XMODE
48
CSFLAG
25
XSTATE
17
109
XMODE
117
CSFLAG
118
XSTATE
116
AUTO
85
S MUTE
Q1102
D1203
Q1203
24 17
82
66
104
99
100
101
103
102
RY PRE PRE RY
98
RESET
D1201
IC304
35
96kHZ
S MUTE
4-1. BLOCK DIAGRAM MAIN SECTION
w
w
w
.
x
i
a
o
y
u
1
6
3
.
c
o
m
Q
Q
3
7
6
3
1
5
1
5
0
9
9
2
8
9
4
2
9
8
T
E
L
1
3
9
4
2
2
9
6
5
1
3
9
9
2
8
9
4
2
9
8
0
5
1
5
1
3
6
7
3
Q
Q
TEL 13942296513 QQ 376315150 892498299
TEL 13942296513 QQ 376315150 892498299
http://www.xiaoyu163.com
http://www.xiaoyu163.com

Related product manuals