EasyManua.ls Logo

Sony STR-V929X - Schematic Diagram Main Section(1;2)

Sony STR-V929X
64 pages
Print Icon
To Next Page IconTo Next Page
To Next Page IconTo Next Page
To Previous Page IconTo Previous Page
To Previous Page IconTo Previous Page
Loading...
STR-DB830/DB930/V929X
— 45 — — 46 —
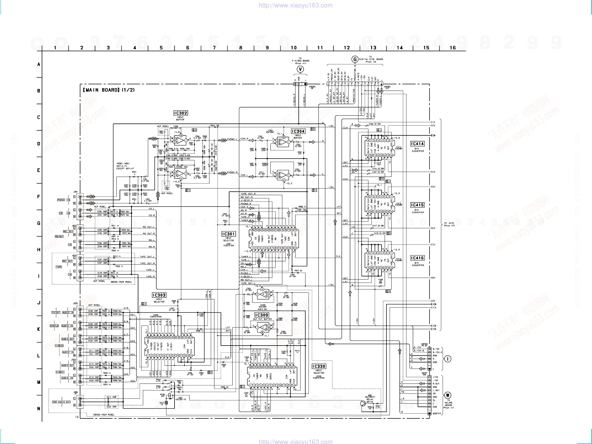
4-20. SCHEMATIC DIAGRAM MAIN SECTION(1/2)
TO
DIGITAL
BOARD
(3/3)
(PAGE 17)
R401
1k
w
w
w
.
x
i
a
o
y
u
1
6
3
.
c
o
m
Q
Q
3
7
6
3
1
5
1
5
0
9
9
2
8
9
4
2
9
8
T
E
L
1
3
9
4
2
2
9
6
5
1
3
9
9
2
8
9
4
2
9
8
0
5
1
5
1
3
6
7
3
Q
Q
TEL 13942296513 QQ 376315150 892498299
TEL 13942296513 QQ 376315150 892498299
http://www.xiaoyu163.com
http://www.xiaoyu163.com

Related product manuals