EasyManua.ls Logo

Sony TC-C5 - Page 4

Sony TC-C5
41 pages
Print Icon
To Next Page IconTo Next Page
To Next Page IconTo Next Page
To Previous Page IconTo Previous Page
To Previous Page IconTo Previous Page
Loading...
TC-C5/C521
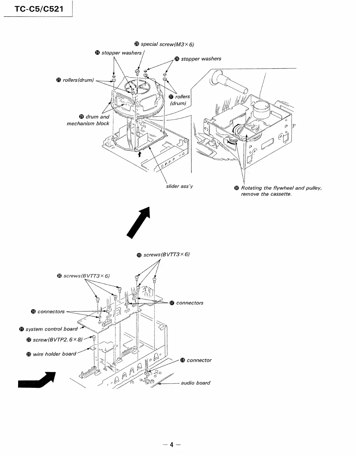
@
special
screw(M3~
6)
@
stopper
washers
@
stopper
washers
eo
7,
rollers(drum)
slider
assy
@
Rotating
the
flywheel
and
pulley,
remove
the
cassette.
screws
(BVTT3
X
6)
@
screws(BVTTS
X
6)
@
connectors
®
connectors

Related product manuals