EasyManua.ls Logo

Sony TC-C5 - Disassembly

Sony TC-C5
41 pages
Print Icon
To Next Page IconTo Next Page
To Next Page IconTo Next Page
To Previous Page IconTo Previous Page
To Previous Page IconTo Previous Page
Loading...
SECTION
2
TC-C5/C521
DISASSEMBLY
NOTE
:
Follow
the
disassembly
procedure
in
the
numerical
order
given.
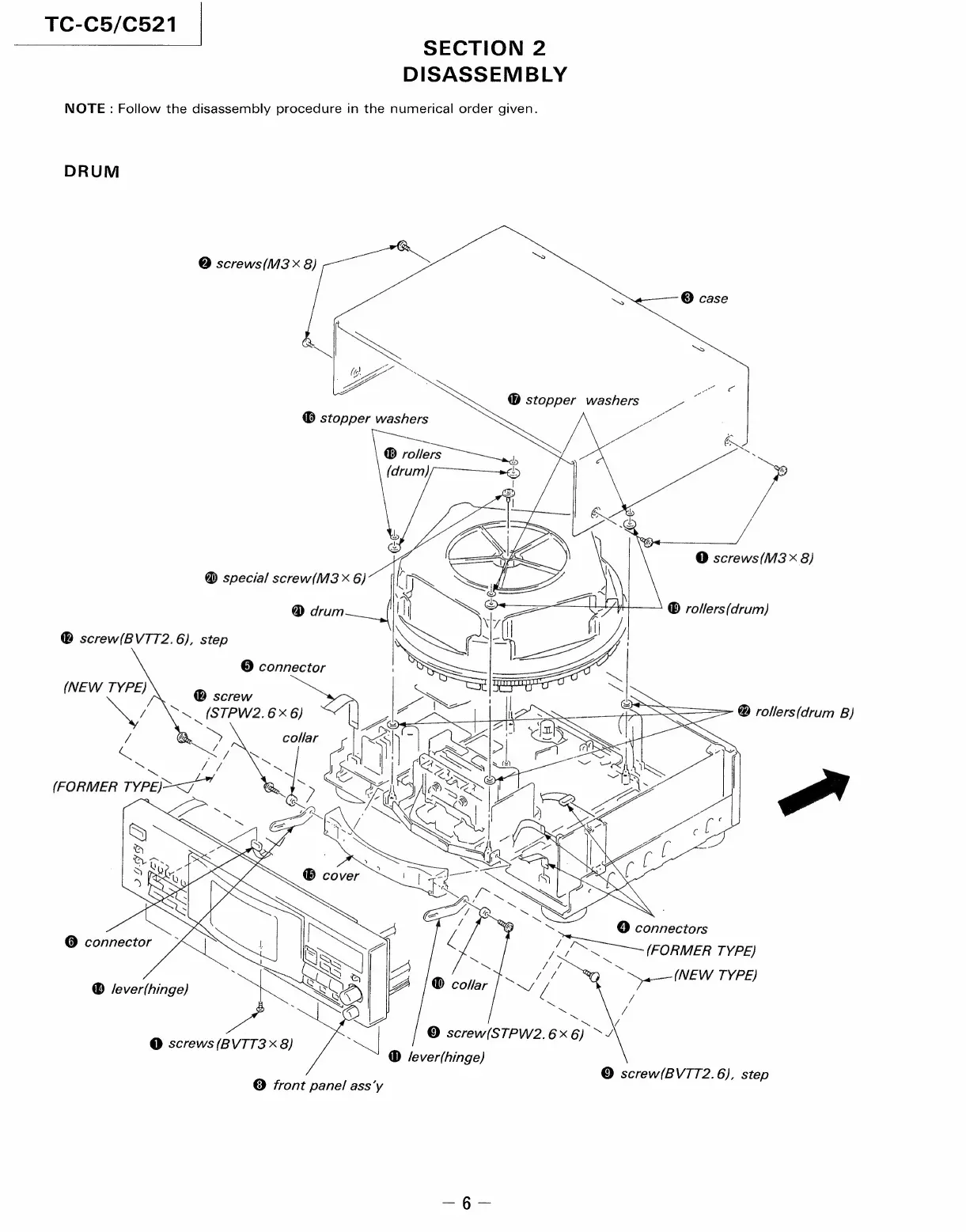
DRUM
@
screws(M3
X
8)
(Qh
nS
Zi
:
a
stopper
washers
aa
®
stopper
washers
of
a
.
i
a
©
rollers
~~.
4,
TS
@
screws
(M3
8)
@
special
screw(M3
x
6)
@
cd
®
rollers(drum)
®
screw(BVTT2.
6),
step
©
connector
(NEW
TYPE)
©
screw
X
/
\O~\.
(STPW2.6*x
6)
2
®
rollers(drum
B)
N
ZA
E
/
aS
collar
<<
i
©,
Sy
/
a
]
i
ae
J
wo
_
:
wae
G
.
as
,
5
A
We
N
m3
Sy
'
N
LONE
x
i
™~
(FORMER
TYPE)><7
~
LS
awe
SS
FE
ate
QQ
OK,
oS
®
cover
~
@
connector
>
BS
®
/ever(hinge)
>>
&
LY
2)
(A
|
®
collar
\A
™~
SS
©
screws
(BVTT3X8)
|
©
screw(STPW2.
6x
6)
®
/ever(hinge)
a
©
screw(BVTT2.
6),
ste
©
front
panel
ass’y
m

Related product manuals