EasyManua.ls Logo

Sony Trinitron KV-24FV12 - Circuit Board Location; Printed Wiring Boardsand Schematic Diagrams; A Board; MB Board

Sony Trinitron KV-24FV12
53 pages
Print Icon
To Next Page IconTo Next Page
To Next Page IconTo Next Page
To Previous Page IconTo Previous Page
To Previous Page IconTo Previous Page
Loading...
KV-24FV12/25FV12/25FV12A/25FV12C
6-3. PRINTED WIRING BOARDSAND
SCHEMATIC DIAGRAMS
All capacitors are in µF unless otherwise noted.
pF: µµF 50 WV or less are not indicated except for
electrolytic and tantalums.
All electrolytics are 50V unless otherwise specified.
Indication of resistance, which does not have one for
rating electrical power, is as follows:
Pitch: 5mm
Rating electrical power 1/4W (CHIP: 1/10W)
All resistors are in ohms.
K = 1000 M = 1000K
: nonflammable resistor
: fusible resistor
: internal component
: panel designation and adjustment for repair
: earth-ground
: earth-chassis
All variable and adjustable resistors have characteristic
curve B, unless otherwise noted.
The components identified by
in this manual have
been carefully factory-selected for each set in order to
satisfy regulations regarding X-ray radiation. Should
replacement
be required, replace only with the value originally used.
When replacing components identified by
, make the
necessary adjustments indicated. If results do not meet
the specified value, change the component identified
by
and repeat the adjustment until the specified value
is achieved (refer to Safety Related Adjustments on
page 19).
When replacing parts shown in the table below, be sure
to perform the related adjustments.
6.2 CIRCUIT BOARD LOCATIONS
A Board
CB Board
K Board
MB Board
VB Board
Part Replaced ( ) Adjustment ( )
HV HOLD-DOWN
(R564)
B+ VOLTAGE
CONFIRMATION
DY, T505, CRT, IC501, C507,C520,
C505, C509, C515, T504,T503,
C551, L510, C546, C537, C547,
D517, D518, D519, R560,R561,
R562, R563, R565, R566, R567,
R525.....................................A Board
IC1301...............................MB Board
IC601, PH601...................A Board
• All voltages are in Volts
Voltage is DC with respect to ground unless otherwise
noted.
Readings are taken with a 10M digital multimeter.
Readings are taken with a color-bar signal input.
Voltage variations may be noted due to normal
production tolerance.
Circled numbers are waveform references.
* : cannot be measured
: B + Line
-----
:B Line
: Signal path
Reference Information
RESISTOR : RN METAL FILM
: RC SOLID
: FPRD NON FLAMMABLE CARBON
: FUSE NON FLAMMABLE FUSIBLE
: RW NON FLAMMABLE WIREWOUND
: RS NON FLAMMABLE METAL OXIDE
: RB NON FLAMMABLE CEMENT
: ADJUSTMENT RESISTOR
COIL : LF-8L MICRO INDUCTOR
CAPACITOR : TA TANTALUM
: PS STYROL
: PP POLYPROPYLENE
: PT MYLAR
: MPS METALIZED POLYESTER
: MPP METALIZED POLYPROPYLENE
: ALB BIPOLAR
: ALT HIGH TEMPERATURE
: ALR HIGH RIPPLE
The components identified by shading and mark
are critical for safety. Replace only with the part
number specified.
The symbol (displayed on component side of
the circuit board) indicates fast operating fuse.
Replace only with fuse of the same rating as marked.
Note:
Les composants identifiés per un tramé et une
marque sont critiques pour la sécurité. Ne les
remplacer que par une piéce portant le numéro
spécifié. Le symbole indique une fusible a
action rapide. Doit etre remplacee par une fusible de
meme yaleur, comme marque.
HZ Board
(KV-25FV12A
MODEL
ONLY)
— 32 —— 31 —
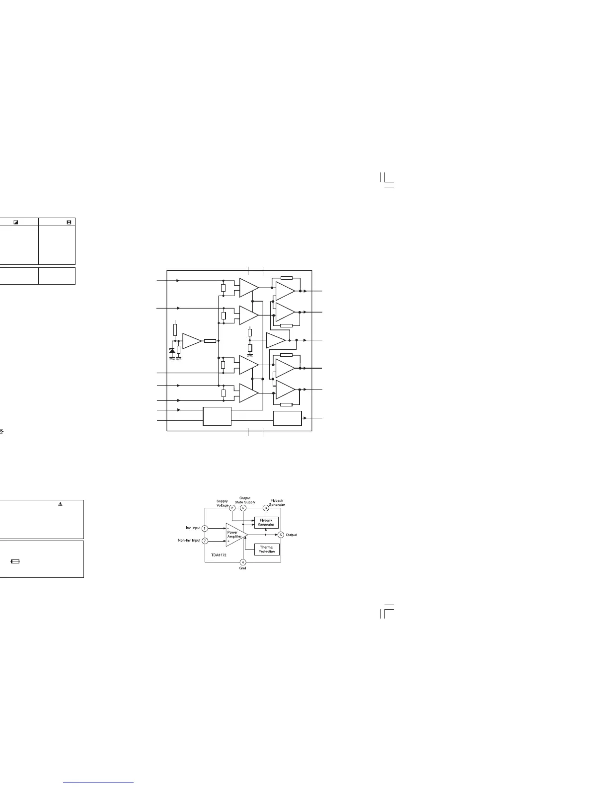
A BOARD: IC502 TDA8172
TDA8580Q/N1
V
P1
3
IN 1
7
V
P2
15
IN 2
8
+
-
+
-
60
k
60
k
V/l
V/l
+
-
OA
+
-
OA
OUT 1 +
OUT 2 -
1
4
45 k
45 k
V
px
30 k
BUFFER
IN 4
IN 5
12
+
-
60
k
60
k
V/l
+
-
OA
+
-
OA
OUT 3 -
OUT 4 +
14
17
45 k
45 k
11
BUFFER
BUFFER
45
k
45
k
V
px
+
-
V/l
MUTE
13
STANDBY
5
DIAG
6
DIAGNOSTIC
INTERFACE
IN 3
10
PGND1
2
PGND2
16
9
A BOARD IC BLOCK DIAGRAMS
A BOARD: IC402 TDA8580Q/N1
881 Block - A PWB.p65 3/15/00, 1:40 PM3

Related product manuals