EasyManua.ls Logo

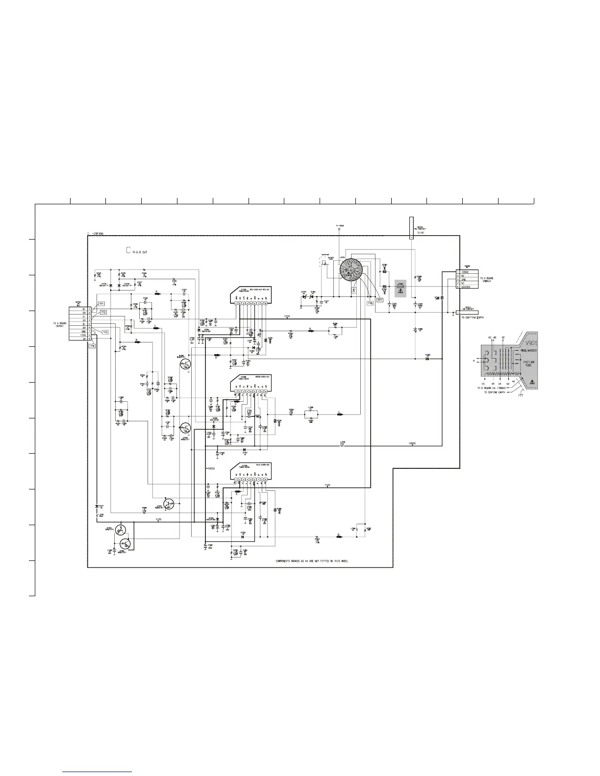
Sony Trinitron KV-29FX66E - C Board Schematic

Sony Trinitron KV-29FX66E
71 pages
Print Icon
To Next Page IconTo Next Page
To Next Page IconTo Next Page
To Previous Page IconTo Previous Page
To Previous Page IconTo Previous Page
Loading...
ABCDE F
G
HIJKLMN
1
2
3
4
5
6
7
8
9
10
11
- 38 -
~ C Board Schematic [ R-G-B Out ] ~

Related product manuals