EasyManua.ls Logo

Sony Trinitron KV-SA28 - Page 35

Sony Trinitron KV-SA28
40 pages
Print Icon
To Next Page IconTo Next Page
To Next Page IconTo Next Page
To Previous Page IconTo Previous Page
To Previous Page IconTo Previous Page
Loading...
35
Additional Information
Sony KV-SA32M36 Group F12 (GB)_2-348-392-11 (1)
123
RLY
C
B
C
R
120W MAX 8
c
120W MAX 8
C
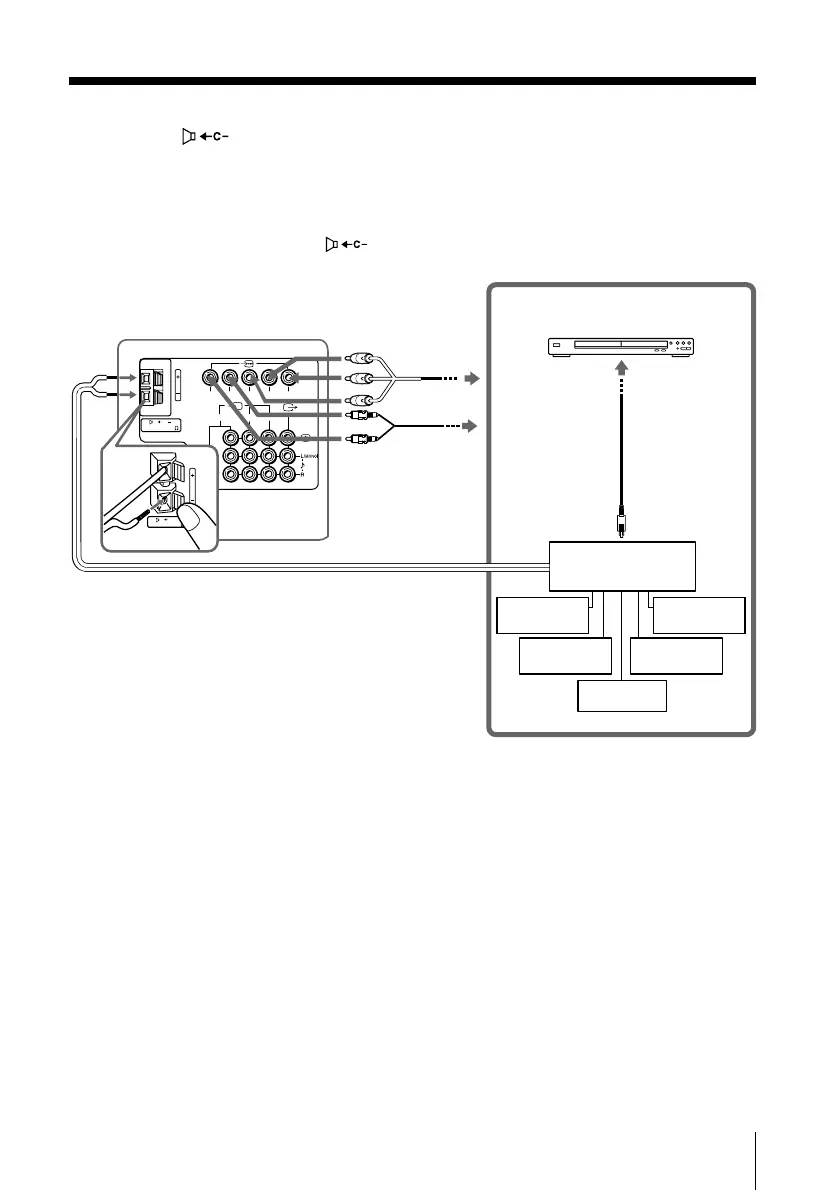
Connecting an amplifier to the center speaker input
terminal (
)
If you use an amplifier with a Dolby* surround decoder instead of the TVs audio
system, you can use the TVs speakers as the center speaker for your audio system.
Using the speaker cords supplied with the amplifier, connect the center speaker
terminals of the amplifier to the (center speaker input) terminals on the TV.
Notes
To use the TVs speakers as the center speaker, you can press the CENTER SP button on the
remote control (see page 10) or display the WEGA Theatre Setup from Setup menu and
select CENTER IN for Speaker (see page 31).
If your TV is set to CENTER IN Speaker and nothing is connected to the center speaker
input terminals on the rear of TV, or the sound source emitted from the amplifier does not
contain the center speaker channel, no sound will be heard from the TVs speaker.
* Dolby is a trademark of Dolby Laboratories.
TV rear panel
Component
video cable
(not supplied)
Audio cable
(not supplied)
Optical digital
cable
(not supplied)
Woofer
Rear
speaker (L)
Rear
speaker (R)
Front
speaker (L)
Front
speaker (R)
Amplifier
DVD player
01GB08ADV-STMOce.p65 10/14/04, 6:08 PM35
Black

Related product manuals