EasyManua.ls Logo

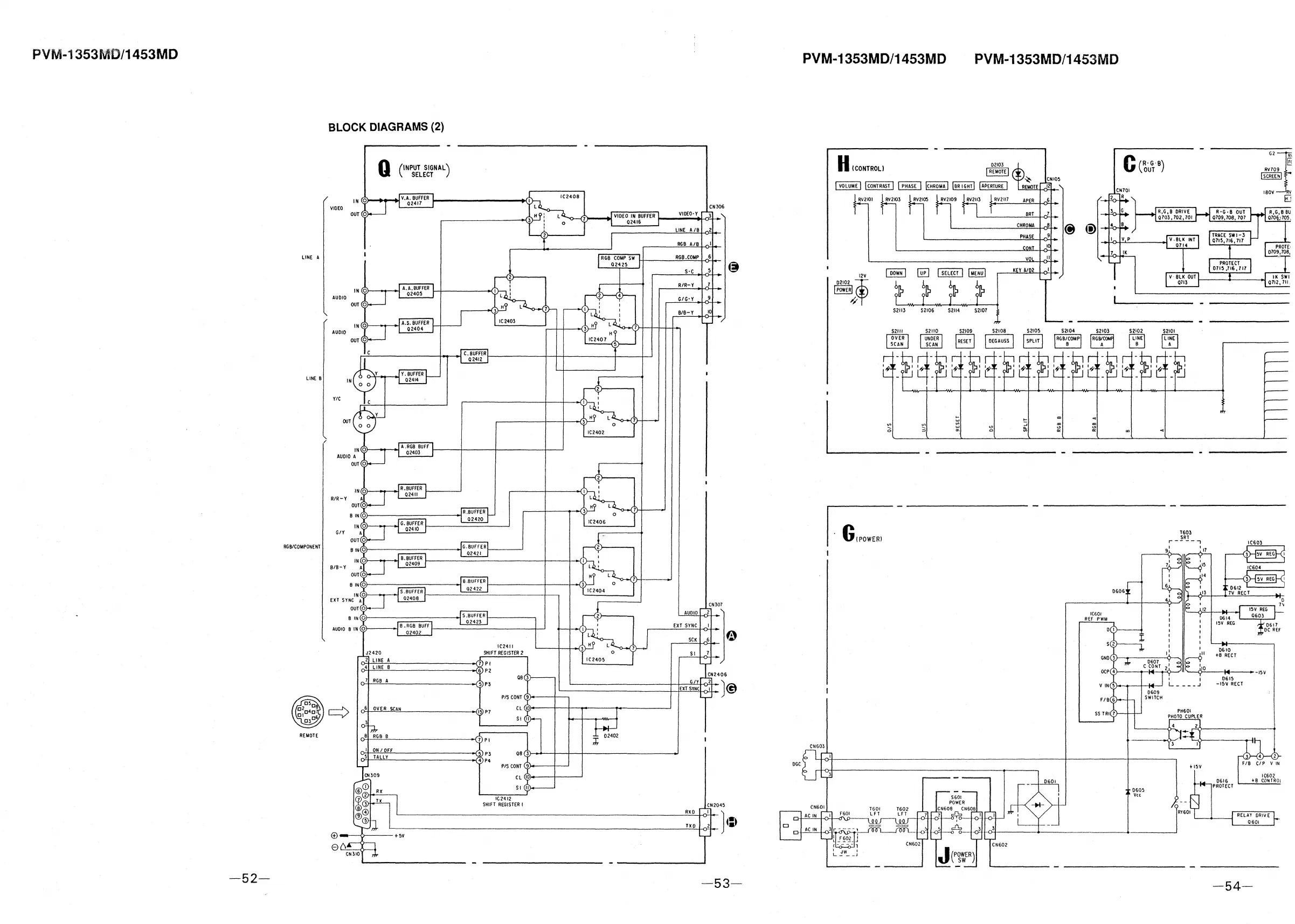
Sony Trinitron PVM-1453MD - BLOCK DIAGRAMS (2); Input Signal Select and Control Logic; Microcomputer and Board Interconnections

Sony Trinitron PVM-1453MD
102 pages
Print Icon
To Next Page IconTo Next Page
To Next Page IconTo Next Page
To Previous Page IconTo Previous Page
To Previous Page IconTo Previous Page
Loading...
PVM-1353MD/1453MD
l.lNE A
LINE B
r
I
RGB/COMPONENT
REMOTE
-52-
BLOCK DIAGRAMS (2)
VIDEO
AUDIO
AUOIO
YIC
R/R-Y
GIY
8/B-Y
Q
(
INPUT
SIGNAL)
SELECT
8. RGB BUFF
02402
tC24 I I
SHIFT REGISTER 2
IC2412
SHIFT REGISTER I
VIOEO
IN BUFFER
02416
CN306
VIOEO·Y
3
LINE A /8
RGB A/8
RGB .COMP
S·C
@
R/R-Y
G/G•Y
8/B-Y
10
CN307
AUDIO
2
Je
EXT SYNC
SCK
SI
EXT SYNC
CN2045
L_ ______________________ :c.:,_::::..+<~i--)1:.
©----0----
0._,__I'>--_.
-53-
PVM·1353MD/1453MD
PVM-1353MD/1453MD
H (CONTROL)
021-03
I REMOTEJ
CN\05
I VOLUME I I CONTRAST I
~
jcHROMA I jaR IGHTI
!APERTURE I
12
RV210-1 RV2i03 RV2105
12V
I OOWN I
~
02102
~
b~
!,~
I POWERJ
..;,
$2113 S2106
CN603
RV2113
RV2117
I SELECT I
I MENU!
b~ b~
S2114 S2107
APER
BRT
CHROMA
@
$2104
@[
!C60t
REF PWM
C (i·u1
9
)
V p
IK
R,G,B DRIVE
0703, 702,701
T603
SRT
r----,
R•G·B OUT
0709,708, 707
TRACE
SW\-3
0715, 716,717
PROTECT
011, ,116,111
0610
+8 RECT
"~
§
RV709
I SCREE•!
180V IN
0617
OC REF
E
111111
1
-15V
0615
-151/ RECT
-54-

Table of Contents

Related product manuals