EasyManua.ls Logo

Sony VPL-CX75 - Page 65

Sony VPL-CX75
72 pages
Print Icon
To Next Page IconTo Next Page
To Next Page IconTo Next Page
To Previous Page IconTo Previous Page
To Previous Page IconTo Previous Page
Loading...
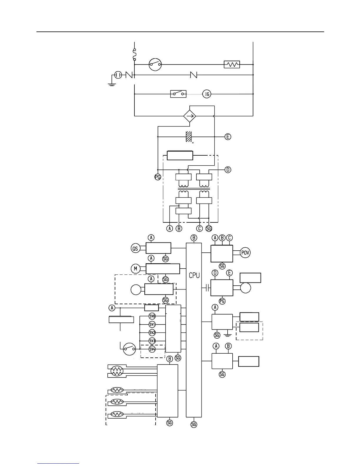
Manuel – Chauffe-eau d’intérieur série VB LS 65
Diagramme en escalier (R75LSi, R94LSi)
PHASE
NEUTRE
CONTACT DE
DÉTECTION DE GEL
5 A
ANTI-FOUDRE
ANTI-FOUDRE
TERRE
VARISTOR
VARISTOR
RELAIS 1
ALLUMAGE
ALIMENTATION À
DÉCOUPAGE
12 V CC
170 V CC
40 V CC
12,6 V
5 V CC
DÉTECTEUR
D'ÉCOULEMENT
ÉLECTRO-
VANNE À
MODULATION
CIRCUIT D'ALIMENTA-
TION D'ÉLECTRO-
VANNE À
MODULATION
CIRCUIT
DÉTECTEUR
D'ÉCOULEMENT
DISPOSITIF DE CON-
TRÔLE D'ÉCOULEMENT
CIRCUIT DISPOSITIF DE
CONTRÔLE D'ÉCOULEMENT
CIRCUIT DE CONTRÔLE
D'ÉCOULEMENT DE
DÉRIVATION
MODÈLE D'INTÉRIEUR UNIQUEMENT
THERMISTANCE DE
TEMPÉRATURE D'AIR
CIRCUIT DE
THERMISTANCE
CIRCUIT DE
CONTRÔLEUR
À DISTANCE
CONTRÔLEUR À
DISTANCE
THERMISTANCE D'ÉCHAGEUR
THERMIQUE
THERMISTANCE DE
SORTIE D'EAU 1
INTERRUPTEUR
DE SUR-
CHAUFFE
CIRCUIT DE
DÉTECTION DE
FLAMME
CIRCUIT DE
COMMANDE
D'ÉLECTRO-
VANNE
ÉLECTRODE
DE FLAMME 1
RELAIS 1
CIRCUIT DE
COMMANDE
DE RELAIS
DISPOSITIF DE
CONTRÔLE DÉCOULE-
MENT DE DÉRIVATION
CIRCUIT DE
COMMANDE DE
VENTILATEUR
VEBTILATEUR
DE COMBUS-
VENTI-LATEUR
UNITÉ
CENTRALE
DE
TRAITE-
MENT
FUS THER.
THERMISTANCE DE SORTIE
D'EAU 2
THERMISTANCE DE
BRÛLEUR
ÉLECTRODE
DE FLAMME 2
R94LS Séries UNIQUEMENT
Pour les modèles R98LSi et
R98LSiASME, consultez la page
suivante.
TERRE
M

Table of Contents

Related product manuals