EasyManua.ls Logo

Sony WM-EX190 - Schematic Diagram

Sony WM-EX190
16 pages
To Next Page IconTo Next Page
To Next Page IconTo Next Page
To Previous Page IconTo Previous Page
To Previous Page IconTo Previous Page
Loading...
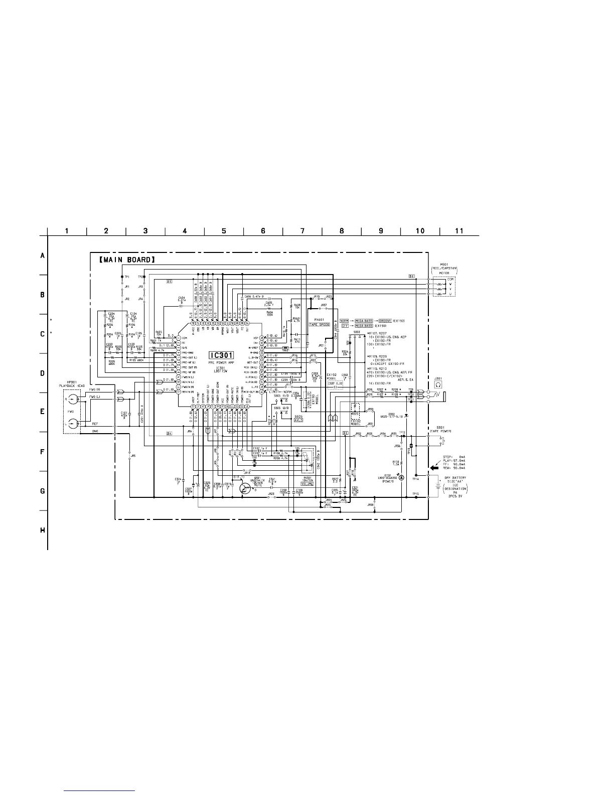
WM-EX190/EX192
5-3. SCHEMATIC DIAGRAM
— 11 — — 12 —
Note on Schematic Diagram:
All capacitors are in µF unless otherwise noted. pF: µµF
50 WV or less are not indicated except for electrolytics
and tantalums.
All resistors are in and
1
/
4
W or less unless otherwise
specified.
% : indicates tolerance.
C : panel designation.
U : B+ Line.
H : adjustment for repair.
Total current is measured with no cassette installed.
Power voltage is dc V and fed with regulated dc power
supply from external power voltage jack.
Voltages and waveforms are dc with respect to ground
under no-signal (detuned) conditions.
no mark : STOP
( ) :PLAY
Voltages are taken with a VOM (Input impedance 10 M).
Voltage variations may be noted due to normal produc-
tion tolerances.
Signal path.
E : PB
Abbreviation
CND : Canadian model
FR : French model
EA : Saudi Arabia model
• Refer to page 13 for IC Block Diagram.
68
15
15
EX190 : E/
EX192 : AEP, E, EA
2.2M
C609
1000p
C343
1000p
R106, R206
150 : EX192: FR
100 : EXCEPT EX192: FR
R104, R204
680 : EX192: FR
470 : EXCEPT EX192: FR

Related product manuals