EasyManua.ls Logo

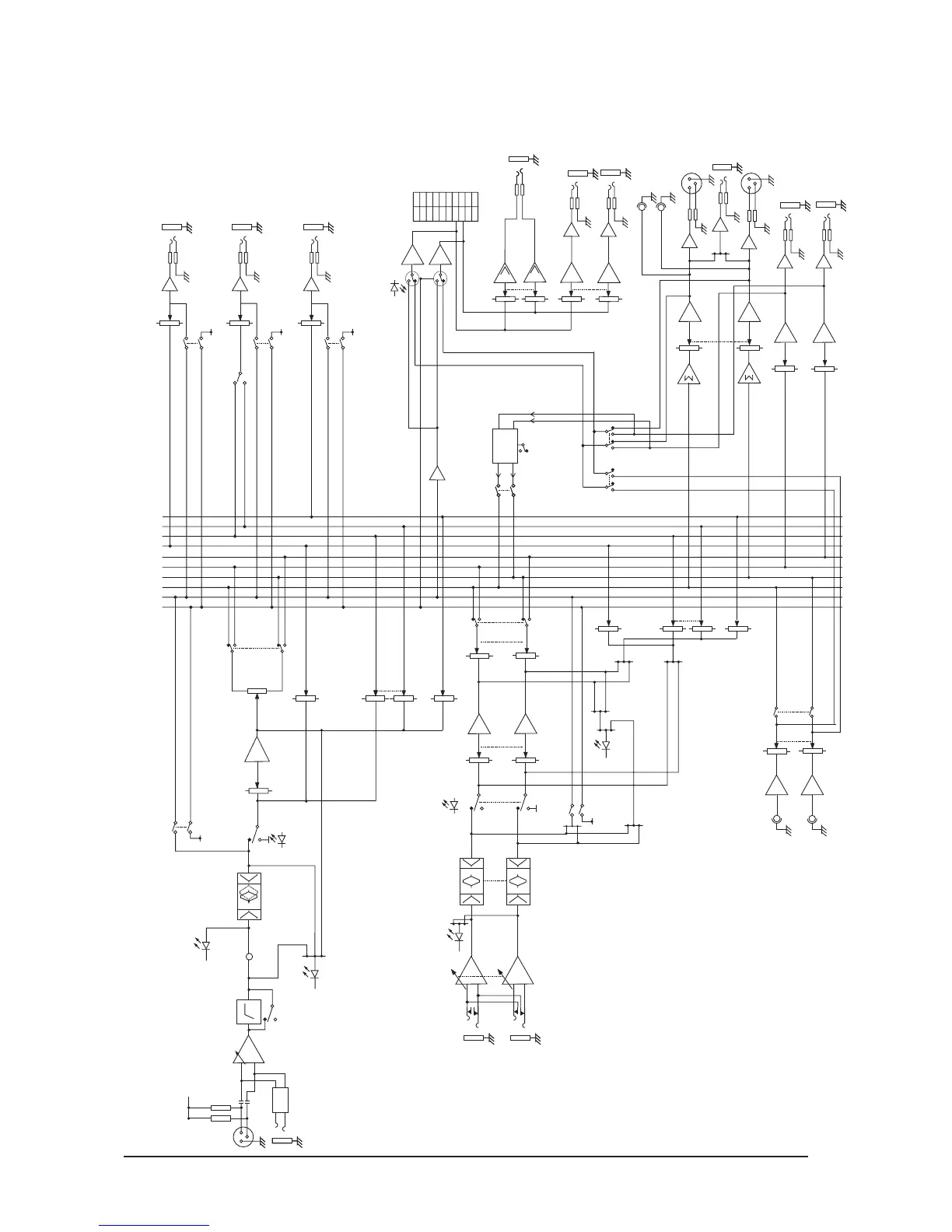
SoundCraft MPMI - Block Diagram

SoundCraft MPMI
38 pages
Print Icon
To Next Page IconTo Next Page
To Next Page IconTo Next Page
To Previous Page IconTo Previous Page
To Previous Page IconTo Previous Page
Loading...
14
REC OUT
L
R
MIX/L
OUT
MONO
OUTPUT
LF MF HF
AUX2
AUX1
AUX1
L
R
2 TRACK IN
TO MIX
AUX2 (MASTER)
AUX2
AUX2 O/P
d/c
AFL
+48V
POST/PRE
(2 TRACK)
TO MONITOR
MONITORING SELECT
SUB TO MIX
STEREO/
MONO
MIC
LINE
GAIN
MONO CHANNEL (1 - 20 or1-12 ALLIDENTICAL)
LF MF &
SWEEP
HF
EQ
d/c
PFL
MUTE
FADER
PRE-FADER
SIGNAL
PAN
AUX1 PRE
GRP (LEFT)
GRP(RIGHT)
PFL / AFL
ENABLE
PFL / AFL
MIX(LEFT)
MIX(RIGHT)
MONITOR
OUT L
MIX/R
OUT
SOLO
METERS
L
R
+16
+10
+6
+3
0
-3
-6
-16
-22
MONITOR &
METERS
STEREO
H/PHONES
HEADPHONES
LEVEL
MONITOR OUT
LEVEL
BALANCE
FADER
‘PK’
STEREO CHANNEL (STEREO1&2IDENTICAL)
LEFT/MONO
RIGHT
GAIN
POST-FADER
SIGNAL
d/c
PFL
MUTE
PRE-FADER SIGNAL
POST-FADER
SIGNAL
-15dB
MIX OUTPUTS
‘PK’
INSERT POINT
TIP=SEND
RING=RETURN
HPF
LEVEL
EQ
‘SP’
‘SP’
MONITOR
OUT R
-12
AUX1 (MASTER)
AUX OUTPUTS
AUX1 O/P
d/c
AFL
AUX2 PRE
AUX2 POST
AUX 3 POST
AUX3 (MASTER)
AUX3 O/P
d/c
AFL
SUB-R
FADER
MIX
FADER
SUB-L
FADER
SUB-R
OUT
SUB-L
OUT
SUB OUTPUTS
MIX/SUB
AUX 3
MIX/SUB
AUX 3
MIX/SUB
BLOCK DIAGRAM

Related product manuals