EasyManua.ls Logo

SoundGraph iMON - Page 6

Default Icon
46 pages
Print Icon
To Next Page IconTo Next Page
To Next Page IconTo Next Page
To Previous Page IconTo Previous Page
To Previous Page IconTo Previous Page
Loading...
-6-
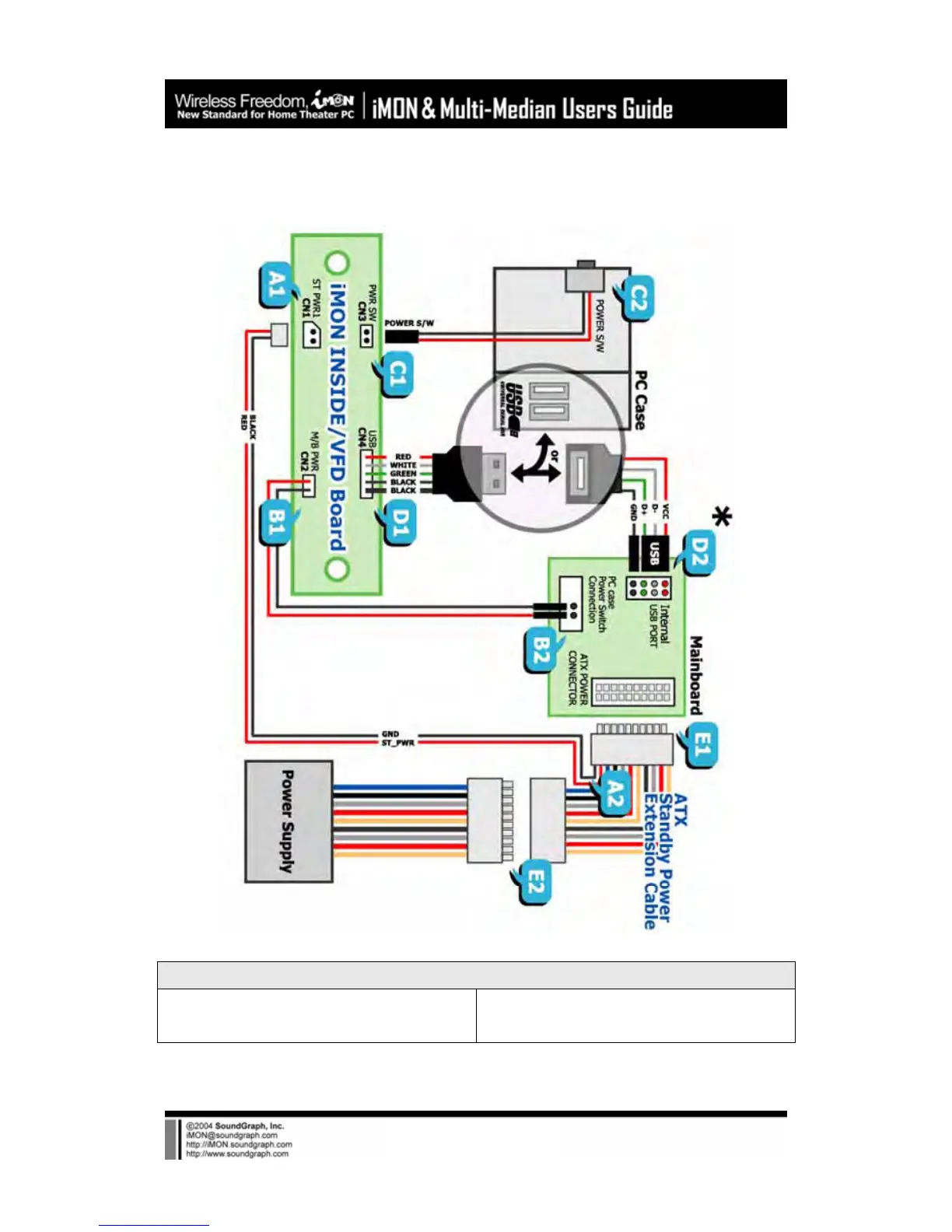
another cable. You should be careful to connect these four cables refer to your mainboard
manual.
1. Stand-By Power Connection Cable
A1 : (2pin, iMON Inside ‘ST PWR1’
connector)
A2 : (2pin, Mainboard power extension cable)