EasyManua.ls Logo

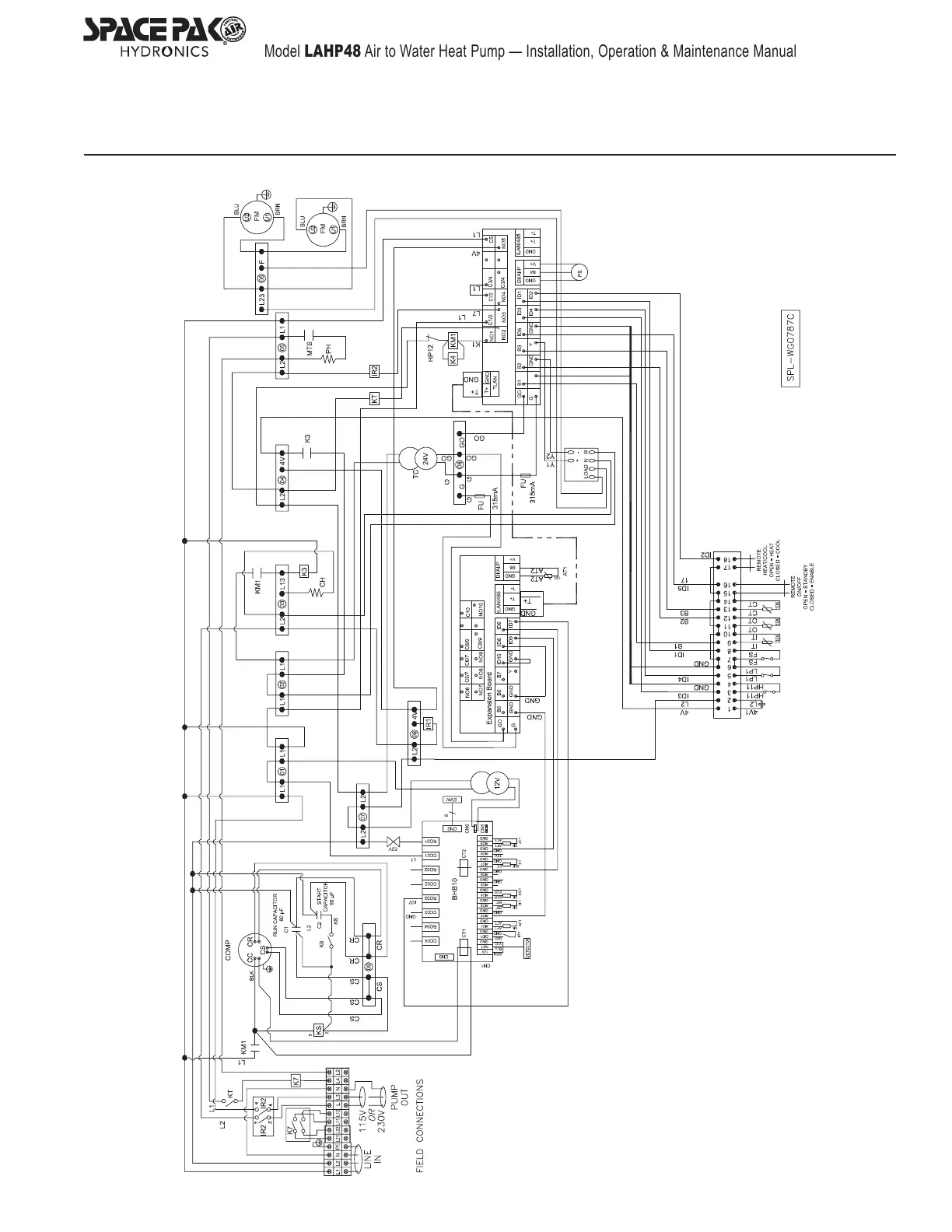
Space Pak LAHP48 - SECTION 9: ELECTRICAL DIAGRAMS; Figure 15 SpacePak LAHP - Pictorial Wiring Diagram

Space Pak LAHP48
28 pages
Print Icon
To Next Page IconTo Next Page
To Next Page IconTo Next Page
To Previous Page IconTo Previous Page
To Previous Page IconTo Previous Page
Loading...
– 17 –
Model LAHP48 Air to Water Heat Pump — Installation, Operation & Maintenance Manual
Figure 15 SpacePak LAHP - Pictorial Wiring Diagram
Section 9: Electrical Diagrams

Related product manuals