EasyManua.ls Logo

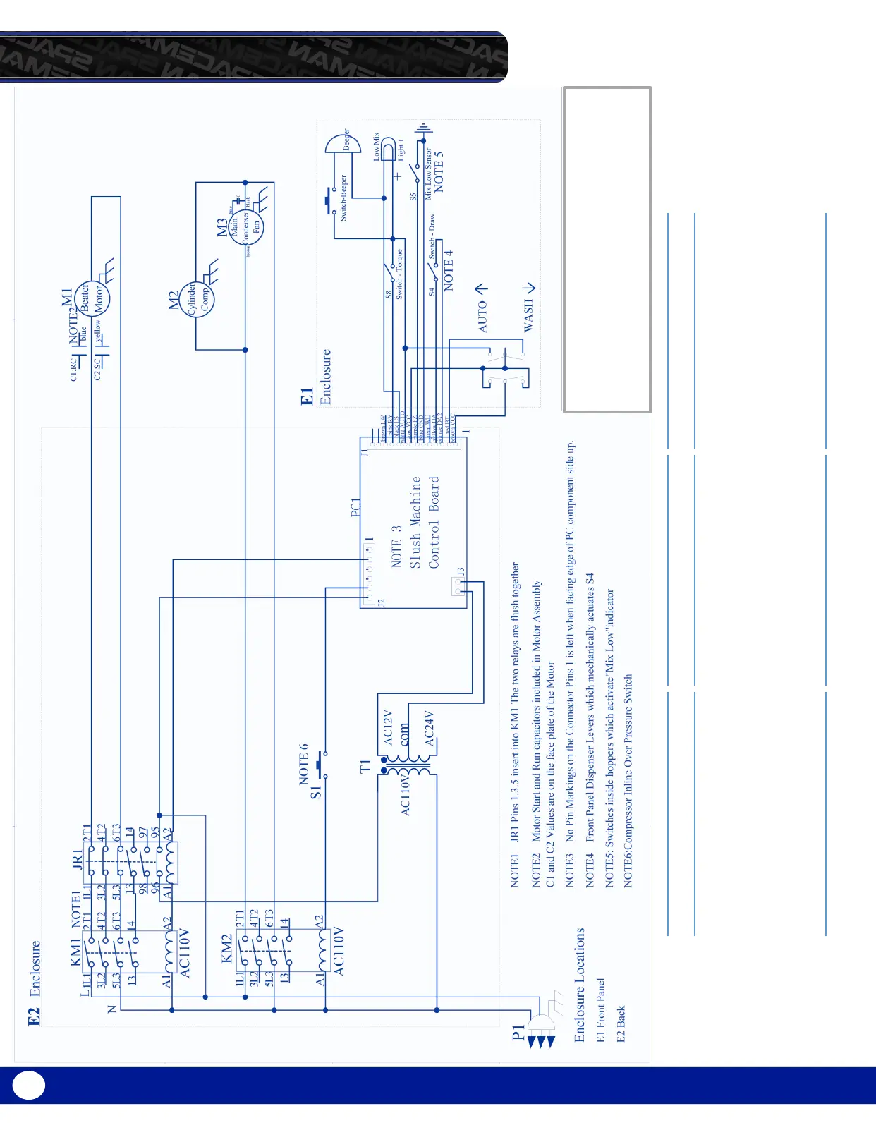
Spaceman SM-6450 - Wiring Diagram & Components; Machine Wiring Schematics

Spaceman SM-6450
10 pages
Print Icon
To Next Page IconTo Next Page
To Next Page IconTo Next Page
To Previous Page IconTo Previous Page
To Previous Page IconTo Previous Page
Loading...

- 
 

 

-
 

-
 

-


 

 

 



 

 

 




 




 

 

 



--

Related product manuals